Page image
Page image

H.—ld.

(2.) Trades in which Increased Wages or Shorter Hours (generally) have been fixed —continued.

61

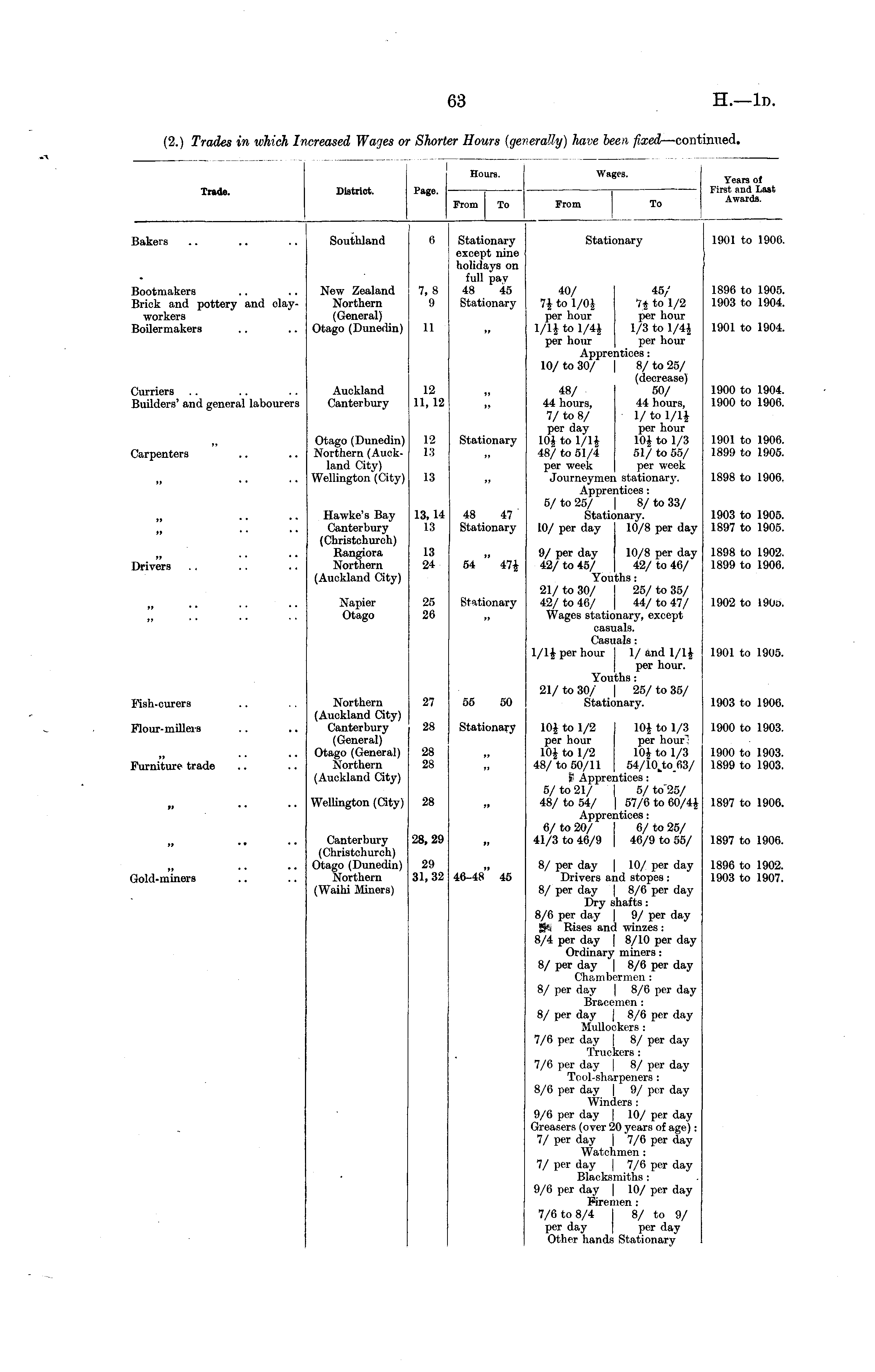
Trade. District. Hi Page. From [ours. ages. Years of First and Last Awards. To From To Bakers Southland Stationary except nine holidays on full pav 48 45 Stationary Stationary 1901 to 1906 Bootmakers Brick and pottery and clayworkers Boilermakers New Zealand Northern (General) Otago (Dunedin) 7,8 9 40/ 45/ 7$ to 1/0$ 7-4 to 1/2 per hour per hour 1/1$ to 1/4$ 1/3 to 1/4$ per hour per hour Apprentices: 10/ to 30/ | 8/ to 25/ (decrease) 48/ ' 50/ 44 hours, 44 hours, 7/ to 8/ • 1/ to 1/1$ per day per hour 10$ to 1/1$ 10$ to 1/3 48/ to 51/4 51/ to 55/ per week per week Journeymen stationary. Apprentices : 5/ to 25/ | 8/ to 33/ Stationary. 10/ per day 10/8 per day 1896 to 1905, 1903 to 1904. 11 1901 to 1904, Curriers Builders' and general labourers Auckland Canterbury 12 11, 12 ,, 1900 to 1904. 1900 to 1906. Otago (Dunedin) Northern (Auckland City) Wellington (City) 12 13 Stationary 1901 to 1906. 1899 to 1905. Carpenters ,, . . . . 13 1898 to 1906. ,, . . . . Hawke's Bay Canterbury (Christchurch) Rangiora Northern (Auckland City) 13,14 13 48 47 Stationary 1903 to 1905. 1897 to 1905. „ .. .. Drivers 13 24 54 47$ 9/ per day 10/8 per day 42/ to 45/ 42/ to 46/ Youths: 21/ to 30/ I 25/ to 35/ 42/ to 46/ 44/ to 47/ Wages stationary, except casuals. Casuals: 1/1$ per hour I 1/ and 1/1$ per hour. Youths: 21/ to 30/ | 25/ to 35/ Stationary. 1898 to 1902. 1899 to 1906. Napier Otago 25 26 Stationary 1902 to 190o. 1901 to 1905. Fish-curers Flour-millers Northern (Auckland City) Canterbury (General) Otago (General) Northern (Auckland City) 27 28 55 50 Stationary 10$ to 1/2 10$ to 1/3 per hour per hourl 104 to 1/2 10$ to 1/3 48/to 50/11 | 54/10 k to.B3/ F Apprentices ; 5/ to 21/ | 5/ to"25/ 48/ to 54/ | 57/6 to 60/4$ Apprentices: 6/ to 20/ 6/ to 25/ 41/3 to 46/9 I 46/9 to 55/ 1903 to 1906. 1900 to 1903. Furniture trade 28 28 1900 to 1903. 1899 to 1903. »r „ .. .. Wellington (City) 28 »» 1897 to 1906. „ . • Gold-miners Canterbury (Christchurch) Otago (Dunedin) Northern (Waihi Miners) 28,29 29 31,32 1» 46-48" 45 8/ per day | 10/ per day Drivers and stopes: 8/ per day | 8/6 per day Dry shafts: 8/6 per day | 9/ per day jS*s Rises and winzes : 8/4 per day | 8/10 per day Ordinary miners: 8/ per day | 8/6 per day Chambermen : 8/ per day 8/6 per day Bracemen : 8/ per day | 8/6 per day MuUockers: 7/6 per day | 8/ per day Truckers : 7/6 per day | 8/ per day Tool-sharpeners : 8/6 per day | 9/ per day Winders : 9/6 per day | 10/ per day Greasers (over 20 years of age) : 7/ per day | 7/6 per day Watchmen : 7/ per day | 7/6 per day Blacksmiths : 9/6 per day | 10/ per day Firemen: 7/6 to 8/4 8/ to 9/ per day per day Other hands Stationary 1897 to 1906. 1896 to 1902. 1903 to 1907.

Log in or create a Papers Past website account

Use your Papers Past website account to correct newspaper text.

By creating and using this account you agree to our terms of use.

Log in with RealMe®

If you’ve used a RealMe login somewhere else, you can use it here too. If you don’t already have a username and password, just click Log in and you can choose to create one.


Log in again to continue your work

Your session has expired.

Log in again with RealMe®


Alert