Page image
Page image

25

H.—lsb

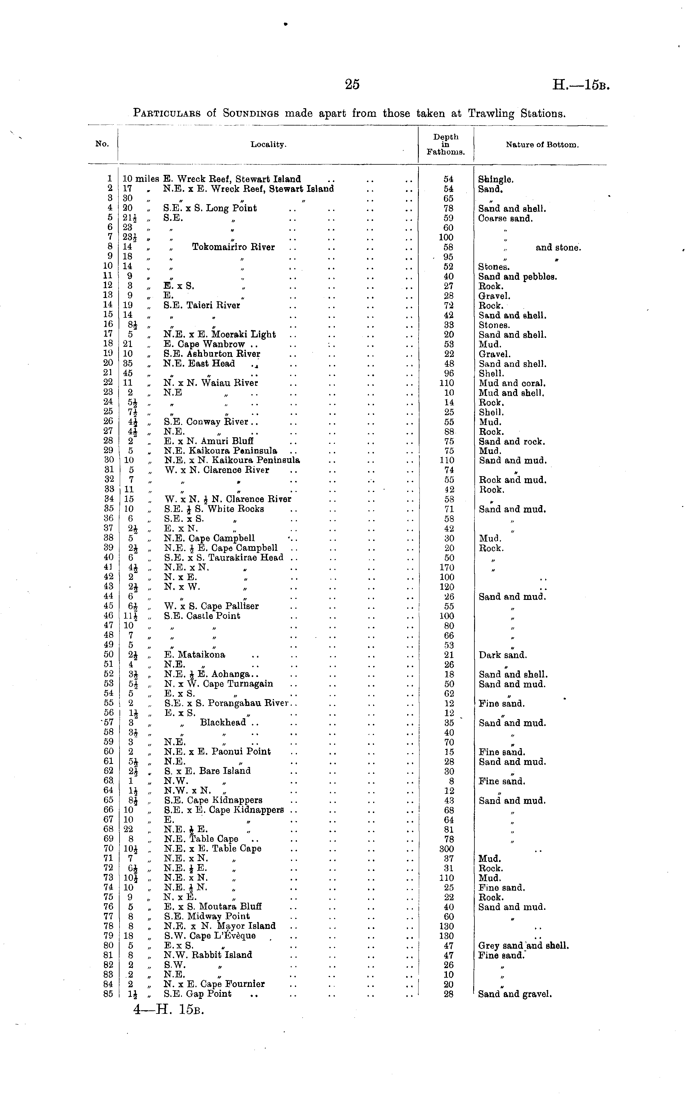
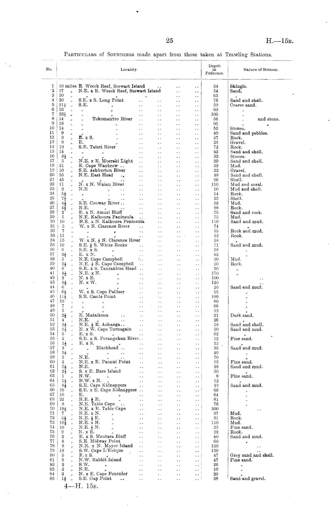
Particulars of Soundings made apart from those taken at Trawling Stations.

4—H. 15b.

No. Locality. Depth in Fathoms. Nature of Bottom. 1 2 3 4 5 6 7 8 9 10 11 12 13 14 15 16 17 18 19 20 21 22 23 24 25 20 27 28 29 30 31 32 33 34 35 36 37 38 39 40 41 42 43 44 45 46 47 48 49 50 51 52 53 54 55 56 ■57 58 59 60 61 62 63. 64 65 66 67 68 69 70 71 72 73 74 75 76 77 78 79 80 81 82 83 84 85 10 miles E. Wreck Reef, Stewart Island 17 „ N.E. x E. Wreck Reef, Stewart Island 30 „ 20 „ S.E. x S. Long Point 21* , S.E. 23 „„ 23J . 14 „ „ Tokomairiro River 18 „ . 14.. 9 „ 3 „ E. x S. 9 „ E. 19 „ S.E. Taieri River 14 „ „ .... Si „ „ 5 „ N.E. x E. Moeraki Light 21 „ E. Cape Wanbrow 10 , S.E. Ashburton River 35 „ N.E. East Head ... 45 „„ 11 „ N. x N. Waiau River 2 „ N.E 5J . . 7i . . . 4J „ S.E. Conway River .. 4J „ N.E. 2' ,. E. x N. Amuri Bluff 5 , N.E. Kaikoura Peninsula 10 „ N.E. x N. Kaikoura Peninsula 5 „ W. x N. Clarence River 7 „ 11 „ „ 15 „ W. x N. J N. Clarence River 10 „ S.E. i S. Wbite Rocks 6 „ S.E. x S. 2J „ E. x N. 5 „ N.E. Cape Campbell 2J „ N.E. J E. Cape Campbell 6 ,. S.E. x S. Taurakirae Head .. 4J „ N.E. x N. 2 „ N. x E. 2$ „ N. x W. 6 „ 6J „ W. x S. Cape Palliser 111 „ S.E. Castle Point 10 . . 7 „ 5 „ 2J „ E. Mataikona 4 „ N.E. , 3$ „ N.E. J E. Aohanga.. 5£ „ N. x W. Cape Turnagain 5 „ E. x S. 2 „ S.E. x S. Porangahau River.. 1J „ E. x S. 3 „ „ Blackhead .. 31 „ 3 „ N.E. 2 „ N.E. x E. Paonui Point 5J „ N.E. 2i , S. x E. Bare Island 1 , N.W. 1J „ N.W. x N. „ 81 „ S.E. Cape Kidnappers 10 „ S.E. x E. Cape Kidnappers .. 10 „ E. 22 ,. N.E. JE. 8 „ N.E. Table Cape .. 10J •■ N.E. x E. Table Cape 7 „ N.E. x N. GJ „ N.E. i E. 101 . N.E. x N. 10 „ N.E. IN. 9 „ N. x E. 5 „ E. x S. Moutara Bluff 8 „ S.E. Midway Point 8 . N.E. x N. Mayor Island 18 „ S.W. Cape L'Eveque 5 „ E.xS. 8 . N.W. Rabbit Island 2 „ S.W. .2 „ N.E. 2 N. x E. Cape Fournier 1J . S.E. Gap Point 54 54 65 78 59 60 100 58 . 95 52 40 27 28 72 42 33 20 53 22 48 96 110 10 14 25 55 88 75 75 110 74 55 42 58 71 58 42 30 20 50 170 100 120 26 55 100 80 66 53 21 26 18 50 G2 12 12 35 ' 40 70 Iβ 28 30 8 12 43 68 64 81 78 300 37 81 110 25 22 40 60 130 130 47 47 26 10 20 28 Shingle. Sand. Sand and ehell. Coarse sand. and stone. Stones. Sand and pebbles. Rook. Gravel. Rock. Sand and shell. Stones. Sand and shell. Mud. Gravel. Sand and shell. Shell. Mud and coral. Mud and shell. Rook. Shell. Mud. Rook. Sand and rock. Mud. Sand and mud. Rock and mud. Rook. Sand and mud. Mud. Rook. Sand and mud. Dark sand. Sand and shell. Sand and mud. Fine sand. Sand and mud. Fine Band. Sand and mud. Fine sand. Sand and mud. Mud. Rock. Mud. Fine sand. Rook. Sand and mud. u Grey sand and shell. Fine sand. Sand and gravel.

Log in or create a Papers Past website account

Use your Papers Past website account to correct newspaper text.

By creating and using this account you agree to our terms of use.

Log in with RealMe®

If you’ve used a RealMe login somewhere else, you can use it here too. If you don’t already have a username and password, just click Log in and you can choose to create one.


Log in again to continue your work

Your session has expired.

Log in again with RealMe®


Alert