Page image
Page image

C—lα.

26

Records of Milne Seismograph No. 16, at Christchurch— continued.

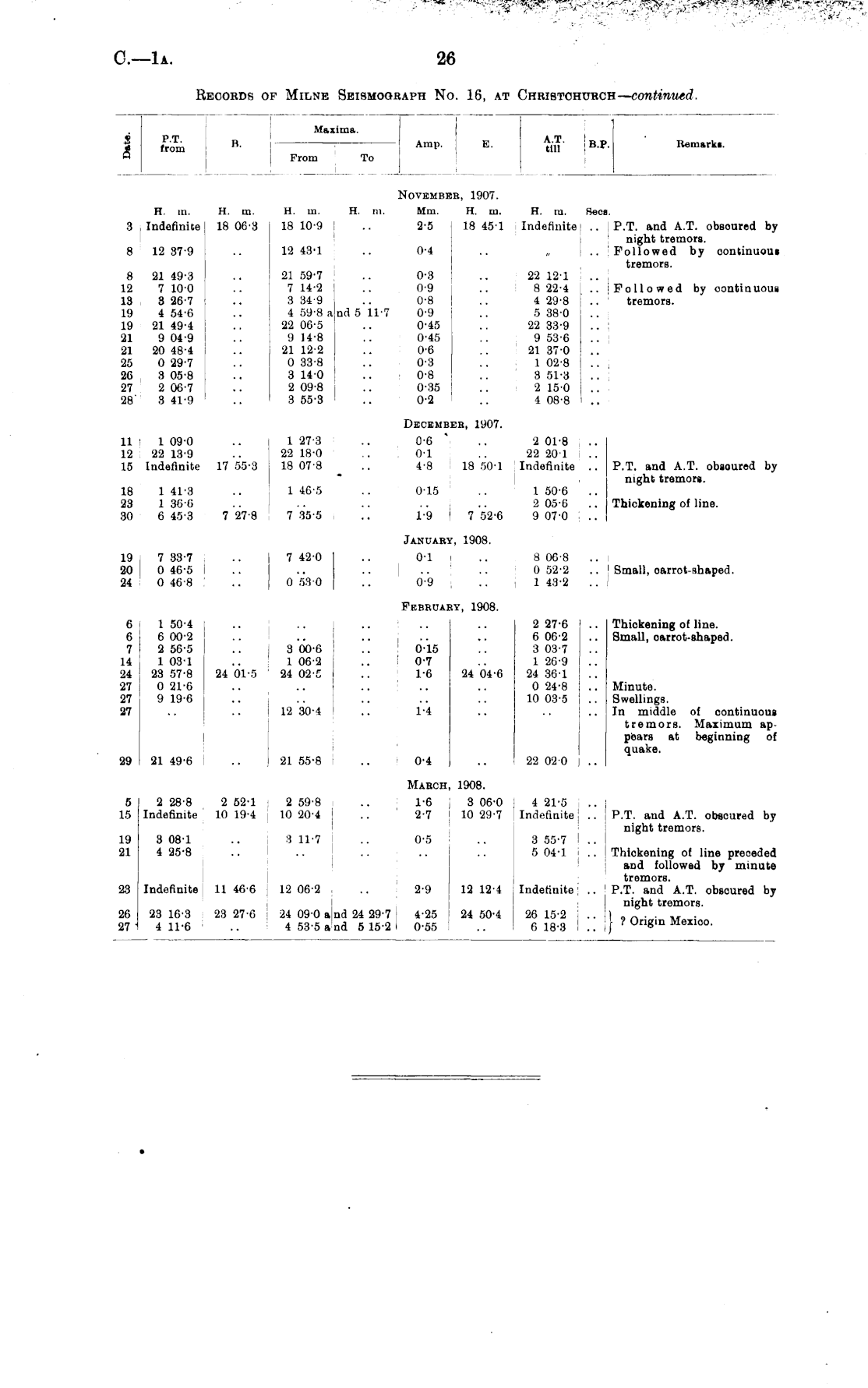
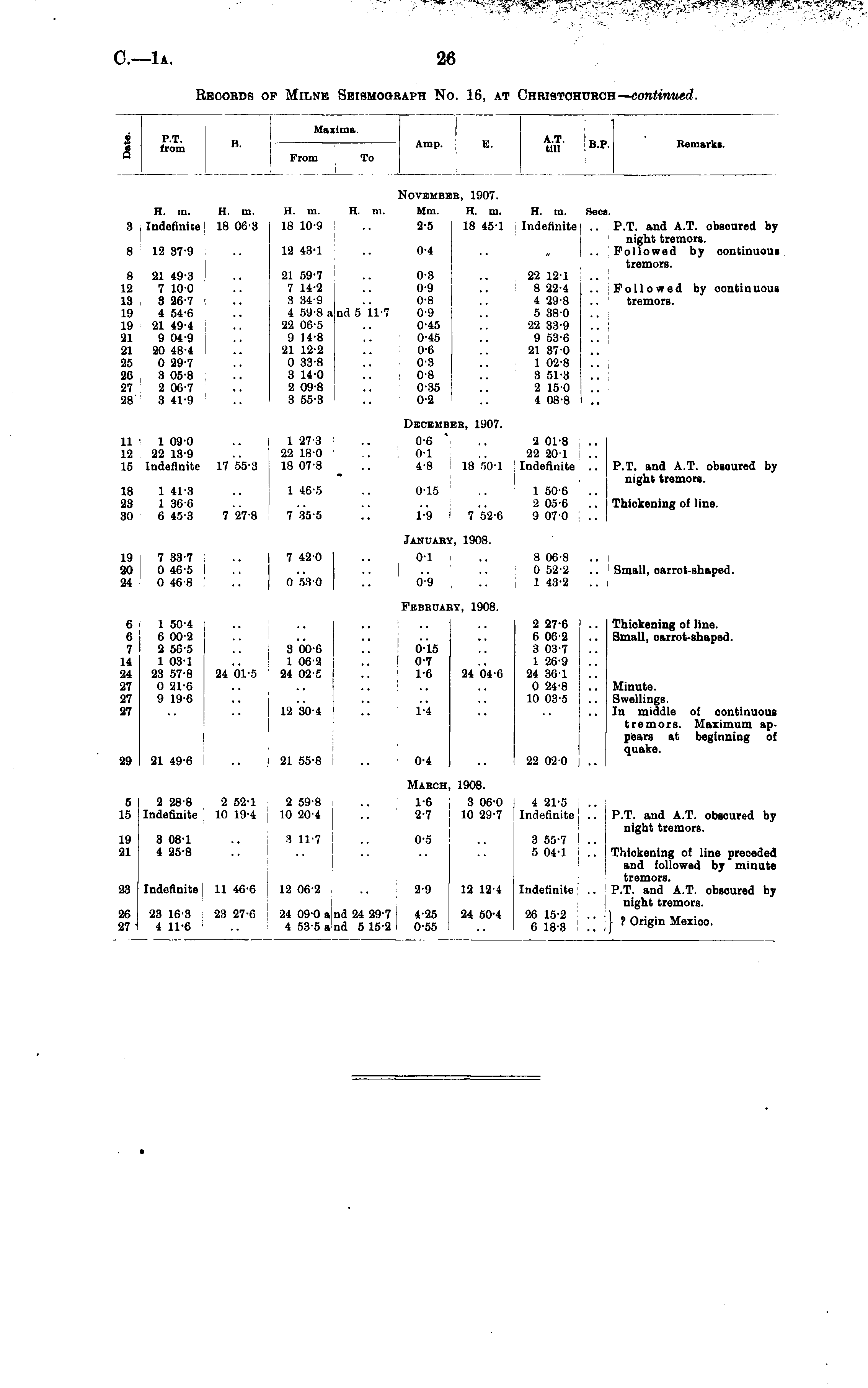
lux inn' S f r o m »■ Al "l' ■• lil, BP Itamarki. " From To P.T. from B. A.T. till H.P. Uumarki. NOVEMBER, 1907. H. m. H. in. H. m. H. in. Mm. H. m. H. m. Sees. 8 Indefinite 18 06-3 18 109 .. 2-5 18 451 Indefinite .. P.T. and A.T. obsoured by night tremors. 8 12 879 .. 12 43-1 .. 0-4 .. „ .. Followed by continuous tremors. 8 21 49-3 .. I 21 59-7 .. 0-3 .. 22 121 12 7 100 .. 7 14-2 .. 0-9 .. 8 22-4 .. Followed by continuous 13 3 26-7 .. 3 34-9 .. 0-8 .. 4 29-8 .. tremors. 19 4 54-6 .. 4 59-8 and 5 11-7 0-9 .. 5 38-0 19 21 49-4 .. 22 06-5 .. 0-45 .. 22 33-9 21 9 04-9 .. 9 14-8 .. 045 .. 9 53-6 .. 21 20 48-4 .. 21 12-2 .. 0-6 .. 21 370 25 0 29-7 .. 0 33-8 .. 0-3 .. 1 02-8 20 8 05-8 .. 3 140 .. 0-8 .. 3 513 27 2 06-7 .. 2 09-8 .. 0-35 .. 2 150 .. 28' 3 41-9 ! 3 55-3 ; 0-2 .. 4 08-8 .. December, li)07. U 1 090 .. 1 27-3 .. 0-6 .. 2 01-8 .. 12 22 13-9 .. 22 18-0 .. 01 .. 22 201 15 Indefinite 17 55-3 18 078 .. 4-8 18 501 Indefinite .. P.T. and A.T. obsoured by night tremors. 18 1 41-3 .. 1 46-5 .. 015 .. 1 50-6 .. 23 1 36-6 .. .. .. .. .. 2 05-6 .. Thickening of line. 30 6 45-3 7 27-8 7 355 .. 1-9 7 526 9 070 January, 1908. 19 20 24 19 7 33-7 .. 7 42-0 .. 0-1 .. 8 068 .. •20 (146-5 .. .. .. .. .. 0 52-2 .. Small, oarrot-shaped. 24 0 46-8 .. 0 530 .. 0-9 , .. 1 432 February, 1908. 6 6 7 14 M ■11 27 87 6 1 50-4 ; .. .. .. .. .. 2 27-6 .. Thickening of line. 6 6 00-2 .. .. .. .. .. 6 06-2 .. Small, oarrot-shaped. 7 2 56-5 .. 3 00-C. .. 0-15 .. 3 03-7 14 1 031 .. 1 06-2 .. 0-7 .. 1 26-9 .. 24 23 57-8 24 015 24 02-r, .. 1-6 24 04-6 24 36-1 .. 27 0 21-6 .. .. .. .. .. 0 24-8 .. Minute. 27 9 19-6 .. .. .. .. .. 10 03-5 .. Swellings. 27 .. .. 12 30-4 .. 1-4 .. .. .. In middle of continuous tremors. Maximum appears at beginning of quake. 29 21 49-6 .. 21 55-8 I 0-4 .. 22 02 0 J .. March, 1908. S 2 28-8 2 52-1 2 59-8 .. 1-6 3 06-0 4 21-5 .. 15 Indefinite 10 19-4 10 20-4 .. 2-7 10 29-7 Indefinite .. P.T. and A.T. obscured by night tremors. 19 3 081 .. 3 11-7 .. 0-5 .. 3 55-7 I .. 21 4 25-8 .. .. .. .. .. 5 041 .. Thickening of line preceded and followed by minute tremors. 23 Indefinite 1146-6 12 062 .. 2-9 12 12-4 Indefinite .. P.T. and A.T. obscured by night tremors. 26 23 16-3 23 276 24 090 a nd 24 29-7 4-25 24 50-4 26 152 .. ) „ _ . . „ . 27-1 4 11-6 .. 4 53-5 and 5 15-2 055 .. 6 18-3 !.. j? Origm Mexico. B .6 9 !1 Iβ 17

Log in or create a Papers Past website account

Use your Papers Past website account to correct newspaper text.

By creating and using this account you agree to our terms of use.

Log in with RealMe®

If you’ve used a RealMe login somewhere else, you can use it here too. If you don’t already have a username and password, just click Log in and you can choose to create one.


Log in again to continue your work

Your session has expired.

Log in again with RealMe®


Alert