Page image
Page image

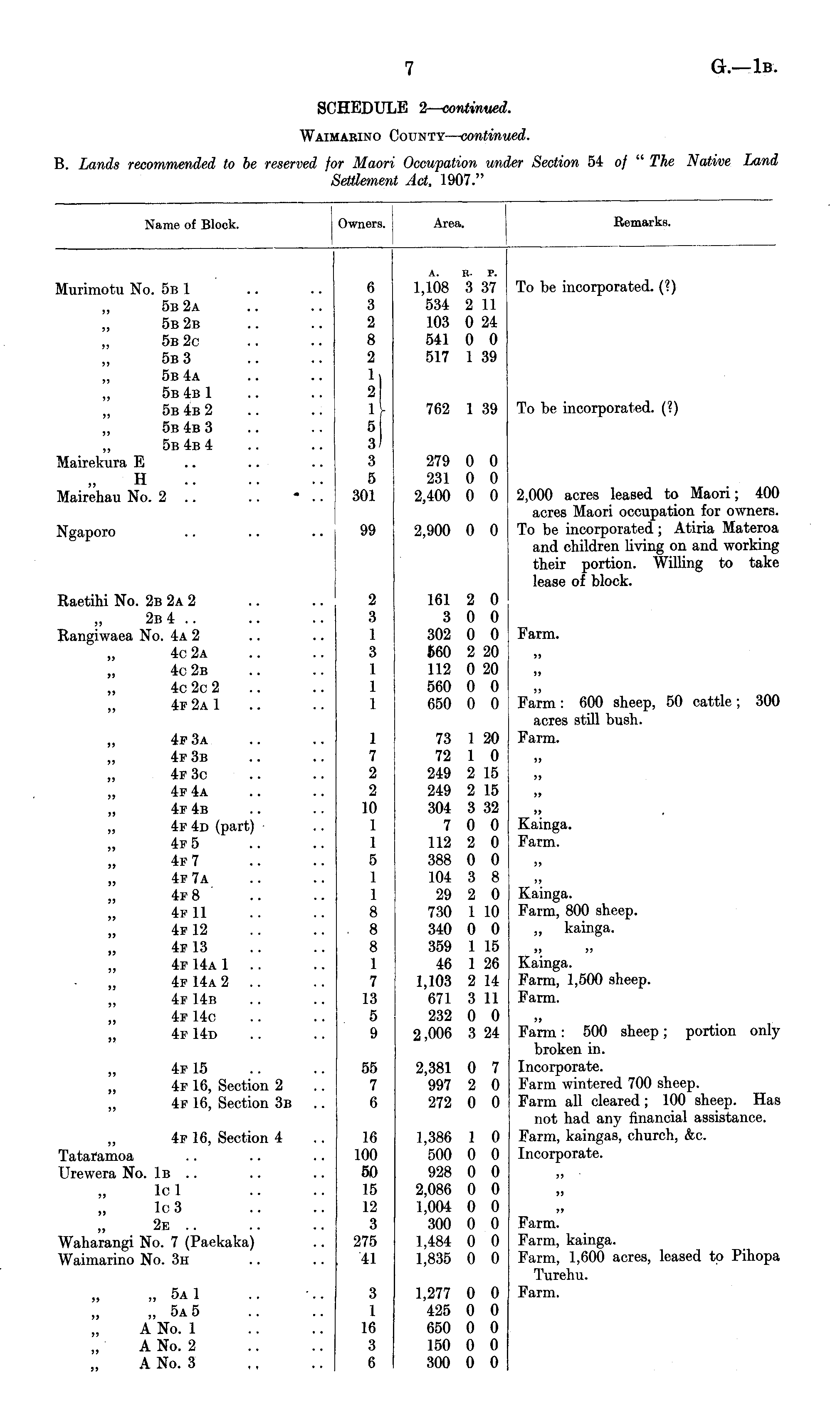
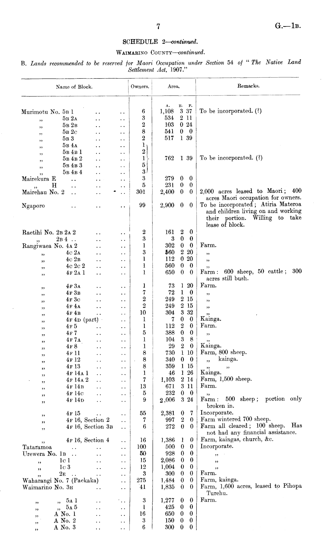
7

G.— lβ

SCHEDULE 2— continued. Waimarino County— continued. B. Lands recommended to be reserved for Maori Occupation under Section 54 of " The Native Land Settlement Act, 1907."

Name of Block. Owners, j Area. Remarks. Murimotu No. 5b 1 5b 2a 5b 2b 5b 2c 5b 3 5b 4a „ 5b 4b 1 5b 4b 2 5b 4b 3 „ 5b 4b 4 Mairekura E H Mairehau No. 2 .. 6 3 2 8 2 1 2 I 3) 3 5 301 A. R. P. 1,108 3 37 534 2 11 103 0 24 541 0 0 517 1 39 To be incorporated. (?) 762 1 39 To be incorporated. (?) 279 0 0 231 0 0 2,400 0 0 2,000 acres leased to Maori; 400 acres Maori occupation for owners. To be incorporated; Atiria Materoa and children living on and working their portion. Willing to take lease of block. Ngaporo 99 2,900 0 0 Eaetihi No. 2b 2a 2 2b 4 .. Rangiwaea No. 4a 2 4c 2a 4c 2b 4c 2c 2 4f 2a 1 2 3 1 3 1 1 1 161 2 0 3 0 0 302 0 0 560 2 20 112 0 20 560 0 0 650 0 0 Farm. it >» Farm: 600 sheep, 50 cattle; 300 acres still bush. 4f 3a 4p 3b 4f 3c 4p 4a „ 4p 4b „ 4f 4d (part) • 4p 5 4f 7 4f 7a 4f8 4f 11 4f 12 4f 13 4f 14a 1 .. 4f14a2 .. „ 4f 14b „ 4f 14c „ 4f 14d 1 7 2 2 10 1 1 5 1 1 8 8 8 1 7 13 5 9 73 1 20 72 1 0 249 2 15 249 2 15 304 3 32 7 0 0 112 2 0 388 0 0 104 3 8 29 2 0 730 1 10 340 0 0 359 1 15 46 1 26 1,103 2 14 671 3 11 232 0 0 2,006 3 24 Farm. »» >> j> Kainga. Farm. J? Kainga. Farm, 800 sheep. „ kainga. Kainga. Farm, 1,500 sheep. Farm. 4p 15 4r 16, Section 2 „ 4f 16, Section 3b t 55 7 6 2,381 0 7 997 2 0 272 0 0 Farm: 500 sheep; portion only broken in. Incorporate. Farm wintered 700 sheep. Farm all cleared; 100 sheep. Has not had any financial assistance. Farm, kaingas, church, &c. Incorporate. „ 4p 16, Section 4 Tataramoa Urewera No. Iβ .. lcl Ic3 2e .. Waharangi No. 7 (Paekaka) Waimarino No. 3h 16 100 50 15 12 3 275 41 1,386 1 0 500 0 0 928 0 0 2,086 0 0 1,004 0 0 300 0 0 1,484 0 0 1,835 0 0 *> j> >> Farm. Farm, kainga. Farm, 1,600 acres, leased to Pihopa Turehu. „ 5a 1 „ 5a 5 A No. 1 A No. 2 A No. 3 3 1 16 3 6 1,277 0 0 425 0 0 650 0 0 150 0 0 300 0 0 Farm.

Log in or create a Papers Past website account

Use your Papers Past website account to correct newspaper text.

By creating and using this account you agree to our terms of use.

Log in with RealMe®

If you’ve used a RealMe login somewhere else, you can use it here too. If you don’t already have a username and password, just click Log in and you can choose to create one.


Log in again to continue your work

Your session has expired.

Log in again with RealMe®


Alert