Page image
Page image

G.--1D

4

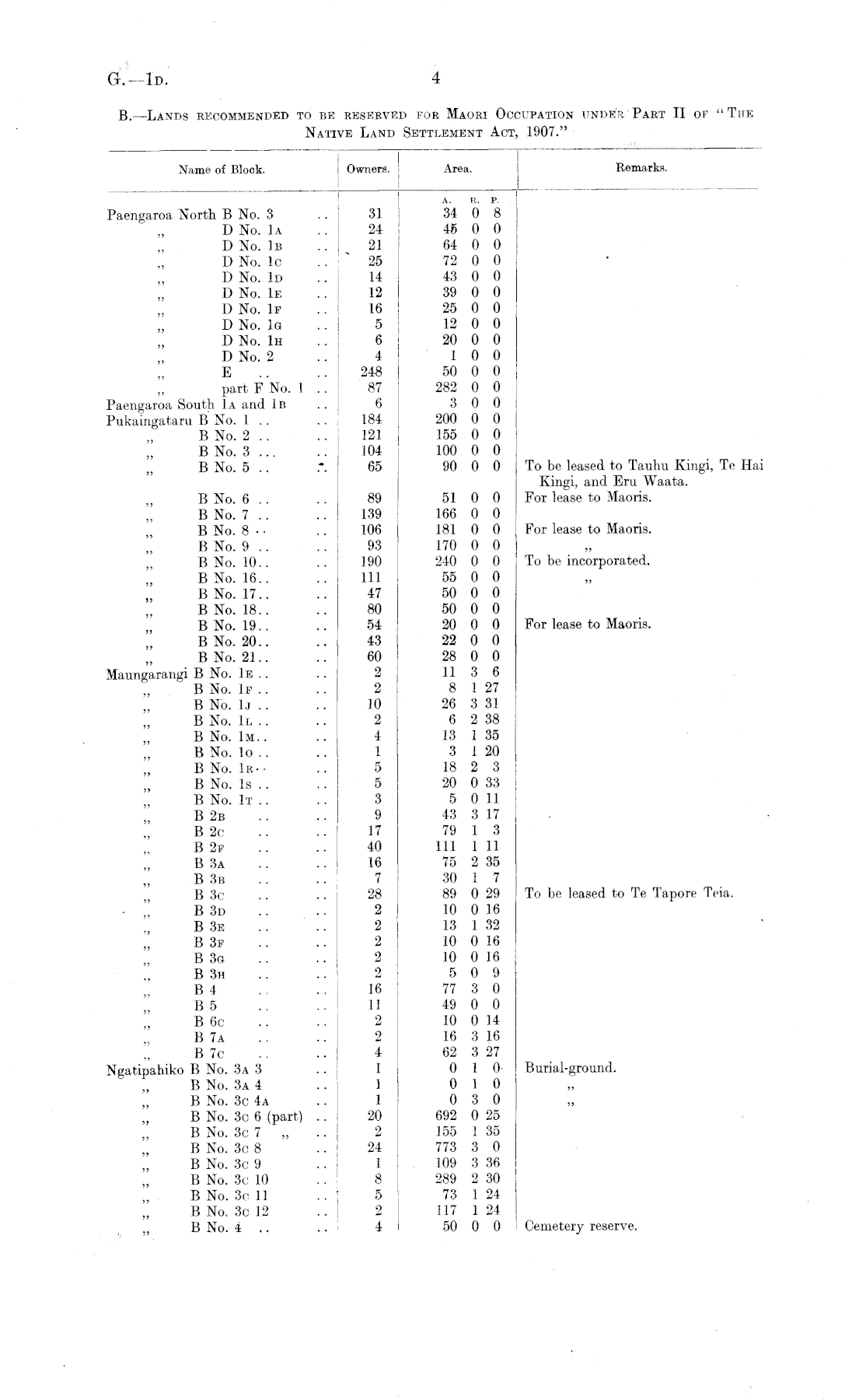
B. —Lands recommended to be reserved for Maori Occupation under. Part II of "The Native Land Settlement Act, 1907."

Name of Block. Owners. Area. Remarks. 'aengaroa North B No. 3 D No. Iα D No. Iβ D No. lc D No. Id D No. 1e D No. If D No. 1g D No. 1h D No. 2 E part F No. 1 'aengaroa South Iα and In 'ukaingataru B No. 1 .. B No. 2 .. B No. 3 .., B No. 5 .. L .. 31 24 21 25 14 12 16 5 6 4 248 87 6 184 121 104 65 A. R. P. 34 0 8 45 0 0 64 0 0 72 0 0 43 0 0 39 0 0 25 0 0 12 0 0 20 0 0 1 0 0 50 0 0 282 0 0 3 0 0 200 0 0 155 0 0 100 0 0 90 0 0 To be leased to Tauhu Kingi, Te Hai Kingi, and Era Waata. For lease to Maoris. B No. 6 .. B No. 7 .. B No. 8 • ■ B No. 9 B No. 10.. B No. 16.. B No. 17.. B No. 18.. BNo. 19.. B No. 20.. B No. 21.. [aungarangi B No. 1e .. B No. If .. B No. 1j .. B No. 1l .. B No. Iμ.. B No. lo .. B No. lR--B No. Is .. B No. It .. B 2b B 2c B 2f B 3a B 3b B 3c ■ „ B 3d B 3e B 3f B 3g B 3h B 4 B5 B 6c B 7a B 7c fgatipahiko B No. 3a 3 B No. 3a 4 B No. 3c 4a B No. 3c 6 (part) B No. 3c 7 „ B No. 3c 8 B No. 3c 9 B No. 3c 10 B No. 3c 11 B No. 3c 12 B No. 4 .. I .. I I I 89 139 106 93 190 111 47 80 54 43 60 2 2 10 2 4 1 5 5 3 9 17 40 16 7 28 2 2 2 2 2 16 11 2 2 4 1 1 1 20 2 24 1 8 5 2 4 51 0 0 166 0 0 181 0 0 170 0 0 240 0 0 55 0 0 50 0 0 50 0 0 20 0 0 22 0 0 28 0 0 11 3 6 8 1 27 26 3 31 6 2 38 13 1 35 3 1 20 18 2 3 20 0 33 5 0 11 43 3 17 79 1 3 111 1 11 75 2 35 30 1 7 89 0 29 10 0 16 13 1 32 10 0 16 10 0 16 5 0 9 77 3 0 49 0 0 10 0 14 16 3 16 62 3 27 0 1 0 0 1 0 0 3 0 692 0 25 155 1 35 773 3 0 109 3 36 289 2 30 73 1 24 117 1 24 50 0 0 For lease to Maoris. To be incorporated. jj For lease to Maoris. To be leased to Te Tapore Teia. Burial-ground. >> Cemetery reserve.

Log in or create a Papers Past website account

Use your Papers Past website account to correct newspaper text.

By creating and using this account you agree to our terms of use.

Log in with RealMe®

If you’ve used a RealMe login somewhere else, you can use it here too. If you don’t already have a username and password, just click Log in and you can choose to create one.


Log in again to continue your work

Your session has expired.

Log in again with RealMe®


Alert