Page image
Page image

10

G. — Ij

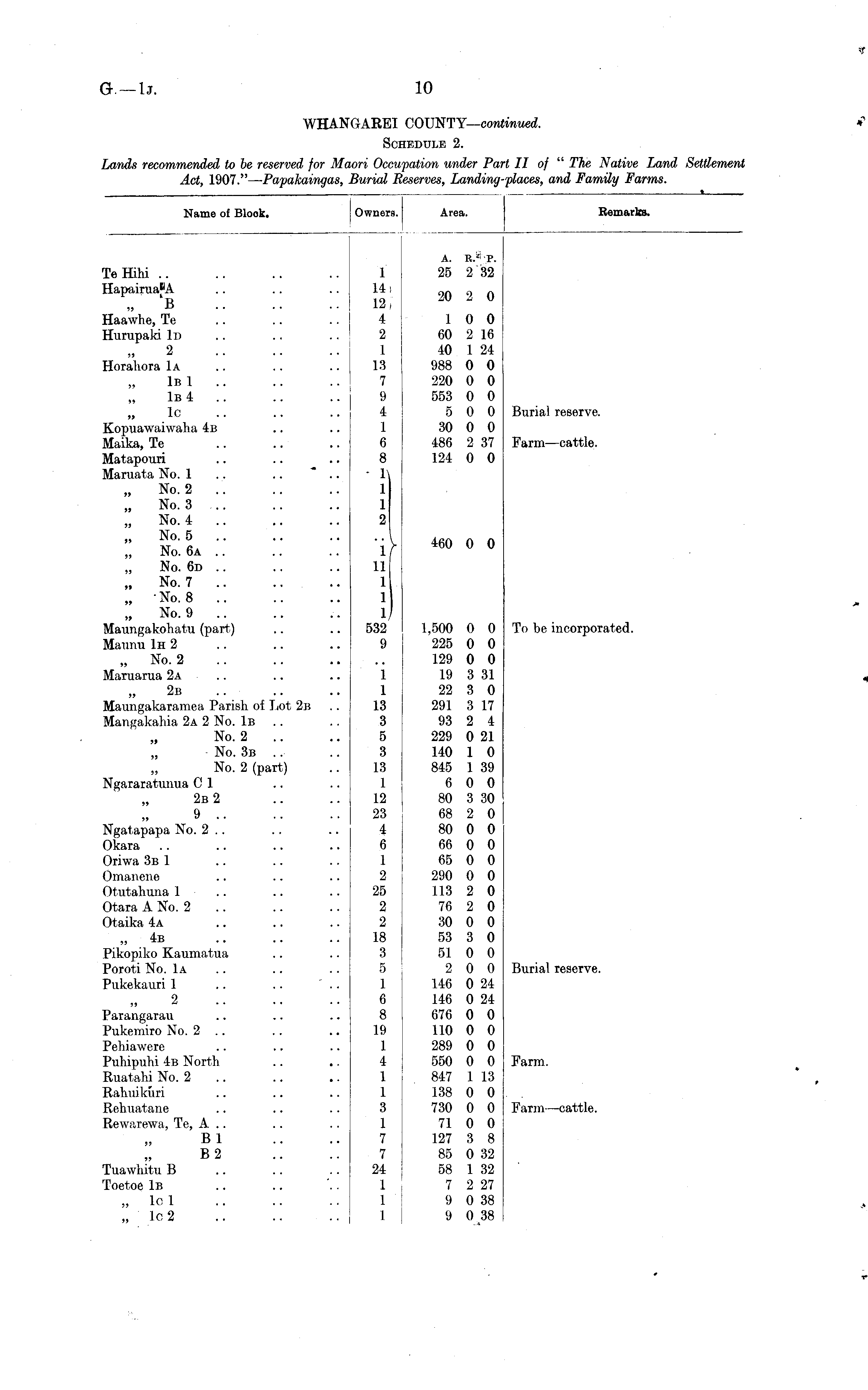
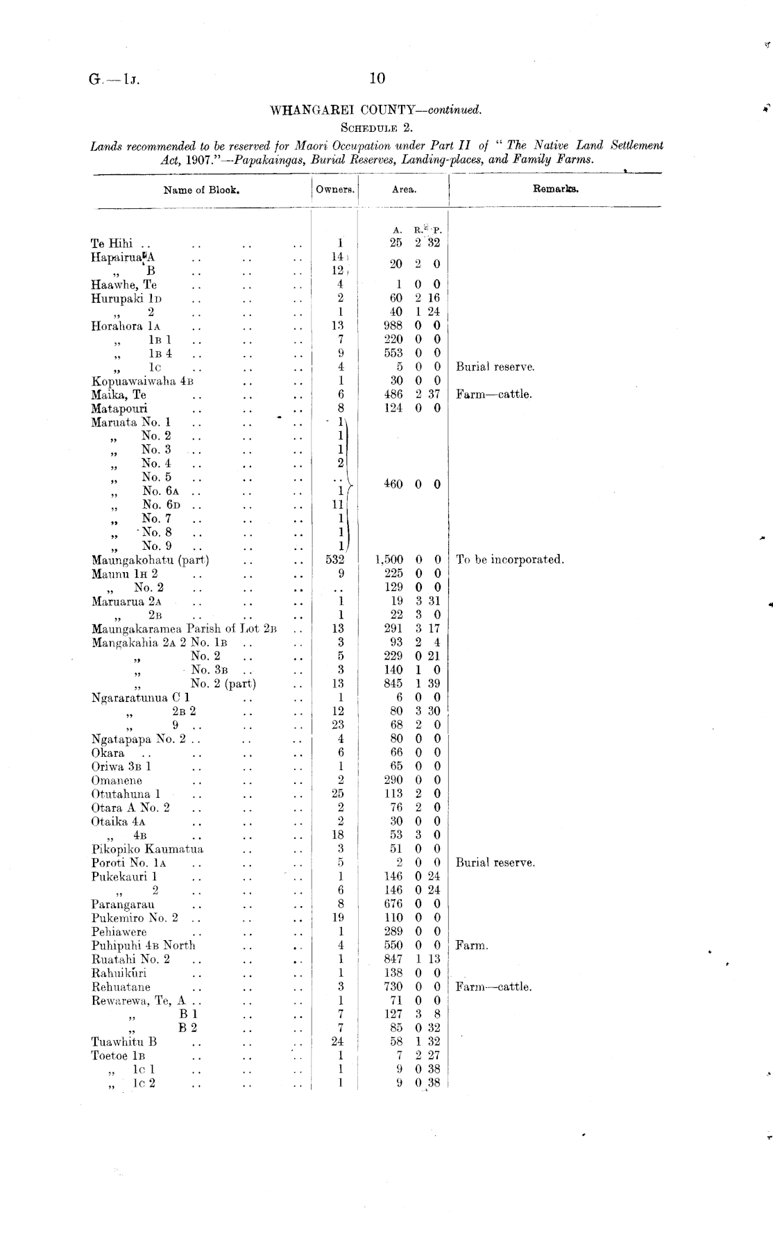
WHANGAREI COUNTY— continued. Schedule 2. Lands recommended to be reserved for Maori Occupation under Part II of " The Native Land Settlement Act, 1907." — Papakaingas, Burial Reserves, Landing-places, and Family Farms.

Name of Blook. Owners. Area. Remarks. TeHihi .. HapairualA „ 'B Haawhe, Te Hurupaki Id „ 2 Horahora Ia Ib 1 .. 1b4 .. lc 1 14i 12 i 4 2 I 13 7 9 4 1 6 8 1\ 1 1 2 A. .{.V. 25 2 32 20 2 0 1 0 0 60 2 16 40 1 24 988 0 0 220 0 0 553 0 0 5 0 0 30 0 0 486 2 37 124 0 0 Burial reserve. Kopuawaiwaha 4b Maika, Te Matapouri Maruata No. 1 „ No. 2 .. No. 3 .. „ No. 4 .. „ No. 5 .. No. 6a .. No. 6d .. „ No. 7 .. „ ' No. 8 No. 9 Maungakohatu (part) Maunu Ih 2 „ No. 2 Maruarua 2a 2b Maungakaramea Parish of Lot 2b Mangakahia 2a 2 No. Ib .. No. 2 No. 3b .. No. 2 (part) Ngararatunua CI 2b 2 9 .. Ngatapapa No. 2 .. Okara Oriwa 3b 1 Omanene Otutahuna 1 Otara A No. 2 Otaika 4a „ 4b Pikopiko Kaumatua Poroti No. Ia Pukekauri 1 2 Parangarau Pukemiro No. 2 .. Pehiawere Puhipuhi 4b North Ruatahi No. 2 Rahuikuri Rehuatane Rewarewa, Te, A .. Bl ,, B 2 Tuavvhitu B Toetoe Ib „ lcl „ lc2 •• \ 1/ 11 1 1 1/ 532 9 1 1 13 3 5 3 13 1 12 23 4 6 1 2 25 2 2 18 3 5 1 6 8 19 1 4 24 460 0 0 1,500 0 0 225 0 0 129 0 0 19 3 31 22 3 0 291 3 17 93 2 4 229 0 21 140 1 0 845 1 39 6 0 0 80 3 30 68 2 0 80 0 0 66 0 0 65 0 0 290 0 0 113 2 0 76 2 0 30 0 0 53 3 0 51 0 0 2 0 0 146 0 24 146 0 24 676 0 0 110 0 0 289 0 0 550 0 0 847 1 13 138 0 0 730 0 0 71 0 0 127 3 8 85 0 32 58 1 32 7 2 27 9 0 38 9 0 38 Farm —cattle. To be incorporated. Burial reserve. Farm. Farm—cattle.

Log in or create a Papers Past website account

Use your Papers Past website account to correct newspaper text.

By creating and using this account you agree to our terms of use.

Log in with RealMe®

If you’ve used a RealMe login somewhere else, you can use it here too. If you don’t already have a username and password, just click Log in and you can choose to create one.


Log in again to continue your work

Your session has expired.

Log in again with RealMe®


Alert