Page image
Page image

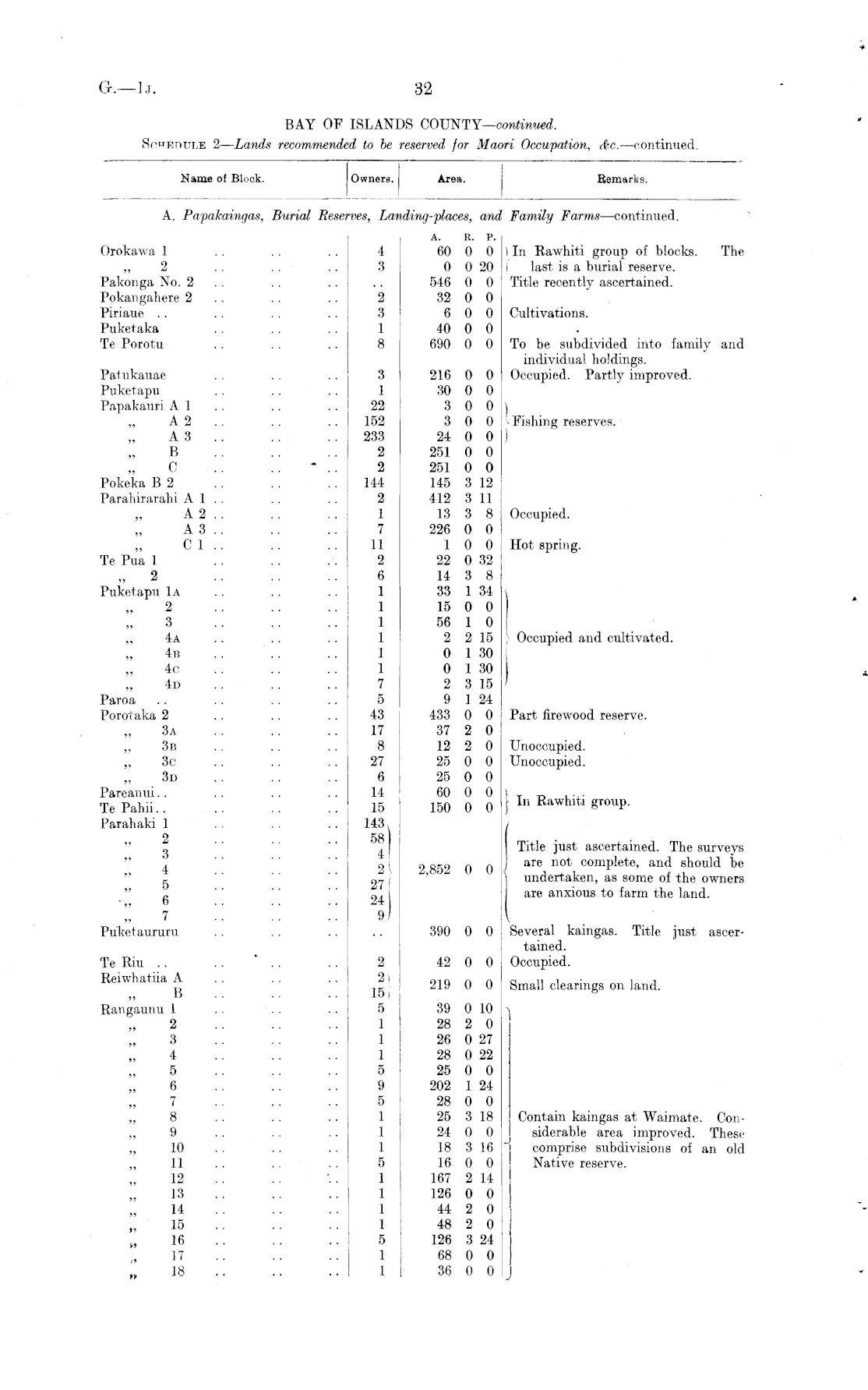
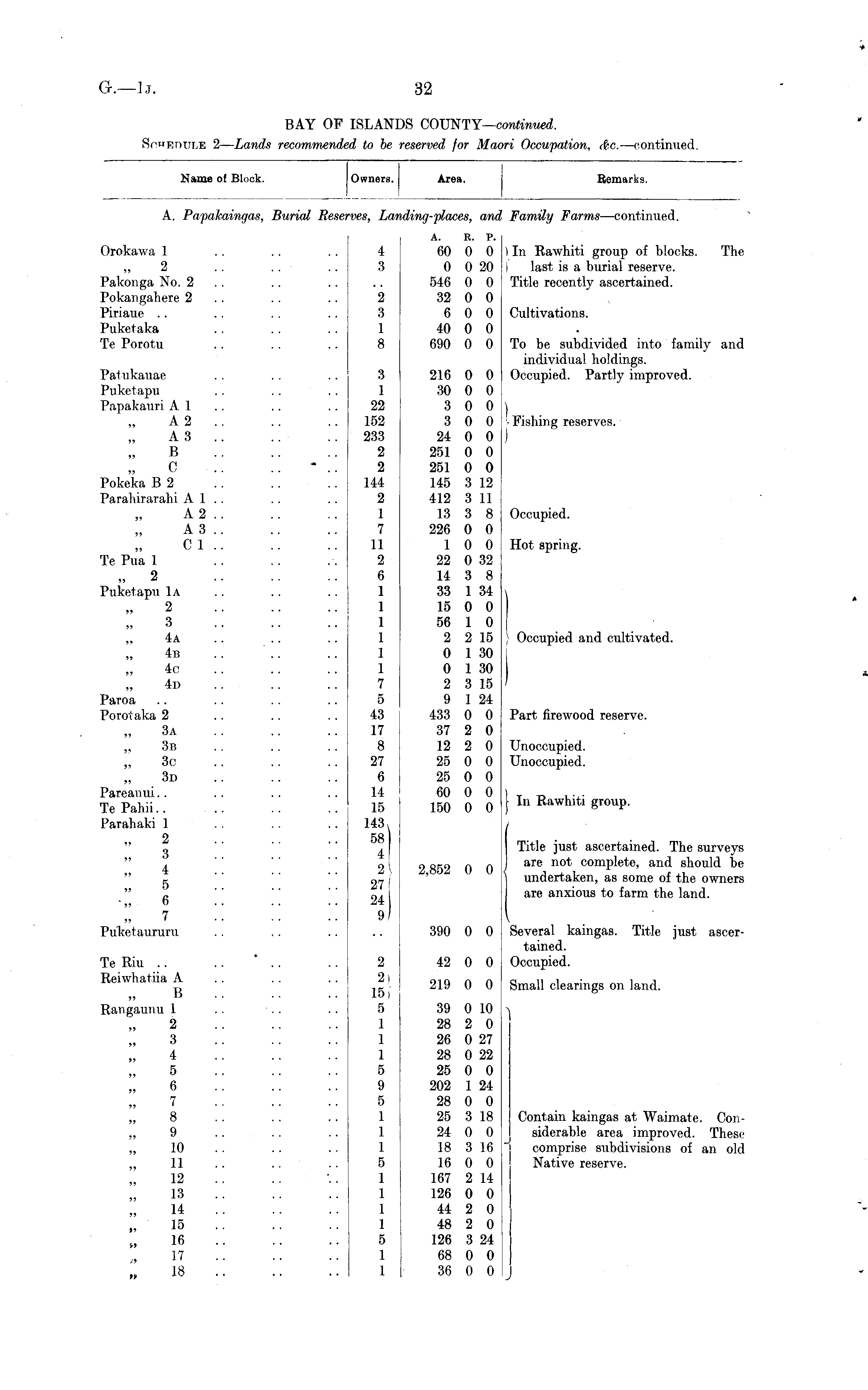
Q.—lj.

BAY OF ISLANDS COUNTY— continued. Schedule 2— Lands recommended to be reserved for Maori Occupation, &c. —continued.

32

Name of Block. Owners. Area. Remarks. A. Papakaingas, Burial Rese; •ves, La: ding-places, am Family Farms —continued. Orokawa 1 „ 2 Pakonga No. 2 .. Pokangahere 2 .. Piriaue Puketaka Te Porotu 4 3 2 3 1 8 A. r. p. 60 0 0 0 0 20 546 0 0 32 0 0 6 0 0 40 0 0 690 0 0 ) In Rawhiti group of blocks. The I last is a burial reserve. Title recently ascertained. Cultivations. To be subdivided into family and individual holdings. Occupied. Partly improved. Patukauae Puketapu Papa kauri A 1 A 2 .. A3 B C .. .. Pokeka B 2 Parahirarahi A 1 .. A 2 A3 CI Te Pua 1 „ 2 Puketapu Ia 2 3 4a 4b 4c 4d Paroa Porotaka 2 3a 3b 3c 3d 3 1 22 152 233 2 2 144 2 1 7 11 2 6 1 1 1 1 1 1 7 5 43 17 8 27 6 14 15 143, i\ 2\ 27! 24 I 9) 216 0 0 30 0 0 3 0 0 3 0 0 24 0 0 251 0 0 251 0 0 145 3 12 412 3 11 13 3 8 226 0 0 1 0 0 22 0 32 14 3 8 33 1 34 15 0 0 56 1 0 2 2 15 0 1 30 0 1 30 2 3 15 9 1 24 433 0 0 37 2 0 12 2 0 25 0 0 25 0 0 60 0 0 150 0 0 -Fishing reserves. Occupied. Hot spring. ) Occupied and cultivated. ) Part firewood reserve. Unoccupied. Unoccupied. Pareanui.. Te Pahii Parahaki 1 2 3 „ 4 „ 5 „ 6 „ 7 Pukctaururu [ In Rawhiti group. 2,852 0 0 Title just ascertained. The surveys are not complete, and should be undertaken, as some of the owners are anxious to farm the land. 390 0 0 v Several kaingas. Title just ascertained. Occupied. Te Riu .. Reiwhatiia A B Rangaunu 1 2 3 4 5 6 7 8 9 10 11 12 .. 13 14 „ 15 16 17 18 2 2) 15, 5 1 1 1 5 9 5 1 1 1 5 1 1 1 1 5 1 1 42 0 0 219 0 0 39 0 10 28 2 0 26 0 27 28 0 22 25 0 0 202 1 24 28 0 0 25 3 18 24 0 0 18 3 16 16 0 0 167 2 14 126 0 0 44 2 0 48 2 0 126 3 24 68 0 0 36 0 0 Small clearings on land. Contain kaingas at Waimate. Considerable area improved. These comprise subdivisions of an old Native reserve.

Log in or create a Papers Past website account

Use your Papers Past website account to correct newspaper text.

By creating and using this account you agree to our terms of use.

Log in with RealMe®

If you’ve used a RealMe login somewhere else, you can use it here too. If you don’t already have a username and password, just click Log in and you can choose to create one.


Log in again to continue your work

Your session has expired.

Log in again with RealMe®


Alert