Page image
Page image

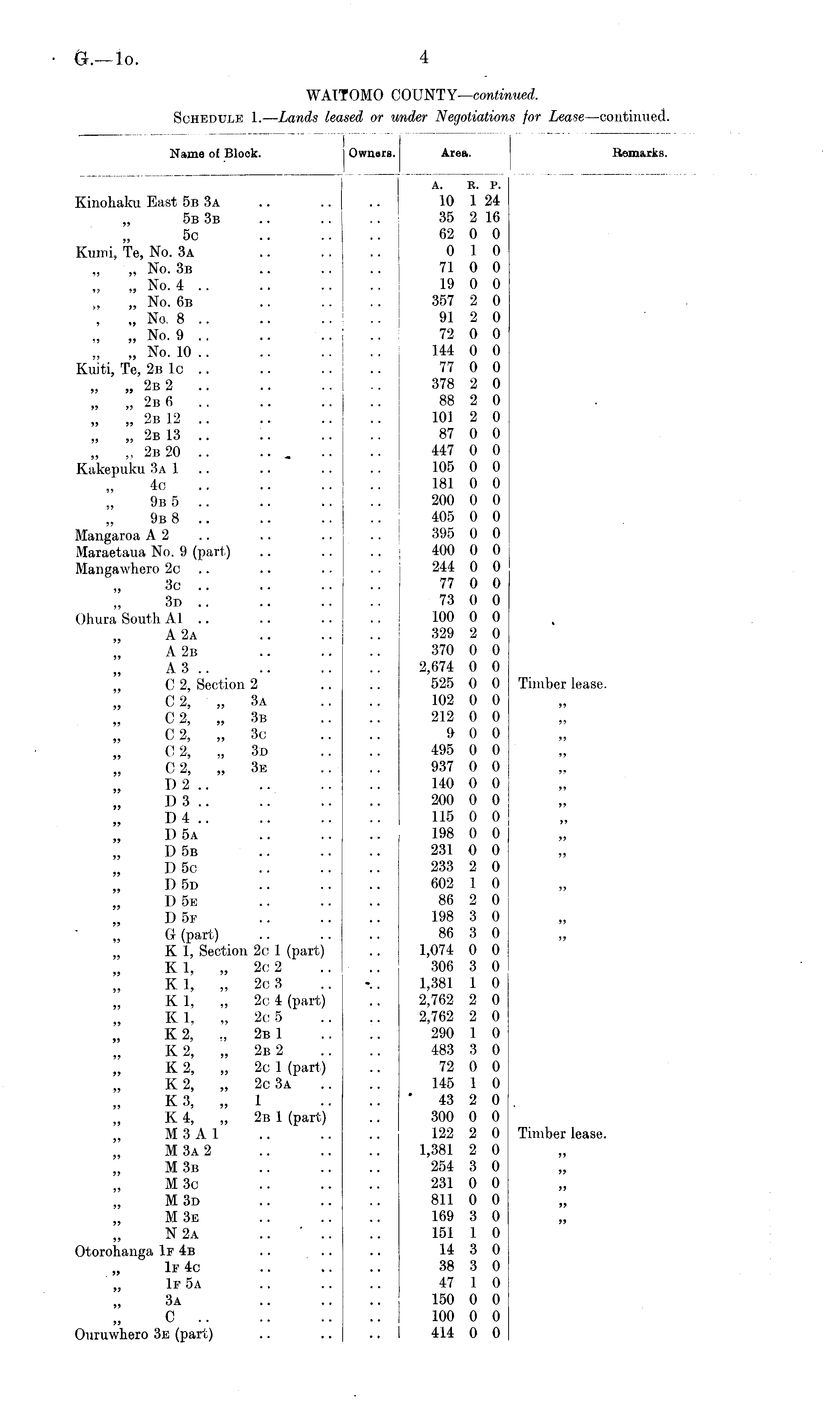
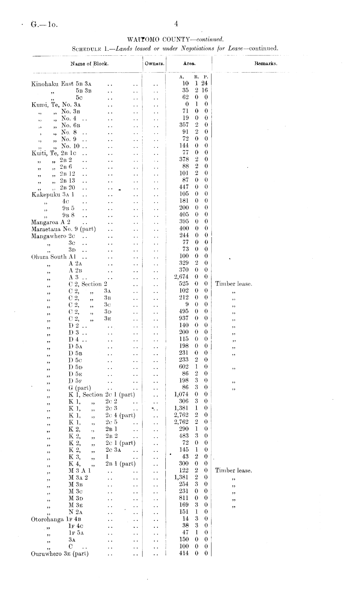
4

Gk—io

WAITOMO COUNTY— continued. Schedule 1. — Lands leased or under Negotiations for Lease —continued.

Name of Block. Owners. Area. ttem&rks. Onohaku East 5b 3a 5b 3b 5c Kumi, Te, No. 3a „ No. 3b „ No. 4 .. „ „ No. 6b , ., No. 8 „ No. 9 .. „ No. 10 .. Kuiti, Te, 2b lc .. „ „ 2b 2 „ 2b 6 .. „ 2b 13 .. „ 2b 20 .. ... Kakepuku 3a 1 4c 9b 5 .. 9b 8 .. Hangaroa A 2 VIaraetaua No. 9 (par!) Uangawhero 2c 3c 3d Jhura South Al .. A 2a A 2b A3 C 2, Section 2 C2, „ 3a C2, „ 3b 0 2, „ 3o 0 2, „ 3d C2, „ 3e D2 D3 D 4 D5a D5b D5c D5d D5b D 5f „ G (part) K 1, Section 2c 1 (part) Kl, „ 2c 2 Kl, „ 2c 3 Kl, „ 2c 4 (part) Kl, „ 2c 5 K2, „ 2b 1 K2, „ 2b 2 K 2, „ 2c 1 (part) K2, „ 2c 3a K3, „ 1 K 4, „ 2b 1 (part) M3A1 M3a2 M 3b M3o M3d M3b N2a .. ' .. Dtorohanga If 4b .. lr 4c If 5a 3a C Duruwhero 3e (part) A. E. P. 10 1 24 35 2 16 62 0 0 0 1 0 71 0 0 19 0 0 357 2 0 91 2 0 72 0 0 144 0 0 77 0 0 378 2 0 88 2 0 101 2 0 87 0 0 447 0 0 105 0 0 181 0 0 200 0 0 405 0 0 395 0 0 400 0 0 244 0 0 77 0 0 73 0 0 100 0 0 329 2 0 370 0 0 2,674 0 0 525 0 0 102 0 0 212 0 0 9 0 0 495 0 0 937 0 0 140 0 0 200 0 0 115 0 0 198 0 0 231 0 0 233 2 0 602 1 0 86 2 0 198 3 0 86 3 0 1,074 0 0 306 3 0 1,381 1 0 2,762 2 0 2,762 2 0 290 1 0 483 3 0 72 0 0 145 1 0 ' 43 2 0 300 0 0 122 2 0 1,381 2 0 254 3 0 231 0 0 811 0 0 169 3 0 151 1 0 14 3 0 38 3 0 47 1 0 150 0 0 100 0 0 414 0 0 Timber lease. ,5 ,, ,, ,, ,, ,, »> ,, ,, ,, *5 Timber lease. >, ,, jj ,? ,,

Log in or create a Papers Past website account

Use your Papers Past website account to correct newspaper text.

By creating and using this account you agree to our terms of use.

Log in with RealMe®

If you’ve used a RealMe login somewhere else, you can use it here too. If you don’t already have a username and password, just click Log in and you can choose to create one.


Log in again to continue your work

Your session has expired.

Log in again with RealMe®


Alert