Page image
Page image

Gk—lo

6

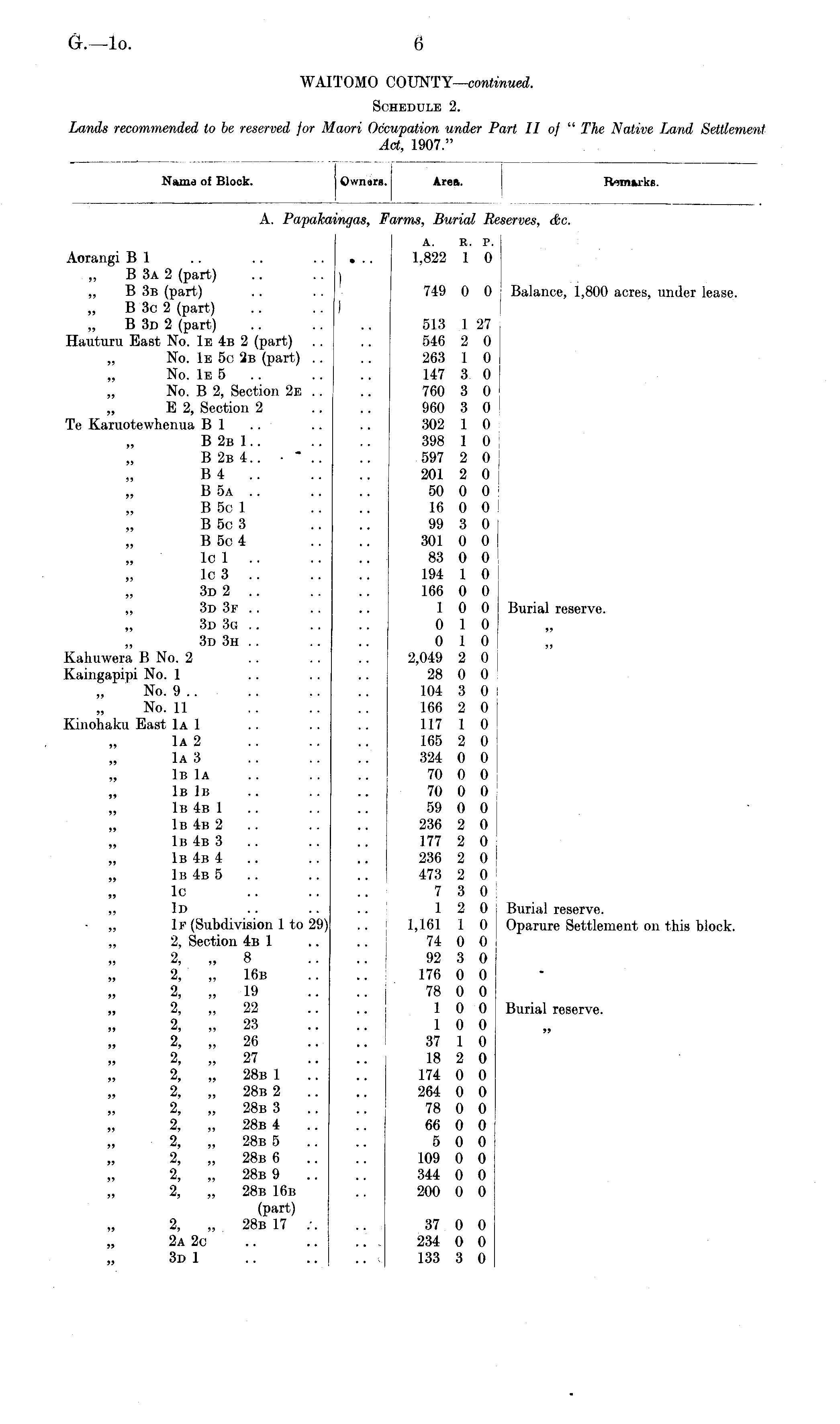
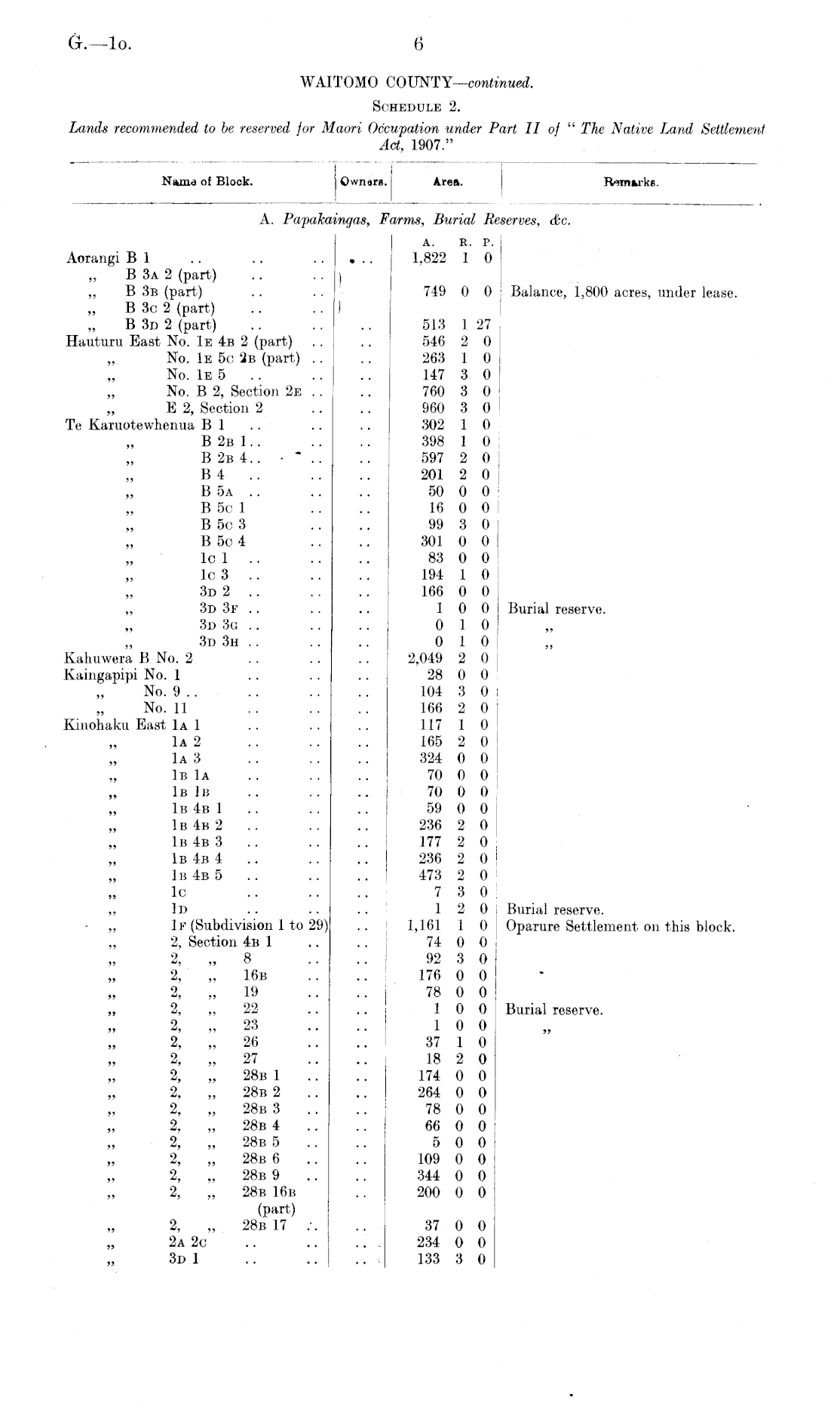
WAITOMO COUNTY— continued. Schedule 2. Lands recommended to be reserved for Maori Occupation under Part II of " The Native Land Settlement Act, 1907."

Name of Block. Owners. Area. Remn-ke. A. Papaka,' ingas, Ft wms, Burial Rt ;serves, &c. Aorangi B 1 B 3a 2 (part) B 3b (part) B 3c 2 (part) B 3d 2 (part) Hauturu East No. 1e 4b 2 (part) „ No. Iβ 5c 2b (part) .. „ No. 1e 5 No. B 2, Section 2e .. E 2, Section 2 Te Karuotewhenua B 1 B 2b 1.. B2b4.. • * .. B4 .. B 5a .. B 5c 1 B 5c 3 B 5c 4 lcl .. lc 3 .. 3d 2 ... „ 3d 3f .. 3d 3g .. 3d 3h .. Kahuwera B No. 2 Kaingapipi No. 1 No. 9.. No. 11 Kinohaku East Iα 1 Iα 2 Iα 3 „ Iβ Iα Iβ Iβ „ Iβ 4b 1 Iβ 4b 2 .. Iβ 4b 3 „ Iβ 4b 4 „ Iβ 4b 5 lc Id ■ „ If (Subdivision 1 to 29) „ 2, Section 4b 1 » 2, „ 8 2, „ 16b „ 2, ,,19 2, ,,22 2, „ 23 2, ,,26 2, ,,27 2, „ 28b 1 2, „ 28b 2 .. 2, „ 28b 3 .. 2, „ 28b 4 .. 2, „ 28b 5 .. 2, „ 28b 6 .. 2, „ 28b 9 .. 2, „ 28b 16b (part) 2, „ 28b 17 /. 2a 2c 3d1 • .. A. R. P. 1,822 1 0 ) I 749 0 0 513 1 27 546 2 0 263 1 0 147 3 0 760 3 0 960 3 0 302 1 0 398 1 0 597 2 0 201 2 0 50 0 0 16 0 0 99 3 0 301 0 0 83 0 0 194 1 0 166 0 0 1 0 0 0 1 0 0 1 0 2,049 2 0 28 0 0 104 3 0 166 2 0 117 1 0 165 2 0 324 0 0 70 0 0 70 0 0 59 0 0 236 2 0 177 2 0 236 2 0 473 2 0 7 3 0 1 2 0 1,161 1 0 74 0 0 92 3 0 176 0 0 78 0 0 1 0 0 1 0 0 37 1 0 18 2 0 174 0 0 264 0 0 78 0 0 66 0 0 5 0 0 109 0 0 344 0 0 200 0 0 Balance, 1,800 acres, under lease. Burial reserve. „ Burial reserve. Oparure Settlement on this block. Burial reserve. j> 37 0 0 234 0 0 133 3 0

Log in or create a Papers Past website account

Use your Papers Past website account to correct newspaper text.

By creating and using this account you agree to our terms of use.

Log in with RealMe®

If you’ve used a RealMe login somewhere else, you can use it here too. If you don’t already have a username and password, just click Log in and you can choose to create one.


Log in again to continue your work

Your session has expired.

Log in again with RealMe®


Alert