Page image
Page image

9

b..—la.

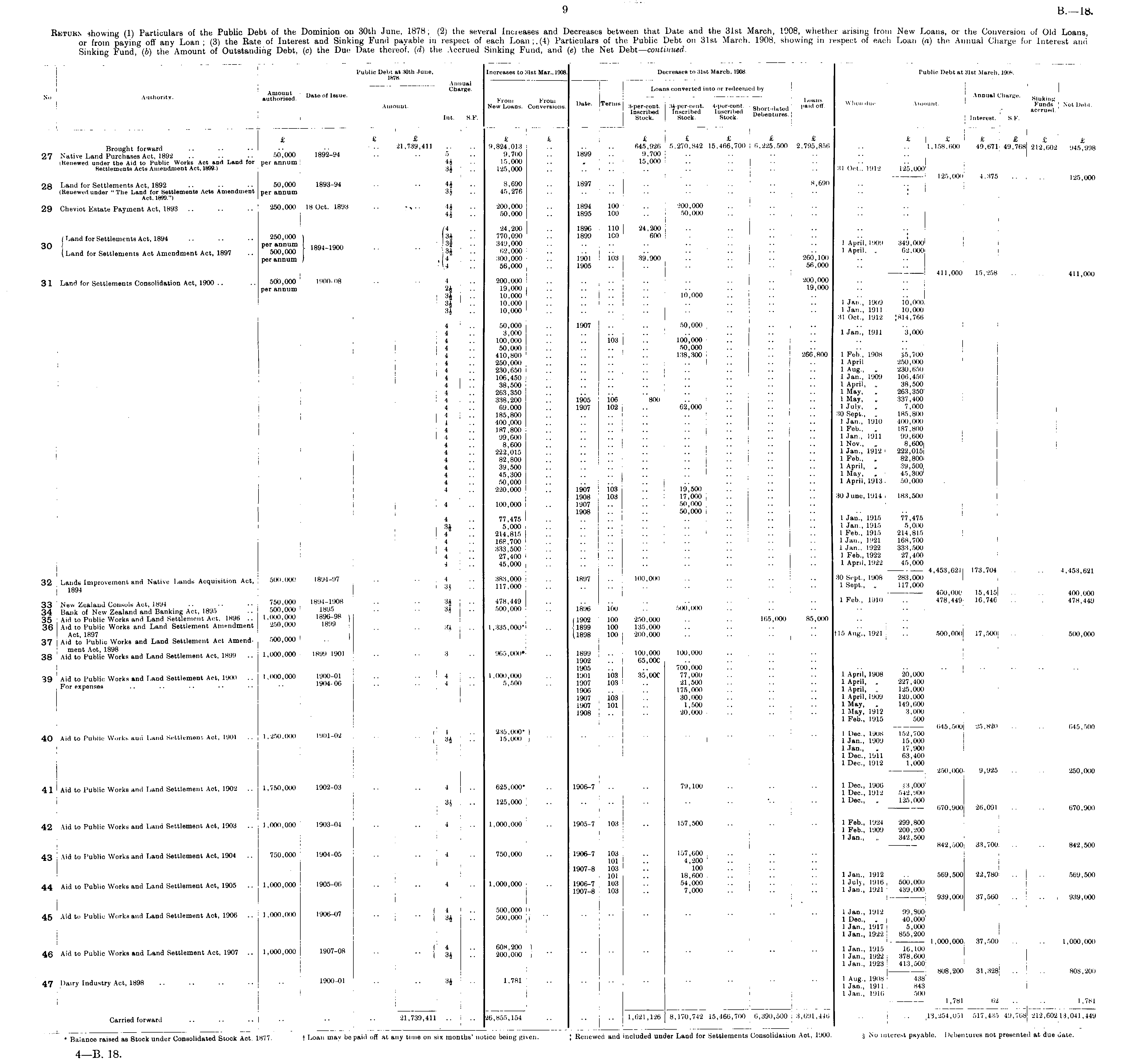
Return showing (1) Particulars of the Public Debt of the Dominion on 30th June, 1878; (2) the several Increases and Decreases between that Date and the 31st March, 1908, whether arising from New Loans, or the Conversion of Old Loans, or from paying off any Loan; (3) the Rate of Interest and Sinking Fund payable in respect of each Loan;.(4) Particulars of the Public Debt on 31st March, 1908, showing in respect of each Loan (a) the Annual Charge for Interest and Sinking Fund, (b) the Amount of Outstanding Debt, (c) the Due Date thereof, (d) the Accrued Sinking Fund, and (e) the Net Debt— continued.

. Balanoe raised as Stock under Consolidated Stook Aot, 1877. t Loan may be paid off at any time on six months' notice being given. } Renewed and included under Land for Settlements Consolidation Aot, 1900. gNo interest payable. Debentures not presented at due date. 4—B. 18.

Public Debt at 30th June, 1878. Increases to 31st Mar., 1908. Decreases to 31st March, 1908. Public Debt at 31et March, 1908. No. Authority. .AhSd. ! D »'° °* Iesu «- __ Annual Charge. Loans converted into or redeemed by Date. Terms, ,).p er . oent 3*-per-cent. 4-per-oent. ■ ev ,_,. f j uf .j paid off. Inscribed Inscribed Inscribed S°h'tnr« Stock. Stock. Stock. Debentures. I Annual Charge. sinkiBg When duo. Amount. Funds Net Debt. accrued. - " nil. iLiiii^iiii Amount. From From New Loans. Conversions. Int. I S.F. Interest. S.F. I : i £ Brought forward 27 Native Land Purchases Act, 1892 .. .. .. 50,000 1892-94 {Renewed under the Aid to Public Works Act and Land for per annum Settlements Acts Amendment Act, 1899.) £ £ ■.. 21,739,411 - - \i :: 3* £ £ 9,824,013 9,700 15,000 125,000 £ £ £ £ £ 645,926 5.270.842 15.466,700 6,225,500 ; 2,795,856 1899 .. 9,700 15,000 £ £ £ £ £ £ 1,158,600 49,671 49,768 212,602! 945,998 31 Oct., 1912 125,000 125,000 4,375 .. .. 125,000 . 28 Land for Settlements Act, 1892 .. •• •• 50,000; 1893-94 (Renewedunder "The Land for Settlements Acts Amendment per annum Act, 1899.") 4* 3} .. 8,690 45,276 1897 .. .. .. .. •• 8,690 i 29 J Cheviot Estate Payment Act, 1893 250,000 i 18 Oct. 1893 .. : r ,.. H .. 4£ 200,000 50,000 1894 100 .. -200,000 1895 100 .. 50,000 (Land for Settlements Act, 1894 .. .. •• 250,000 j 30 \ P er annum I 1894-1900 I Land for Settlements Act Amendment Act, 1897 .. 500,000 f per annum ) 4 •■ J 4 :: ■ 4 24,200 770,090 349,000 62,000 300,000 56,000 1896 110 24,200 1899 100 600 1 April, 1909 349,000 ] April, „ 62,000 I 411,000 15,258 .. .. 411,000 31 Land for Settlements Consolidation Act, 1900 .. .. 500,000 1900-08 per annum 4 200,000 19,000 10,000 10,000 I 10,000 1901 103 39.900 .. .. •• 260,100 1905 .. .. •• .. •• 56,000 200,000 19,000 10,000 1 Jar., 1909 10,000 1 Jan., 1911 \ 10,000 31 Oct., 1912 , ;814,766| I ■ 4 4 4 4 4 4 4 4 4 4 4 4 I i \ i 4 4 4 4 4 4 4 4 4 4 50,000 3,000 100,000 50,000 410,800 250,000 230,650 106,450 38,500 263,350 338,200 69.000 185,800 400 ,000 187,800 99,600 8,600 222,015 82,800 39,500 45,300 50,000 220,000 1907 .. .. 50,000 103 .. 100,000 50,000 138,300 .. .. 266,800 ' T --,--- 1 Jan., 1911 j 3,000; .. j 1 Feb., 1908 §5,700 1 April 250,000, 1 Aug., , 230,650 1 Jan., 1909 : 106,45o! 1 April, „ i 38,500 1 May, . . 263,350' 1 May, „ 337,400 Uuly, » 7,000 SO Sept., ., 185,800 1 Jan., 1910 400,000 1 Feb., „ 187,800 1 Jan., 1911 i 99,600 1 Nov., „ 8,600 1 Jan., 1912 i 222,015 1 Feb., . ' 82,800 1 April, . 39,50O| 1 May, , 45,300 1 April, 1913. 50,0001 1905 106 800 I 1907 102 .. 62,000 100,000 1907 103 .. 19,500 1908 103 .. 17,000 1907 .. -. 50,000 .. .. 1908 .. .. 50,000 30 June, 1914 i 183,500 I . 4 ? :: 4 4 4 4 77,475 5,000 214,815 16e,700 333,500 27,400 45,000 1 Jan., 1915 77,475 1 Jan., 1915 5,0001 lFeb., 1915 214,815' 1 Jan., 1921 168,700 1 Jan., 1922 I 333,500 1 Feb., 1922 ! 27,400 ! 1 April, 1922 45,000 ; 4,453,62]j 173,704 .. .. 4,453,621 30 Sept., 1908 283,000 1 Sept., „ 117,000; ; 400,000 15,415 .. .. 400 000 1 Feb., 1910 1 .. 478,449 16,746 .. .. 478,449 32 Lands Improvement and Native Lands Acquisition Act, 500,000 1894-97 1894 .. .. 4 8* 383,000 117,000 1897 .. 100,000 33 New Zealand Console Act, 1894 750,000 1894-1908 34 Bank of New Zealand and Banking Act, 1895 .. 50 ?'°™ i , "„. 35 Aid to Public Works and Land Settlement Act. 1896 .. l.0°0,000 16^T > 36 Aid to Public Works and Land Settlement Amendment 250,000 ; 1899 37 Aid to Public Works and Land Settlement Act Amend- 500,000 38 Aid to Public Works and Land Settlement Act, 1899 .. 1,000,000 1899-1901 3J 3* 8 478,449 500,000 1896 100 .. 500,000 .. 1,335,000' 965,000* 1,000,000 5,500 (1902 100 250,000 I .. .. 165,000 85,000 1899 100 135,000 (1898 100 200,000 .. 1899 .. 100,000 100,000 1902 .. 65.00C 1905 .. .. 700,000 1901 103 35.O0C 77,000 1907 103 .. 21,500 : .. i .. 1906 .. .. 175,000 j 1907 103 .. 30,000 ! 1907 101 .. 1,500 .. .. 1908 .. .. 20,000 tlo Aug., 1921 .. 500,000 17,500 .. .. 500,000 1 April, 1908 ; 20,000 1 April, „ 227,400 1 April, „ j 125,000! 1 April, 1909 120,000 IMay, „ 149,600 1 May, 1912 3,000 1 Feb., 1915 I 500 39 Aid to Public Works and Land Settlement Act, 1900 .. 1,000,000 190O '°l For expenses .. .. ■. • • • • • • 1904-06 4 4 40 Aid to Public Works and Land Settlement Act, 1901 .. 1,250,000 1901-02 I 4 ■■ 1 3J .. 235,000*! 1 15,000 I ! 645,500 25,8201 .. .. 645,500 1 Dec, 1908 i l!W,700 1 Jan., 1909 ! 15,000| Uan., , 17,900 1 Dec, 1911 63,400 1 Dec, 1912 1,000 ; \ 250,000 9,925 .. .. 250,000 4 1 Aid to Public Works and Land Settlement Act, 1902 .. 1,750,000 1902-03 4 625,000' 1906-7 .. .. 79,100 1906-7 1 Dec, 1906 §3,000! 1 Dec, 1912 542,900 1 Dec, , 125,000 8) 125,000 i 670,900 26,091 .. .. 670,900 42 Aid to Public Works and Land Settlement Aot, 1903 .. 1,000,000 1903-04 4 1,000,000 1905-7 103 .. 157,500 1905-7 103 1 Feb., 1924 299,800, 1 Feb., 1909 200,200; Uan., „ 342,500 842,500 33,700 .. .. 842,500 43 Aid to Publio Works and Land Settlement Act, 1904 .. 750,000 1904-05 4 750,000 1,000,000 1906-7 103 .. 157,600 101 .. 4,200 1907-8 103 .. 100 101 .. 18,600 1906-7 103 .. 54,000 1907-8 108 .. 7,000 1906-7 103 101 1907-8 103 101 1906-7 103 1907-8 j 103 Uan., 1912 .. 569,500 22,780 .. .. 569,500 1 July, 1916 500,000 1 Jan., 1921 439,000 939,000 37,560 .. .. 939,000 44 Aid to Publio Works and Land Settlement Act, 1905 .. 1,000,000 1905-06 4 45 Aid to Publio Works and Land Settlement Act, 1906 .. 1,000,000 1906-07 I 4 •■ 1 34 .. 500,000 I 500,000 f " Uan., 1912 99,800 1 Dec, „ 40,000 Uan., 1917 5,000: Uan., 1922 855,200 1,000,000 37,500 .. .. 1,000,000 1 Jan., 1915 16,100 1 Jan., 1922 378,600 Uan., 1923 413,500 808,200 31,328 .. .. 808,200 1 Aug., 1908 438 1 Jan., 1911 843 1 Jan., 1916 500 46 Aid to Public Works and Land Settlement Act, 1907 .. 1,000,000 1907-08 •• { 84 :: 608,200 ) 200,000 J 47 Dairy Industry Act, 1898 .. •. • • • • ' • • 1900-01 34 .. 1,781 Carried forward 21,739,411 .. 26,855,154 1,621,126 8,170,742 15,466,700 6,390,500 3,691,446 1,621,126 1,781 62 J .. .. 1,781 13,254,051 517,435 49,768 212,60213,041,449

Log in or create a Papers Past website account

Use your Papers Past website account to correct newspaper text.

By creating and using this account you agree to our terms of use.

Log in with RealMe®

If you’ve used a RealMe login somewhere else, you can use it here too. If you don’t already have a username and password, just click Log in and you can choose to create one.


Log in again to continue your work

Your session has expired.

Log in again with RealMe®


Alert