Page image
Page image

25

H.—ls

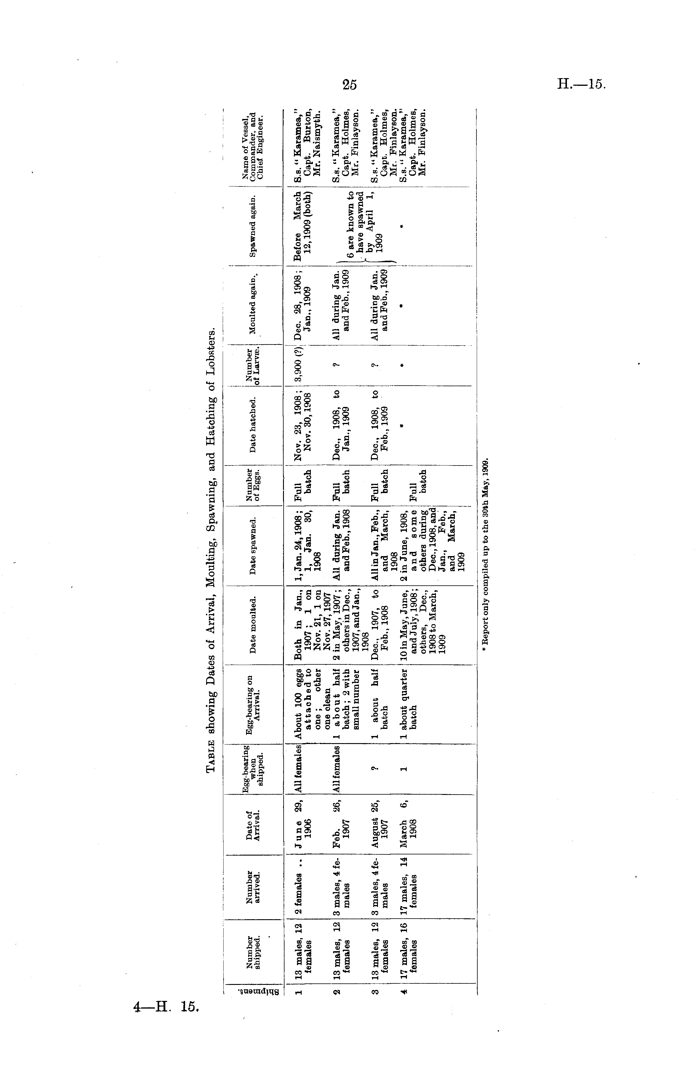
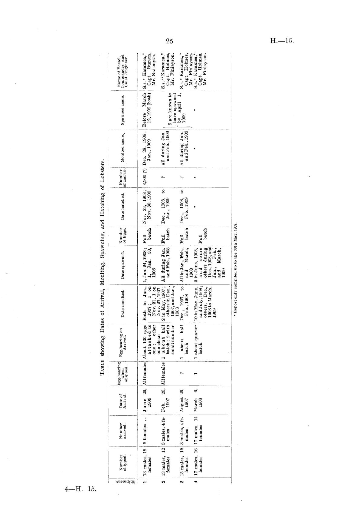
Table showing Dates of Arrival, Moulting, Spawning, and Hatching of Lobsters.

4—H. 15

C a Number shipped. Number arrived. Date of Arrival. Egg-bearing when shipped. Egg-bearing on Arrival. Date moulted. Date spawned. Number of Eggs. Date hatched. Number of Larvse. Moulted again. Spawned again. Name of Vessel, Commander, and Chief Engineer. st 13 males, 12 females 2 females .. June 29, 1906 All females About 100 eggs attached to one ; other one clean 1 about half batch; 2 with small number Both in Jan., 1907 ; 1 on Nov. 21, 1 on Nov. 27,1907 2 in May, 1907 ; others in Dec, 1907, and Jan., 1908 Dec, 1907, to Feb., 1908 1, Jan. 24,1908; 1, Jan. 30, 1908 Full batch Nov. 23, 1908; Nov. 30,1908 3,900 (?): Dec 28, 1908; ; Jan., 1909 Before March 12,1909 (both) B.s. " Karamea," Capt. Burton, Mr. Naismyth. 13 males, 12 females 3 males, 4 females Feb. 26, 1907 All females All during Jan. and Feb., 1908 Full batch Dec, 1908, to Jan., 1909 ? All during Jan. and Feb., 1909 All during Jan. and Feb., 1909 • 6 are known to have spawned I' by April 1, 1909 S.s. "Karamea," Capt. Holmes, Mr. Finlayson. 13 males, 12 females 3 males, 4 females August 25, 1907 ? 1 about half batch All in Jan., Feb., and March, 1908 2 in June, 1908, and some others during Dec, 1908, and Jan., Feb., and March, 1909 Full batch Dec, 1908, to Feb., 1909 ? S.s. "Karamea," Capt. Holmes, Mr. Finlayson. S.s." Karamea," Capt. Holmes, Mr. Finlayson. 17 males, 16 females 17 males, 14 females March 6, 1908 1 1 about quarter batch 10 in May, June, and July, 1908; others, Dec, 1908 to March, 1909 * * Full batch . ; . * Report onl; compiled up to the 30th Ma; ', 1909.

Log in or create a Papers Past website account

Use your Papers Past website account to correct newspaper text.

By creating and using this account you agree to our terms of use.

Log in with RealMe®

If you’ve used a RealMe login somewhere else, you can use it here too. If you don’t already have a username and password, just click Log in and you can choose to create one.


Log in again to continue your work

Your session has expired.

Log in again with RealMe®


Alert