Page image
Page image

H.—3l

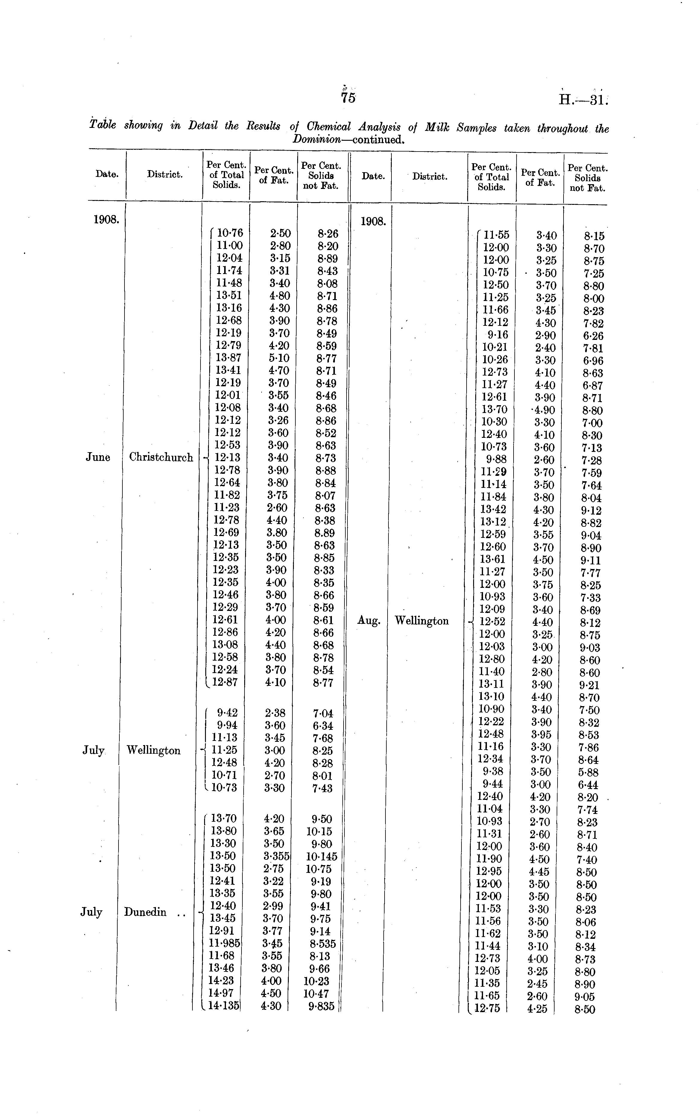
Table showing in Detail the Results of Chemical Analysis of Milk Samples taken throughout the Dominion —continued.

75

Date. District. Per Cent, of Total Solids. Per Cent, of Fat. Per Cent. Solids not Fat. Date. District. Per Cent, of Total Solids. Per Cent. of Fat. Per Cent. Solids not Fat. 1908. 1908. June Christchurch { 10-76 11-00 12-04 11-74 11-48 13-51 13-16 12-68 12-19 12-79 13-87 13-41 12-19 12-01 12-08 12-12 12-12 12-53 12-13 12-78 12-64 11-82 11-23 12-78 12-69 12-13 12-35 12-23 12-35 12-46 12-29 12-61 12-86 13-08 12-58 12-24 ,12-87 2-50 2-80 3-15 3-31 3-40 4-80 4-30 3-90 3-70 4-20 5-10 4-70 3-70 3-55 3-40 3-26 3-60 3-90 3-40 3-90 3-80 3-75 2-60 4-40 3.80 3-50 3-50 3-90 4-00 3-80 3-70 4-00 4-20 4-40 3-80 3-70 4-10 8-26 8-20 8-89 8-43 8-08 8-71 8-86 8-78 8-49 8-59 8-77 8-71 8-49 8-46 8-68 8-86 8-52 8-63 8-73 8-88 8-84 8-07 8-63 8-38 8.89 8-63 8-85 8-33 8-35 8-66 8-59 8-61 8-66 8-68 8-78 8-54 8-77 Aug. Wellington 11-55 12-00 12-00 10-75 12-50 11-25 11-66 12-12 9-16 10-21 10-26 12-73 11-27 12-61 13-70 10-30 12-40 10-73 9-88 11-29 11-14 11-84 13-42 13-12 12-59 12-60 13-61 11-27 12-00 10-93 12-09 12-52 12-00 12-03 12-80 11-40 13-11 13-10 10-90 12-22 12-48 11-16 12-34 9-38 9-44 12-40 11-04 10-93 11-31 12-00 11-90 12-95 12-00 12-00 11-53 11-56 11-62 11-44 12-73 12-05 11-35 11-65 12-75 3-40 3-30 3-25 • 3-50 3-70 3-25 3-45 4-30 2-90 2-40 3-30 4-10 4-40 3-90 ■4-90 3-30 4-10 3-60 2-60 3-70 3-50 3-80 4-30 4-20 3-55 3-70 4-50 3-50 3-75 3-60 3-40 4-40 3-25 3-00 4-20 2-80 3-90 4-40 3-40 3-90 3-95 3-30 3-70 3-50 3-00 4-20 3-30 2-70 2-60 3-60 4-50 4-45 3-50 3-50 3-30 3-50 3-50 3-10 4-00 3-25 2-45 2-60 4-25 8-15 8-70 8-75 7-25 8-80 8-00 8-23 7-82 6-26 7-81 6-96 8-63 6-87 8-71 8-80 7-00 8-30 713 7-28 7-59 7-64 8-04 9-12 8-82 9-04 8-90 9-11 7-77 8-25 7-33 8-69 8-12 8-75 9-03 8-60 8-60 9-21 8-70 7-50 8-32 8-53 7-86 8-64 5-88 6-44 8-20 7-74 8-23 8-71 8-40 7-40 8-50 8-50 8-50 8-23 8-06 8-12 8-34 8-73 8-80 8-90 9-05 8-50 July Wellington 9-42 9-94 1113 11-25 12-48 10-71 . 10-73 2-38 3-60 3-45 3-00 4-20 2-70 3-30 7-04 6-34 7-68 8-25 8-28 8-01 7-43 13-70 13-80 13-30 13-50 13-50 12-41 13-35 12-40 13-45 12-91 11-985 11-68 13-46 14-23 14-97 14-135 4-20 3-65 3-50 3-355 2-75 3-22 3-55 2-99 3-70 3-77 3-45 3-55 3-80 4-00 4-50 4-30 9-50 10-15 9-80 10-145 10-75 9-19 9-80 9-41 9-75 9-14 8-535 8-13 9-66 10-23 10-47 9-835 July Dunedin

Log in or create a Papers Past website account

Use your Papers Past website account to correct newspaper text.

By creating and using this account you agree to our terms of use.

Log in with RealMe®

If you’ve used a RealMe login somewhere else, you can use it here too. If you don’t already have a username and password, just click Log in and you can choose to create one.


Log in again to continue your work

Your session has expired.

Log in again with RealMe®


Alert