Page image
Page image

11

('. 3b

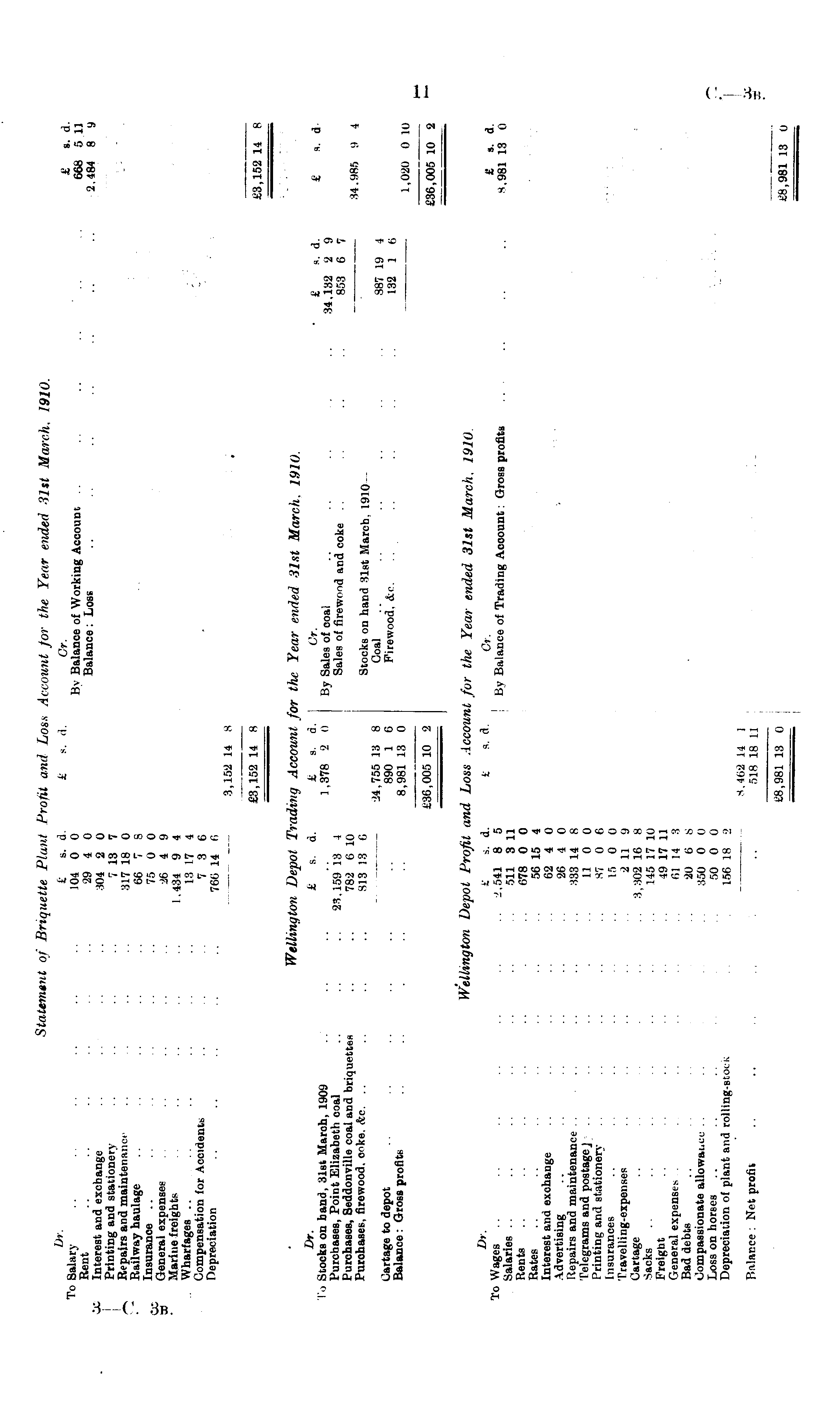
Statement of Briquette Plant Profit and Loss Account for the Year ended 31st March. 1910. l>r £ s. d. £ s. d. Or. £ s d T °Bal«y 104 0 0 By Balance of Working Account ' .. . 668 5 11 * e f ,•• , -29 40 . Balance: Loss 2.484 8 9 Interest and exchange .. . .. .. 304 2 0 Printing and stationery ........ 7 18 7 , Repairs and maintenance .. . .. 317 18 0 Bailway haulage .. .. .. .. .. 66 7 8 Insurance .. .. .. . .. .. 75 0 0 General expense? ~ .. .. .. 26 4 9 Marine freights .. .. .. .. 1.434 9 4 ~ Wharfages .. .. .. .. .. .. I?, 17 4 Compensation for Accident.- .... 7 3 6 Depreciation .. .. .. 766 14 6 3,152 14 8 £3,152 14 8 £3,152~14~8 Wellington Depot Trading Account for the Year ended 31st March, 1910. &*• £ a. d. £ s. d. Or ■ £ a d £ s d To Stocks on band, 31st Maroh, 1909 .. .. .. .. ],378 2(I By Sales of ooal 34 132 2 9 Purchases, Point Elizabeth ooal .. .. .. 23,159 13 4 Sales of firewood and coke " '853 6 7 Purchases, Seddonville coal and briquettes .. .. 782 610 . tj 4 98& ~ 4 Purohases, firewood, ooke. Ac. .. .. .. .. 813 13 6 Stocks on hand 31st March 1910- - 13 8 Goal .. 887 19 4 Cartage to depot .. 890 1 6 Firewood, &c. .. " " 132 1 6 Balance: Gross profits .. .. . .. .. 8,98113 0 ljo2o 010 £36,005 10 2 £36,005^uT~2 Wellington Depot Profit and Loss Account for the Year ended 31st March. 1910 D >- a s. d. £ s. d. Or. £ s. d To Wages .. .. .. .. .. J, 541 85! By Balance of Trading Acoount: Gross profits .. .. 8,981 13 0 salaries .. .. .. .. .. .. .. 5H 311 Rents .. .. .. .. .. . .. 678 0 0 Rates .. .. .. .. .. .. .. 56 15 4 Interest and exchange .. .. .. .. .62 4 0 Advertising .. .......... 26 4 0 Repairs and maintenance .. .. .. 333 14 8 Telegrams and postage J.. .. .. . .. 1100 Printing and stationery . . .. .. .. .. H7 0 6 Insurances .. .. .. .. .. .. 15 0 0 Travelling-expenses .. .. .. .. 211 9 Cartage .. .. . . .. ~ 8,303 16 8 Sacks .............. 145 17 10 *. Freight ............ 49 17 11 General expenses . . .. .. .. .. i>l 14 3 Bad debts ....... 6 S Compassionate allowance . . .. :i5O 0(I Loss on horses ....... 50 0 0 Depreciation of plant and rolling-stcx-K 156 18 2 5.462 14 1 Balance: Net profit ~ .. ~,, . .. 518 18 11 &>,981 13 0 88,981 18 0

3—C. 3b.

Log in or create a Papers Past website account

Use your Papers Past website account to correct newspaper text.

By creating and using this account you agree to our terms of use.

Log in with RealMe®

If you’ve used a RealMe login somewhere else, you can use it here too. If you don’t already have a username and password, just click Log in and you can choose to create one.


Log in again to continue your work

Your session has expired.

Log in again with RealMe®


Alert