Page image
Page image

13

■().— 3b

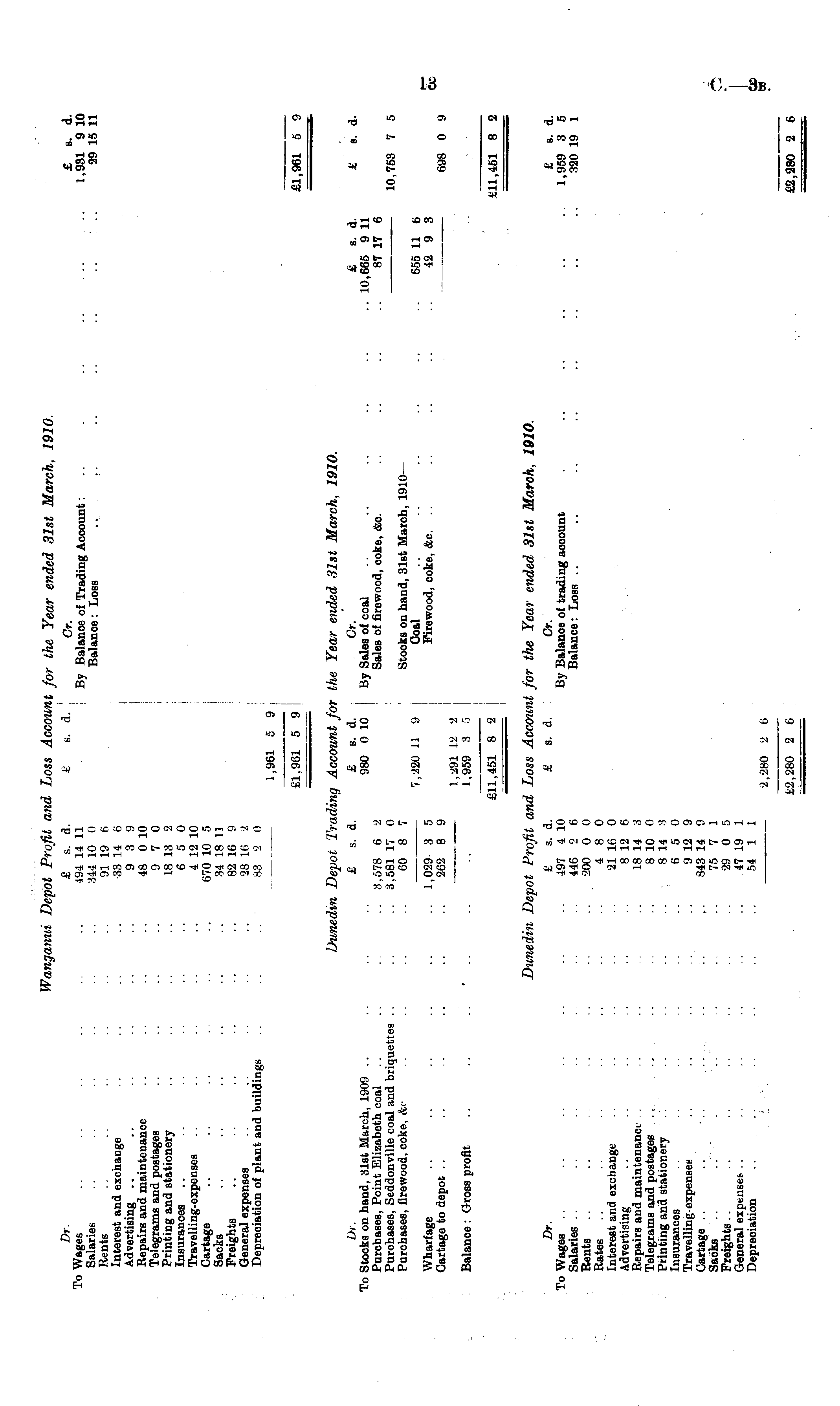
Wanganui Depot Profit and Loss Account for the Year ended 31st March, 1910 Dr. £ s. d. £ s. d. Cr. £ s. d. To Wages .. .. .. 494 14 11 By Balance of Trading Account: .. . .. .. .. .. 1,931 910 Salaries .. .. .. .. .. .. 344 10 o Balance: Loss .. .. .. .. .. .. .. 29 15 11 Rents .. .. .. .. .. .. 91 19 e> Interest and exchange .. .. .. .. -33 14 6 Advertising .. .. .. .. .. .. 939 Repairs and maintenance .. .. .. .. 48 010 Telegrams and postages .. .. .. .. 97 0 Printing and stationery .. . . .. .. 18 13 2 Insurances .. .. .. .. .. .. 650 Travelling-expenses .. .. .. .. .. 412 10 Cartage .. .. .. . . .. .. ej7o 10 5 Sacks .. .. .. .. .. .. 34 18 11 Freights .. .. .. .. .. .. 82 16 9 General expenses .. .. .. .. .. 28 16 '2 Depreciation of plant and buildings .. .. .. 88 8 0 1,961 6 9 £1.961 5 9 £1,961 5 9 Dunedm Depot Trading Account for the Year ended 81st March, 1910. Dr. £ s. d. £ s. d. i Cr. £ s. d. £ 8. d. To Stocks on hand, 31st March, 1909 .. .. .. .. 980 010 By Sales of coal .. .. .. .. .. .. 10,665 911 Purchases, Point Elizabeth coal .. .. . .. 3,578 6 2 Sales of firewood, coke, &o. .. .. .. .. 87 17 6 Purchases, Seddonville coal and briquettes .. .. .. 3,581 17 0 10,753 7 5 Purchases, firewood, coke, &o .. .. .. .. 60 8 7 Stooks on hand, 31st March, 1910— 7,220 U 9 Coal .. .. .. .. .. .. 655 11 6 Wharfage .. .. .. .. .. .. 1,029- 3 5 Firewood, coke, &c. .. .. .. .. .. 42 9 3 Cartage to depot ............ 262 8 9 698 0 9 —— 1,291 12 2 Balance: Gross profit .. .. .. .. .. 1,959 3 5 £11,451 8 2 E11,451 8 2 Duneiin Depot Profit and Loss Account for the Year ended 31st March, 1910. Dr. £ s. d. t s. d. Cr. £ s. d. To Wages .. .. .. .. .. .. .. 497 410 By Balanoe of trading account . .. .. .. .. . 1,959 3 5 Salaries .. .. .... . .. .. 446 2 6 Balance: Loss .. .. .. .. .. .. .. .. 320 19 1 Rents .. .. .. . . .. .. .. 200 0 0 Bates .. .. .. .. .. .. .. 480 Interest and exchange . . .. . . .. .. 21 16 0 Advertising .. .. .. .. .. .. 812 6 Repairs and maintenanci .. .. .. .. .. 18 14 3 Telegrams and postages ~ . .. .. .. 810 o Printing and stationery .. . . . . .. .814 o Insurances .. .. . .. .. .. 650 Travelling expenses .. .. .. . .. 912 9 Cartage .. .. . . .. .. .. .. 843 14 'J Sacks . . .. . . . .. .. .. 75 7 1 Freights.. .. .. .. .. .', .. 29 0 5 General expense!- .. .. .. .. . . .. 47 19 1 Depreciation .. .. .. .. .. . .54 1 1 £2,280 2 6 £2,280 2 6

Log in or create a Papers Past website account

Use your Papers Past website account to correct newspaper text.

By creating and using this account you agree to our terms of use.

Log in with RealMe®

If you’ve used a RealMe login somewhere else, you can use it here too. If you don’t already have a username and password, just click Log in and you can choose to create one.


Log in again to continue your work

Your session has expired.

Log in again with RealMe®


Alert