C. 5a
14
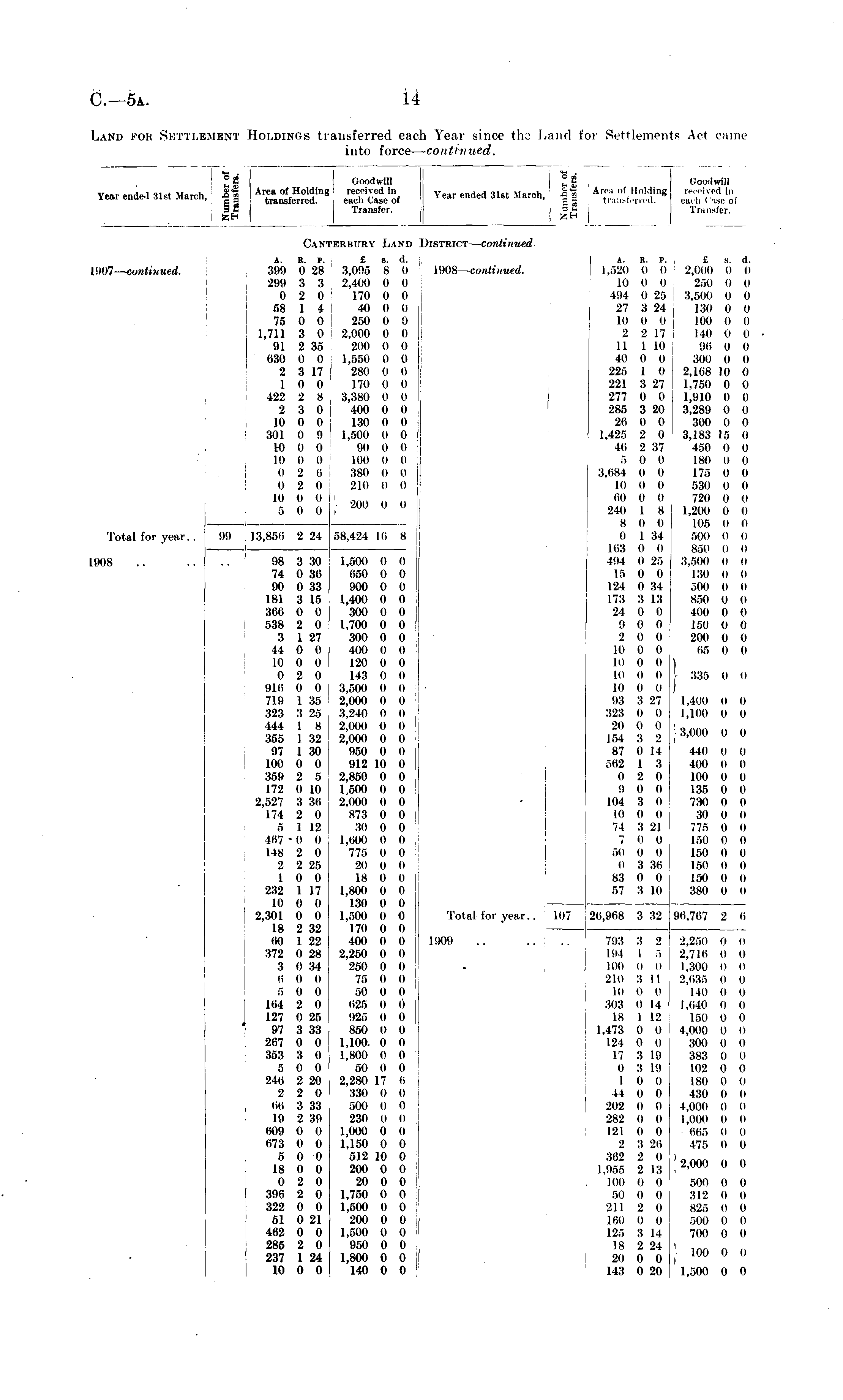
Land for Settlement Holdings transferred each Year since the Land for Settlements Act came into force— continued.
° 2 Goodwill ir„.„ „„a„i ,,t ( m ,,., 1, 2% Area of Holding received in year ended 31st March, | | 1 transft . rred . * each Case of s S I Transfer. itB I I I 2 , Goodwill year ended 81et March, 3*1 *re» of Holding ■ ' £ - transferred. each I sse ol i . s £ Transfer. Can' 'ERBURY Lam. )istrict— continued. strict — continued. A. R. P. £ s. d. 1908— continued. 1.520 o o 2.000 0 0 lo ll 0 250 0 0 194 11 25 3,5(KI ll 0 27 3 24 130 0 0 10 (I 0 100 0 0 2 2 17 140 <l 0 11 1 10 96 0 ll 40 0 0 3110 11 0 22." 1 o 2.168 10 I) 221 3 27 1.750 11 0 277 0 0 1,910 0 0 285 3 20 3,289 (I 0 26 o 0 300 O (I 1,425 2 0 3.183 15 0 16 2 37 450 I) o 5 II 0 ISO 11 0 3,684 O 0 175 0 0 III O 0 530 0 II (ill (I 0 720 ll O 240 1 8 1,200 0 0 8 II 0 ■ 105 11 ll (I 1 34 600 0 O 163 II II 850 0 0 494 0 25 3,600 O 0 15 0 (I 130 0 (I 121 0 34 500 (I (I 173 3 13 850 (I O 24 0 0 40(1 0 (I 9 n 0 15(1 o 0 2 0 0 200 (I 0 10 (I (I 65 0 0 10 0 0 ) 10 (I 0 335 (I 0 10 O II I 93 3 27 1,400 I) O 323 (I 0 1.100 I) 0 £ 3 2 > 87 0 14 440 (I (I 562 I 3 400 0 0 (I 2 0 100 0 0 9 (I O 135 0 0 104 3 0 730 11 |i Id 0 11 30 11 0 74 3 21 775 0 11 7 o 11 15 1 50 (I (I 150 0 0 (I 3 36 ! 150 0 11 83 0 0 150 (I 0 57 3 10 38(1 o o ! ,907 — continued. 399 0 28 299 3 3 0 2 0 58 1 4 75 0 0 1,711 3 0 91 2 35 630 0 0 2 3 17 1 0 0 422 2 8 2 3 0 10 0 0 301 0 9 lo o o 19 II 0 (I 2 6 0 2 0 10 0 o 5 0 0 £ s. d. 3,095 8 0 2,400 0 0 170 0 0 40 0 0 250 0 0 2.000 0 0 200 0 0 1.5511 0 H 280 0 0 170 0 0 3,38(1 0 0 400 o 0 130 0 0 1,500 II 0 90 0 0 100 0 0 380 0 0 210 0 0 [908— continued. 200 0 i) 1 'Total for year.. 99 13,856 2 24 58,424 16 8 908 98 3 30 74 0 36 90 0 33 181 3 15 366 0 0 538 2 0 3 1 27 44 0 0 10 0 0 0 2 0 916 0 0 719 1 35 323 3 25 444 1 8 355 I 32 97 1 30 100 0 0 359 2 5 172 0 10 2,527 3 36 174 2 0 5 1 12 467 - 0 0 148 2 0 2 2 25 1 0 0 232 1 17 10 0 0 2,301 (I 0 18 2 32 60 1 22 372 0 28 3 0 34 6 0 0 5 (I 0 164 2 0 127 0 25 1 97 3 33 267 0 0 353 3 0 5 0 0 246 2 20 2 2 0 66 3 33 19 2 39 Ii09 0 0 673 0 0 5 0 0 18 0 0 0 2 0 396 2 0 322 0 0 61 0 21 462 0 0 285 2 (I 237 1 24 10 0 0 1,500 0 0 650 (I II 900 O 0 1,400 0 0 300 0 0 1,700 0 0 300 0 0 400 0 0 120 0 0 143 0 0 3,500 0 (I 2,000 0 0 3.240 (I 0 2,000 0 0 2,000 (I 0 960 o 0 912 10 0 2,850 0 0 1,500 (i 0 2.000 0 0 873 0 0 30 0 0 1,600 0 0 775 0 0 20 (I 0 18 0 (I 1,800 0 I) 130 0 0 1.501) 0 0 170 O 0 400 0 O 2,250 0 0 250 11 0 75 0 0 50 0 0 625 0 0 925 (I 0 850 0 (I 1,100. 0 0 1,800 0 0 50 0 0 2,280 17 6 330 o o 500 0 0 230 0 0 1,000 0 0 1,150 0 0 512 10 0 200 0 0 20 0 0 1,750 0 0 1,500 0 0 200 0 0 1,500 0 (I 950 0 0 1,800 0 0 140 0 0 Total lor year. . 107 26,968 3 32 96,767 2 6 'Total lor year. . 107 20,968 3 32 I (Ml!) !MI!I .. .. .. 793 3 2 2.251) 11 o 191 I 5 2.716 11 11 IIMI 0 II 1.3(10 11 11 210 3 I I 2.635 11 11 10 II O 140 11 11 303 II 14 1.640 11 ll 18 I 12 150 II II 1.473 0 0 4,000 II i) 124 0 0 300 0 0 17 3 19 383 0 0 (1 3 19 102 0 0 1 (I 0 180 (I 0 41 II I) 430 (I (I 202 (I (I 4,000 0 I' 282 (I 0 1.000 11 11 121 (I 0 665 I' 11 2 3 26 475 0 0 793 3 2 191 I 5 IIMI 0 II 210 3 II 10 II O 303 II 14 18 I 12 1,473 0 O 124 0 (I 17 3 19 (1 3 l!l 1 (I 0 41 0 (I 202 II (I 282 11 0 121 0 0 2 3 26 362 2 (I 1,966 2 13 100 0 0 50 0 0 211 2 0 160 0 o 125 3 II 18 2 24 20 0 0 143 0 20 362 2 0 1 1.955 2 13 , AUU0 ° ° III!) 0 (I 500 0 0 51) 0 0 312 0 0 211 2 0 825 0 11 160 0 0 500 0 0 125 3 II 700 0 0 18 2 24 ' 100 0 0 20 0 0 ) 10 ° ° ° 143 0 20 1 500 (I 0
Use your Papers Past website account to correct newspaper text.
By creating and using this account you agree to our terms of use.
Your session has expired.