Page image
Page image

22

H.—ll

FACTORIES— continued. Table 1— continued.

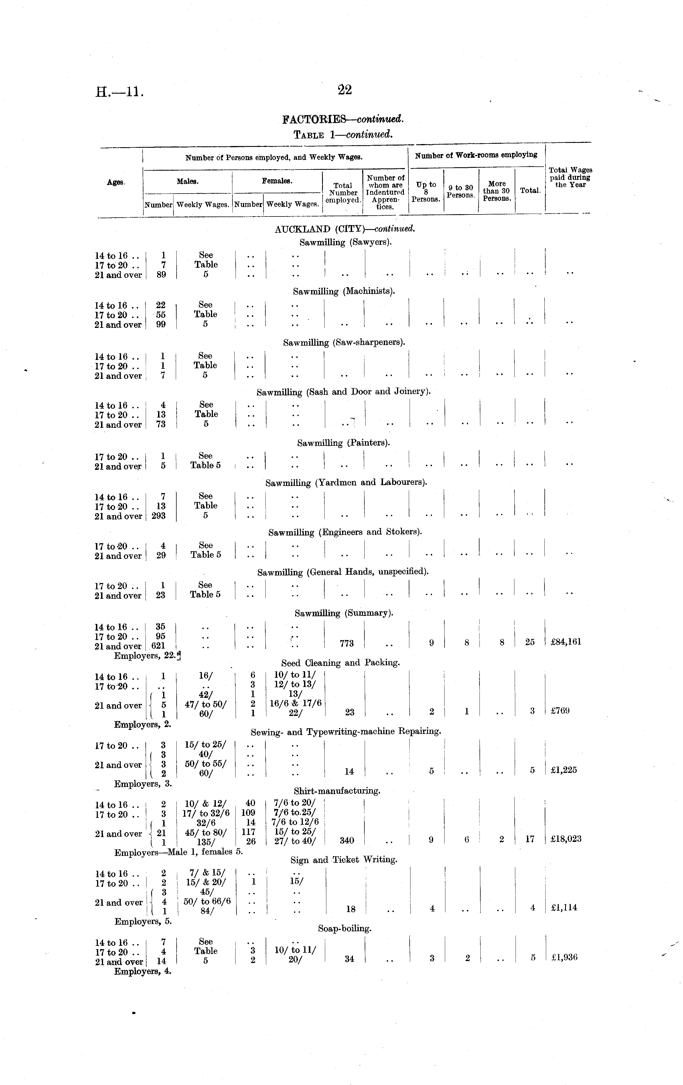
Number of Work-rooms employing | Number of Persons employed, and Weekly Wages. Ages. Males. Females. Number Number Weekly Wages. em P lo y e<1 - Females. ■ Total Wages Number ol paid during whom are Up to a t » n More the Year Indentured 8 p.™™ than 30 Total. Appren- Persons, rerBOU>, Persons, tices. Number| Weekly Wages. 1 ! AUCKLAND {CITY)—continued. Sawmilling (Sawyers). 14 to 16 .. 1 See 17 to 20 .. 7 Table 21 and over 89 5 .. I .. I I Sawmilling (Machinists). 14 to 16 .. 22 See .. I 17 to 20 .. 55 Table .. 21 and over 99 5 I • ■ Sawmilling (Saw-sharpeners). 14 to 16 .. ! 1 See I .. 17 to 20 .. 1 Table 21 and over 7 5 Sawmilling (Sash and Door and Joinery). 14 to 16 .. ; 4 [ See 17 to 20 .. 13 Table 21 and over 73 5 .. .. ••: I ■• Sawmilling (Painters). 17 to 20 .. [ 1 ! See 21 and over \ 5 I Table 5 I .. .. • • .... Sawmilling (Yardmen and Labourers). 14 to 16 .. 7 See 17 to 20 .. 13 Table 21 and over 293 5 .. i Sawmilling (Engineers and Stokers). 17to-20 .. ( 4 j See I .. 21 and over ] 29 | Table 5 | .. Sawmilling (General Hands, unspecified). 17 to 20 .. 1 See I .. 21 and over 23 Table 5 | .. Sawmilling (Summary). 14 to 16 .. i 35 1 17 to 20 .. j 95 .. .. ,• ■ 21 and over 1.621 .. •• •• 773 .. 9 Employers, 22.3 Seed Cleaning and Packing. 14 to 16 ... 1 ! 16/ ! 6 10/ to 11/ 17 to 20 .. j .. .. 3 12/to 13/ [ 1 42/ 1 13/ 21 and over I 5 47/ to 50/ 2 16/6 & 17/6 I 1 60/ 1 22/ 23 .. 2 I Employers, 2. .,.,.'■>>•• Sewing- and Typewriting-machine Repairing. 17 to 20 .. 3 15/ to 25/ (3 40/ 21 and over - 3 50/to 55/ .... I 2 I 60/ .. .. 14 •• 6. I Employers, 3. Shirt- manufacturing. 14 to 16 .. 2 10/ & 12/ 40 i 7/6 to 20/ I 17 to 20 .. i 3 17/ to 32/6 109 7/6 to. 25/ If 1 I 32/6 14 7/6 to 12/6 j 21 and over \ 21 j 45/to 80/ 117 J 15/to 25/ ( 1 J 135/ 26 i 27/to 40/ 340 .. | 9 Employers—Male 1, females 5. Sign and Ticket Writing. 14 to 16 .. 2 i 7/ & 15/ 17 to 20 .. 2 i 15/ & 20/ 1 I 15/ If. 3 45/ 21 and over 4 50/ to 66/6 .... Ill 84/ .. I . - I 18 I .. I 4 Employers, 5. Soap-boilmg. 14 to 16 .. 7 1 See 17 to 20 .. 4 Table j 3 10/ to 11/ 21 and over 14 I 5 I 2 20/ I 34 .. 1 3 Employers, 4. I 8 I 1 I 6 [ 2 j 8 i 2 25 3 5 17 4 5 3 5 £1,225 £84,161 £769 £1,225 £18,023 £1,114 £1,936 £769 6 2 17 £18,023 4 I £1,114 5 £1,936

Log in or create a Papers Past website account

Use your Papers Past website account to correct newspaper text.

By creating and using this account you agree to our terms of use.

Log in with RealMe®

If you’ve used a RealMe login somewhere else, you can use it here too. If you don’t already have a username and password, just click Log in and you can choose to create one.


Log in again to continue your work

Your session has expired.

Log in again with RealMe®


Alert