H.—ll
42
FACTORIES— continued. Table 1— continued.
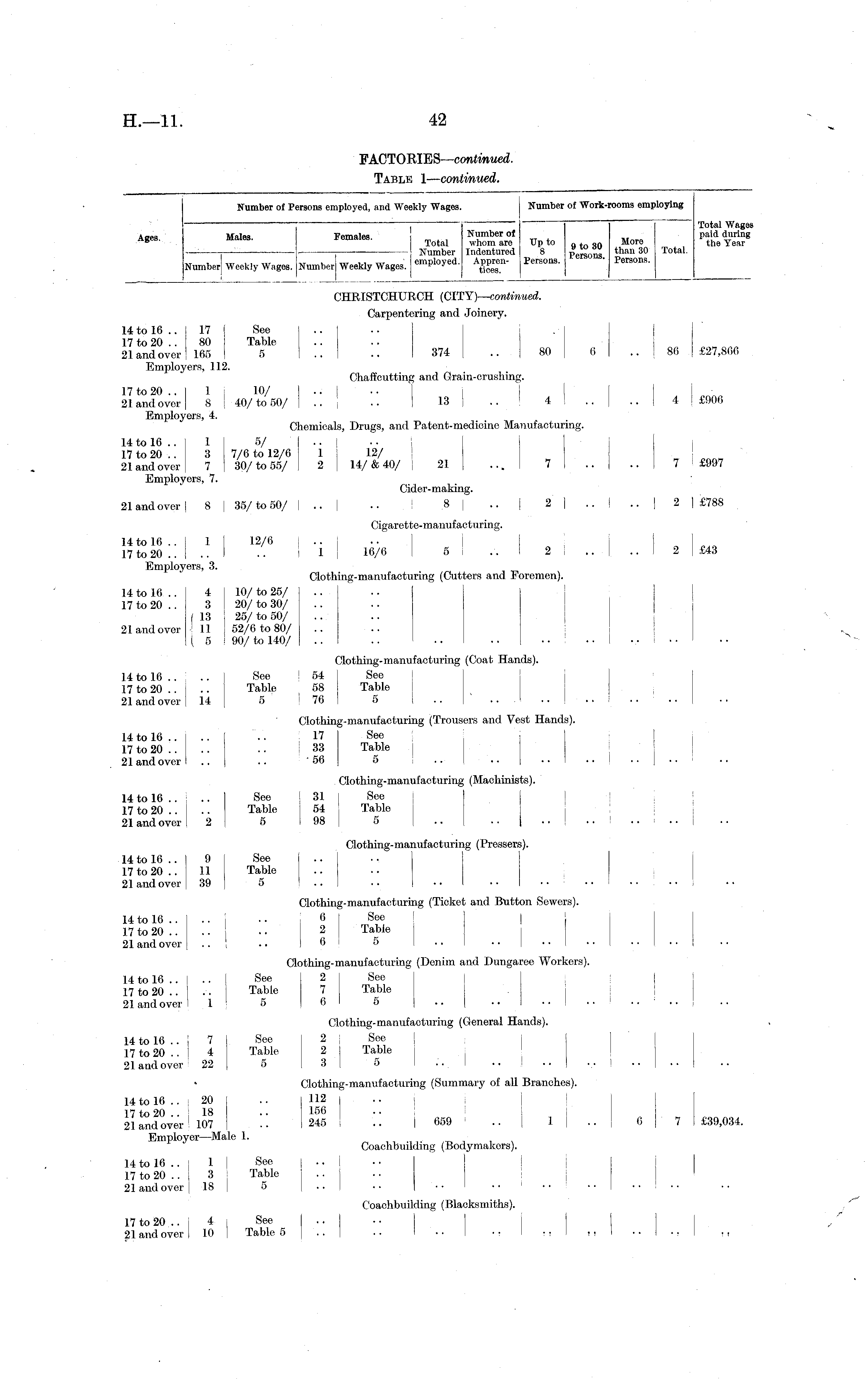
Number of Persons employed, and Weekly Wages. Cuml >er oj or] ;-rooms empl MaleS - FemaleS - Total ygSTJf TJpto eto30 — ■ Number Indentured 8 Persons , ,-,, , , ,. T , T , , TT ,, ,, r employed. Appren- Persons. Number Weekly Wages. Number Weekly Wages. F * t^Je3 Ages. Males. Females. TJp to „ t <,„ More JL ~ £S£ 5. p ( More hail 30 >ersons. Total Wag paid durin the Year ) Total. Total. Total Wages paid during the Year Number Weekly Wages. CHRISTCHURCH (CITY)— continued. Carpentering and Joinery. 14 to 16 .. i 17 j See 17 to 20 .. 80 Table 21 and over 165 5 I .. .. 374 .. 80 0 Employers, 112. ChafTcutting and Grain-crushing. 17 to 20 .. 1 I 10/ .. I .. I 21 and over 8 | 40/to 50/ .. .. 13 ) .. S 4 Employers, 4. Chemicals, Drugs, and Patent-medicine Manufacturing. 14 to 16 .. 1 5/ .. t • • I 17 to 20 .. 3 7/6 to 12/6 1 12/ 21 and over 7 | 30/to 55/ 2 | 14/ & 40/ 21 ... 7 Employers, 7. Cider-making. 21 and over I 8 | 35/ to 50/ | .. 8 | .. | 2 | 86 £27,866 ■ 4 i £006 7 i £997 2 I £788 Cigarette- man uf acturing. 14 to 16 . . 1 12/6 17 to 20 .. .. .. I 1 16/6 5 .. 2 ! .. Employers, 3. Clothing-manufacturing (Cutters and Foremen). 14 to 16 .. 4 10/ to 25/ 17 to 20 .. 3 20/to 30/ ( 13 , 25/ to 50/ 21 and over 11 ! 52/6 to 80/ (5 I 90/ to 140/ 2 £43 Clothing-manufacturing (Coat Hands). 14 to 16 .... See I 54 I See 17 to 20 .. .. Table 58 Table 21 and over 14 5 76 I 5 i .. ' Clothing-manufacturing (Trousers and Vest Hands). 14 to 16 .. .. .. 17 See 17 to 20 .. .. • • 33 Table 21 and over .. .. "56 5 I Clothing-manufacturing (Machinists). 14 to 16 .. i .. See I 31 | See 17 to 20 .. .. Table 54 ; Table 21 and over 2 5 98 5 | | Clothing-manufacturing (Pressers). 14 to 16 .. 9 See 17 to 20 .. 11 Table 21 and over 39 5 .. I .. •. ! Clothing-manufacturing (Ticket and Button Sewers). 14 to 16 .... i 6 See | j 17 to 20 .. .. ■ • 2 Table 21 and over .. 1 .. 6 5 Clothing-manufacturing (Denim and Dungaree Workers). 14 to 16 .. I .. See 2 See 17 to 20 .. j .. Table 7 Table 21 and over j 1 5 6 5 | I i I Clothing-manufacturing (General Hands). 14 to 16 .. I 7 See 2 See 17 to 20 .. j 4 Table 2 j Table 21 and over 22 5 3 I 5 I .. .. ! .. I Clothing-manufacturing (Summary of all Branches). 14 to 16 .. 20 .. 112 .. j 17 to 20 ... 18 .. 156 21 and over 107 .. 245 i .. | 659 .. | 1 | .. Employer —Male 1. Coachbuilding (Bodymakers). 14 to 16 .. 1 I See j .. 17 to 20 .. 3 Table 21 and over j IS 5 6 [ 7 £39,034. Coachbuilding (Blacksmiths). 17 to 20 .. 4 i See 21 and over 10 I Table 5 .. .. •• •■ ,, •■ • i ii
Use your Papers Past website account to correct newspaper text.
By creating and using this account you agree to our terms of use.
Your session has expired.