Page image
Page image

H.—lld

4

(2.) Trades in which Increased Wages or Shorter Hours (generally) have been fixed — continued.

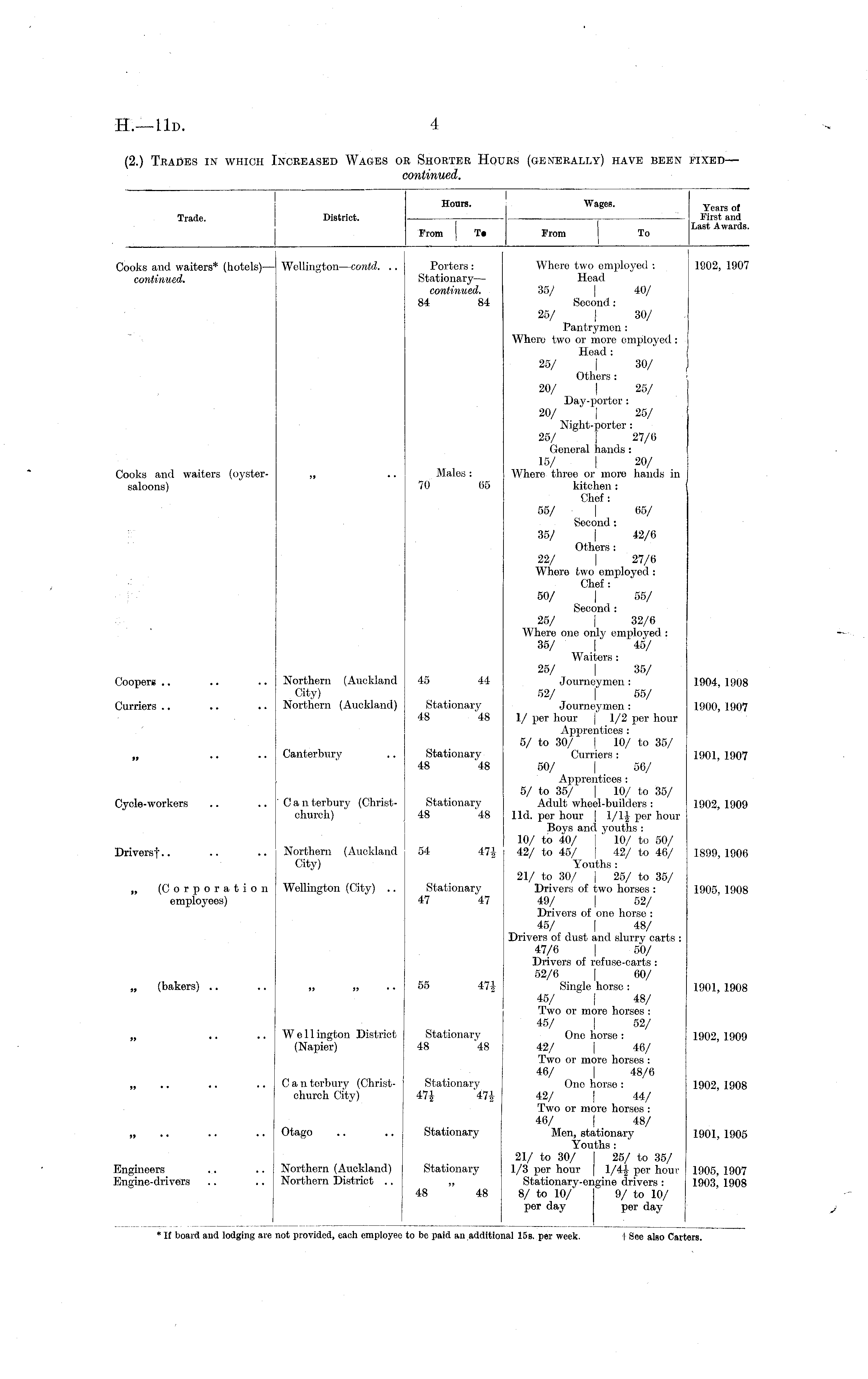
Trade. District. Hours From Hours. •s. T» Wages. Years of First and Last Awards. From To Cooks and waiters* (hotels) — continued. Wellington— contd. .. Porters : Stationary — continued. 84 84 Where two emploj'od : Head 35/ I 40/ Second: 25/ I 30/ Pantrymen : Whore two or more employed : Head : 25/ [ 30/ Others : 20/ I 25/ Day-porter : 20/ [ 25/ Night-porter : 25/ 27/0 General hands : 15/ I 20/ Where three or more hands in kitchen: Chef : 55/ ■ I 65/ Second: 35/ I 42/6 Others : 22/ I 27/6 Where two employed : Chef : 50/ I 55/ Second : 25/ I 32/6 Where one only employed : 35/ 45/ Waiters : 25/ I 35/ Journeymen : 52/ I 55/ Journeymen : 1/ per hour j 1/2 per hour Apprentices : 5/ to 30/ j 10/ to 35/ Curriers : 50/ I 56/ Apprentices : 5/ to 35/ I 10/ to 35/ Adult wheel-builders : lid. per hour | 1/1J per hour Boys and youths : 10/ to 40/ 10/ to 50/ 42/ to 45/ 42/ to 46/ Youths : 21/ to 30/ j 25/ to 35/ Drivers of two horses : 49/ I 52/ Drivers of one horse : 45/ I 48/ Drivers of dust and slurry carts : 47/6 I 50/ Drivers of refuse-carts : 52/6 I 60/ Single horse : 45/ I 48/ Two or more horses : 45/ I 52/ One horse : 42/ I 46/ Two or more horses : 46/ I 48/6 One horse : 42/ I 44/ Two or more horses : 46/ I 48/ Men, stationary Youths : 21/ to 30/ 25/ to 35/ 1/3 per hour 1/4|- per hour Stationary-engine drivers : 8/ to 10/ 9/ to 10/ per day per day 1902, 1907 Cooks and waiters (oystersaloons) >> Males : 70 05 Coopers Northern (Auckland City) Northern (Auckland) 45 44 1904, 1908 Curriers .. Stationary 48 48 1900, 1907 » • • Canterbury Stationary 48 "48 1901, 1907 Cycle-workers Canterbury (Christchurch) Stationary 48 48 1902, 1909 Driversf.. Northern (Auckland City) 54 47J 1899, 1906 „ (Corporation employees) Wellington (City) .. Stationary 47 47 1905, 1908 „ (bakers) .. 1901, 1908 55 47| s> • • * ' Wellington District (Napier) Stationary 48 48 1902, 1909 ,, . . • • • • Can terbury (Christchurch City) Stationary 47| 47i 1902, 1908 >> • • " • • • Otago Stationary 1901, 1905 Engineers Engine-drivers Northern (Auckland) Northern District .. Stationary 1905, 1907 1903, 1908 48 48 * If board and lodging are not provided, each employe) to be paid an additioi ial 15s. per week. I See also Cari tore.

Log in or create a Papers Past website account

Use your Papers Past website account to correct newspaper text.

By creating and using this account you agree to our terms of use.

Log in with RealMe®

If you’ve used a RealMe login somewhere else, you can use it here too. If you don’t already have a username and password, just click Log in and you can choose to create one.


Log in again to continue your work

Your session has expired.

Log in again with RealMe®


Alert