Page image
Page image

67

H.—lsa

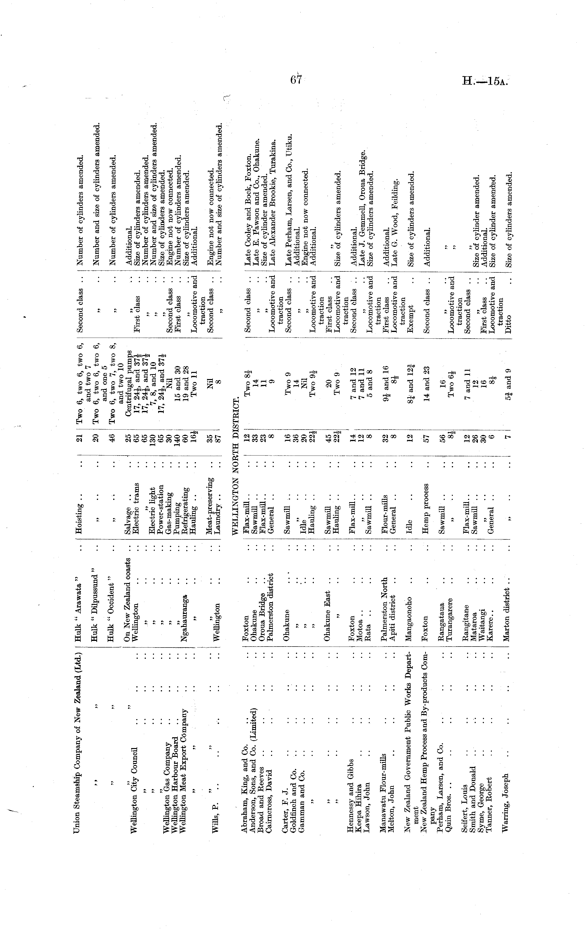
Union Steamship Company of New Zealand (Ltd.) Hulk " Arawata " Hoisting I 21 Two 6, two 6, two 6, and two 7 Two 6, two 6, two 6, and one 5 Two 6, two 7, two 8, and two 10 Centrifugal pumps 17, 244, and 374 17, 244, and 374 7, 8, and 10 17, 244, and 374 NU 15 and 30 19 and 28 Two 11 Second class .. Number of cylinders amended. .» 33 Hulk " Dilpussund " 20 I Number and size of cylinders amende! Hulk " Occident " 46 j Number of cylinders amended. WeUington City CouncU On New Zealand coasts .. Wellington Salvage Electric trams 25! 65 65 130 65 30 ; 140 60 164 First class Additional. Size of cylinders amended. Number of cylinders amended. Number and size of cylinders amende! Size of cyUnders amended. Engine not now connected. Number of cylinders amended. Size of cylinders amended. Additional. Wellington Gas Company WeUington Harbour Board WeUington Meat Export Company Ngahauranga Electric Ught Power-station Gas-making Pumping Refrigerating Hauling .. Second class .. First class Locomotive and traction Second class .. WiUs, P. .. Wellington Meat-preserving Laundry 35 87 NU 8 Engine not now connected. Number and size of cyUnders amendec 33 • ■ WELLINGTON NO: TH DI .STRICT. Second class .. Abraham, King, and Co. Anderson, Sons, and Co. (Limited) .. Broad and Reeves Cairncross, David .. Foxton Ohakune Oroua Bridge Palmerston district Flax-miU.. SawmiU Flax-miU General 12 33 23 8 Two 84 14 11 9 Late Cooley and Bock, Foxton. Late E. Pawson and Co., Ohakune. Size of cylinder amended. Late Alexander Brookie, Turakina. Carter, F. J. Goldfinch and Co. Gamman and Co. Ohakune ... | SawmUl Locomotive and traction Second class .. j Idle" " " j Hauling 16 36 20 224 Two 9 14 Nil Two 94 Late Perham, Larsen, and Co., Utiku. Additional. Engine not now connected. Additional. Ohakune East SawmiU Hauling 45 224 20 Two 9 Locomotive and traction First class Locomotive and traction Second Class .. Size of cyUnders amended. Hennessy and Gibbs Keepa Hihira Lawson, John Foxton Motoa Rata Flax-miU.. SawmiU 14 , 12 8 j 7 and 12 7 and 11 5 and 8 Additional. Late J. GemmeU, Oroua Bridge. Size of cylinders amended. Manawatu Flour-mills Melton, John Palmerston North Apiti district Flour- miUs General 32 8 94 and 16 84 Locomotive and traction First class Locomotive and traction Exempt Additional. Late G. Wood, Feilding. New Zealand Government PubUc Works Department New Zealand Hemp Process and By-products ComMangaonoho .. .. j [Idle 12 8$ and 12$ Size of cyUnders amended. Foxton Hemp process 57 14 and 23 Second class .. Additional. pany Perham, Larsen, and Co. Quin Bros. Rangataua Turangarere SawmiU 56 84 16 Locomotive and traction Second class .. Two 64 Seifert, Louis .. .. .. Smith and Donald Syme, George Tanner, Robert Rangitane Mataroa Waitangi Karere Flax-miU.. SawmiU General 12 26 30 6 7 and 11 12 16 84 3, • • First class Locomotive and traction Ditto Size of cylinder amended. Additional. Size of cyUnder amended. Warring, Joseph Marton district .. 7 5$ and 9 Size of cylinders amended.

Log in or create a Papers Past website account

Use your Papers Past website account to correct newspaper text.

By creating and using this account you agree to our terms of use.

Log in with RealMe®

If you’ve used a RealMe login somewhere else, you can use it here too. If you don’t already have a username and password, just click Log in and you can choose to create one.


Log in again to continue your work

Your session has expired.

Log in again with RealMe®


Alert