Page image
Page image

B.—l

66

PUBLIC ACCOUNTS, 1910-19 11.

STATEMENT in Detail of the EXPENDITURE for MISCELLANEOUS SERVICES— contd.

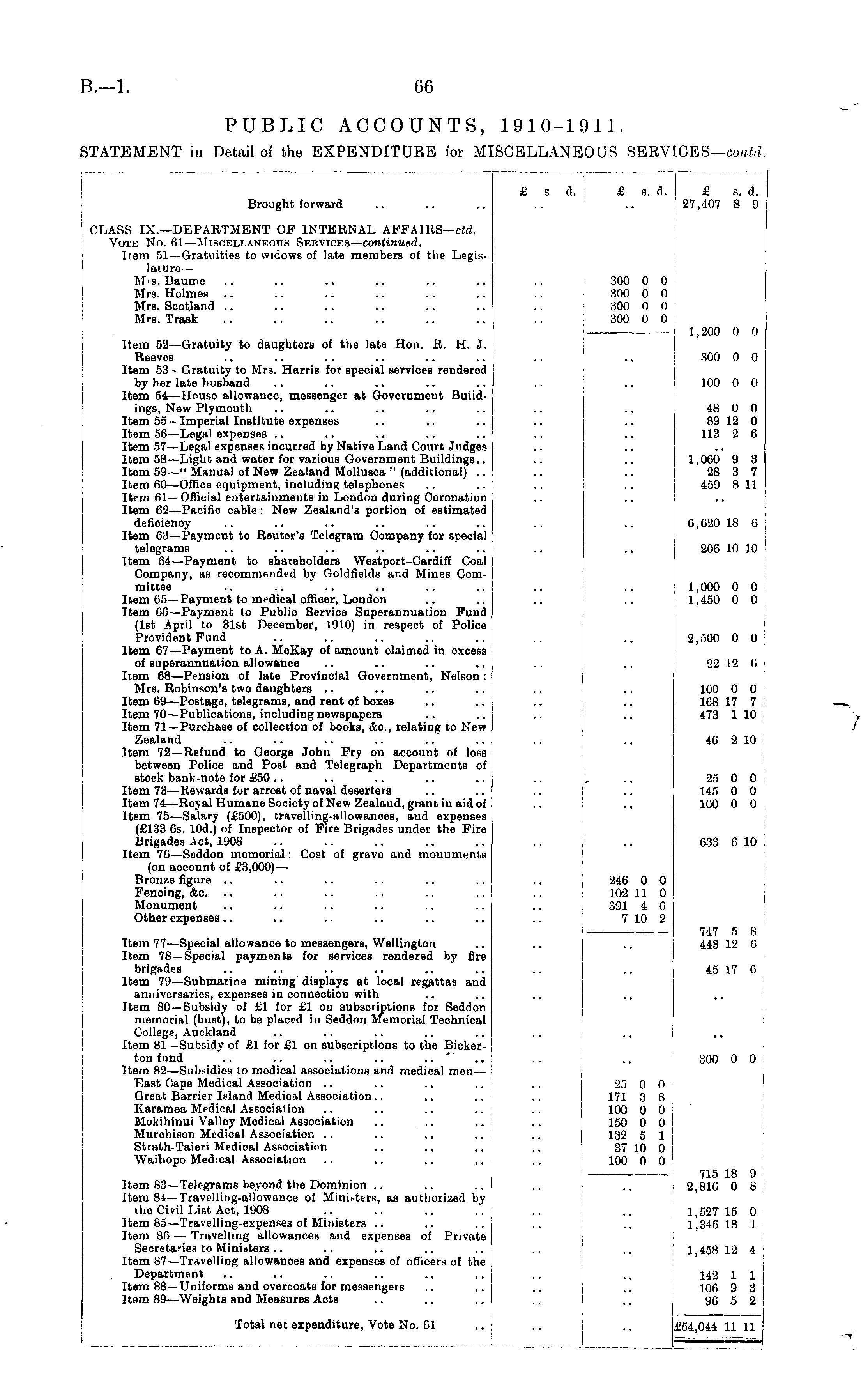
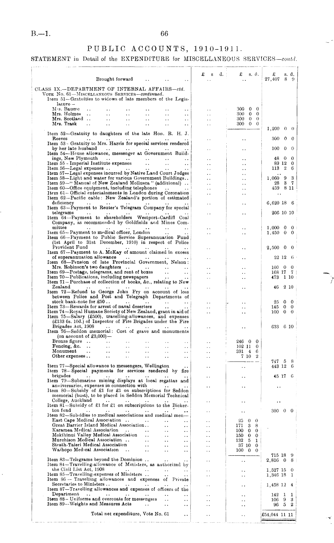
£ s d. £ s. a. £ s. d. 27,407 8 9 Brought forward CLASS IX.—DEPARTMENT OF INTERNAL AFFAIRS— ctd. Vote No. 01 —Miscellaneous Services— continued. Item 51—Gratuities to widows of late members of the Legislature— Ms. Baumo Mrs. Holmes Mrs. Scotland Mrs. Trask [ 300 0 0 300 0 0 300 0 0 300 0 0 i 1,200 0 0 Item 52—Gratuity to daughters of the late Hon. R. H. J. Reeves Item 53 - Gratuity to Mrs. Harris for special services rendered by her late husband Item 54—House allowance, messenger at Government Buildings, New Plymouth Item 55 - Imperial Institute expenses Item 56 —Legal expenses Item 57—Legal expenses incurred by Native Land Court Judges Item 58—Light and water for various Government Buildings.. Item 59—" Manual of New Zealand Mollusca " (additional) .. Item GO—Office equipment, including telephones Item 61—Official entertainments in London during Coronation Item 62—Pacific cable : New Zealand's portion of estimated deficiency Item 63—Payment to Reuter's Telegram Company for special telegrams Item 64—Payment to shareholders Westport-Cardiff Coal Company, as recommended by Goldfields and Minos Committee Item 65—Payment to medical officer, London Item 66—Payment to Public Service Superannuation Fund (1st April to 31st December, 1910) in respect of Police Provident Fund Item 67—Payment to A. McKay of amount claimed in excess of superannuation allowance Item 68—Pension of late Provincial Government, Nelson : Mrs. Robinson's two daughters Item 69—Postage, telegrams, and rent of boxes Item 70—Publications, including newspapers Item 71- Purchase of collection of books, &c, relating to New Zealand Item 72—Refund to George John Fry on acoount of loss between Police and Post and Telegraph Departments of stock bank-note for £50 Item 73—Rewards for arrest of naval deserters Item 74—Royal Humane Society of New Zealand, grant in aid of Item 75—Salary (£500), travelling-allowances, and expenses (£133 6s. 10d.) of Inspector of Fire Brigades under the Fire Brigades Act, 1908 .. Item 76—Seddon memorial: Cost of grave and monuments (on account of £3,000)— Bronze figure Fencing, &c. Monument Other expenses 300 0 0 100 0 0 48 0 0 89 12 0 113 2 6 1,060 9 3 28 3 7 459 8 11 6,620 18 6 206 10 10 1,000 0 0 1,450 0 0 2,500 0 0 22 12 6 100 0 0 168 17 7 473 1 10 46 2 10 25 0 0 145 0 0 100 0 0 033 G 10 246 0 0 102 11 0 246 0 0 i /\n ii r\ 102 11 0 246 0 0 102 11 0 391 4 6 7 10 2 iuz 11 u QO1 A n 391 4 6 391 4 6 oyi. a u 7 10 2 7 10 2 Item 77 —Special allowance to messengers, Wellington Item 78-Special payments for services rendered by fire brigades Item 79—Submarine mining displays at looal regattas and anniversaries, expenses in connection with Item 80—Subsidy of £1 for £1 on subscriptions for Seddon memorial (bust), to be placed in Seddon Memorial Technical College, Auckland Item 81—Subsidy of £1 for £1 on subscriptions to the Bickerton fund .. .. .. .. .. ' Item 82—Subsidies to medical associations and medical men— East Cape Medical Association .. Great Barrier Island Medical Association.. Karamea Mpdical Association Mokihinui Valley Medical Association Murchison Medical Association Strath-Taieri Medical Association Waihopo Med:cal Association 747 5 8 443 12 0 45 17 6 .. 300 0 0 25 0 0 171 3 8 100 0 0 150 0 0 132 5 1 37 10 0 100 0 0 ■2o 0 0 171 3 8 100 0 0 150 0 0 132 5 1 37 10 0 715 18 9 2,816 0 8 100 0 0 Item R3—Telegrams beyond the Dominion Item 84—Travelling-allowance of Milliliters, as authorized by the Civil List Act, 1908 Item 85—Travelling-expenses of Ministers .. Item 86 — Travelling allowances and expenses of Private Secretaries to Ministers Item 87—Travelling allowances and expenses of officers of the Department Item 88— Uniforms and overcoats for messpngets Item 89—Weights and Measures Acts I 1,527 15 0 1,346 18 1 1,458 12 4 142 1 1 106 9 3 96 5 2 Total net expenditure, Vote No. 01 £54,044 11 11

Log in or create a Papers Past website account

Use your Papers Past website account to correct newspaper text.

By creating and using this account you agree to our terms of use.

Log in with RealMe®

If you’ve used a RealMe login somewhere else, you can use it here too. If you don’t already have a username and password, just click Log in and you can choose to create one.


Log in again to continue your work

Your session has expired.

Log in again with RealMe®


Alert