Page image
Page image

E.—2

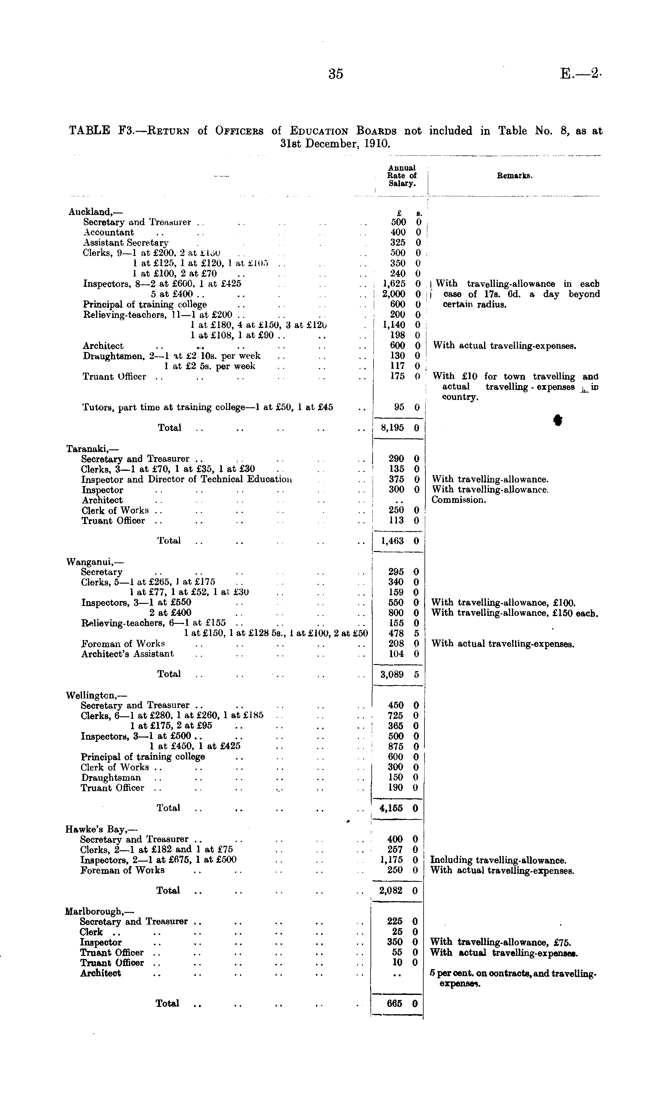
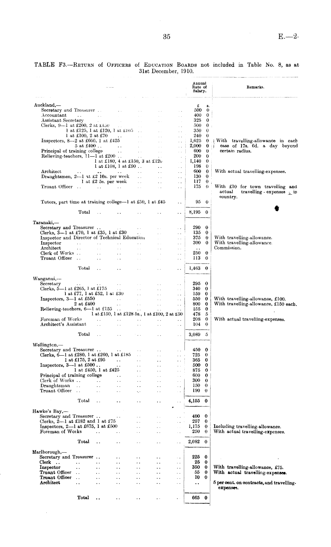
35

TABLE F3.—Return of Officers of Education Boards not included in Table No. 8, as at 31st December, 1910.

Annual Kate of Remarks. Salary. Auckland, — Secretary and Treasurer Accountant Assistant Secretary Clerks, 9—1 at £200, 2 at iloU 1 at £125, 1 at £120, 1 at £105 .. 1 at £100, 2 at £70 Inspectors, 8—2 at £600, 1 at £425 5 at £400 Principal of training college Relieving-teachers, 11—1 at £200 1 at £180, 4 at £150, 3 at £120 1 at £108, 1 at £90 .. Architect .. .. Draughtsmen, 2—1 at £2 10s. per week 1 at £2 5s. per week Truant Officer £ , 500 0 400 0 325 0 500 0 350 0 240 0 1,625 0 I With travelling-allowance in each 2,000 0 I case of 17s. 6d. a day beyond 600 0 certain radius. 200 0 1,140 0 198 0 600 0 With actual travelling-expenses. 130 0 117 0 175 0 With £10 for town travelling and actual travelling - expenses j._ in country. Tutors, part time at training college—1 at £50, 1 at £45 95 0 I Total 8,195 0 Taranaki, — Secretary and Treasurer Clerks, 3—1 at £70, 1 at £35, 1 at £30 Inspector and Director of Technical Education Inspector Architect Clerk of Works Truant Officer .. .. .. .. .. I 290 0 135 0 375 0 With travelling-allowance. 300 0 With travelling-allowance. Commission. 250 0 113 0 Total 1,463 0 VVanganui,— Secretary Clerks, 5—1 at £265, 1 at £175 1 at £77, 1 at £52, 1 a; £30 Inspectors, 3 —1 at £550 2 at £400 Relieving-teachers, 6—1 at £155 1 at £150, 1 at £128 5s., I at £100, 2 at £50 Foreman of Works Architect's Assistant 295 0 340 0 159 0 550 0 With travelling-allowance, £100. 800 0 With travelling-allowance, £150 each. 155 0 478 5 208 0 With actual travelling-expenses. 104 0 Total 3,089 5 Wellington,— Secretary and Treasurer Clerks, 6—1 at £280, 1 at £260, 1 at £185 .. 1 at £175, 2 at £95 Inspectors, 3—1 at £500 1 at £450, 1 at £425 Principal of training college Clerk of Works Draughtsman Truant Officer 450 0 725 0 365 0 500 0 875 0 600 0 300 0 150 0 190 0 Total .. 4,155 0 . i Hawke's Bay,— Secretary and Treasurer Clerks, 2—1 at £182 and 1 at £75 Inspectors, 2—1 at £675, 1 at £500 Foreman of Works 400 0 257 0 1,175 0 Including travelling-allowance. 250 0 With actual travelling-expenses. Including travelling-allowance. With actual travelling-expenses. Total 2,082 0 Marlborough,— Secretary and Treasurer Clerk Inspector Truant Officer Truant Officer Architect 225 0 25 0 350 0 With travelling-allowance, £75. 55 0 With actual travelling-expense*. 10 0 5 per cent, on contracts, and travellingexnanm. With travelling-allowance, £75. With actual travelling-expense*. 5 per cent, on contracts, and travellingexpense;. Total 665 0

Log in or create a Papers Past website account

Use your Papers Past website account to correct newspaper text.

By creating and using this account you agree to our terms of use.

Log in with RealMe®

If you’ve used a RealMe login somewhere else, you can use it here too. If you don’t already have a username and password, just click Log in and you can choose to create one.


Log in again to continue your work

Your session has expired.

Log in again with RealMe®


Alert