Page image
Page image

LIX

E.—2

MARLBOROUGH.

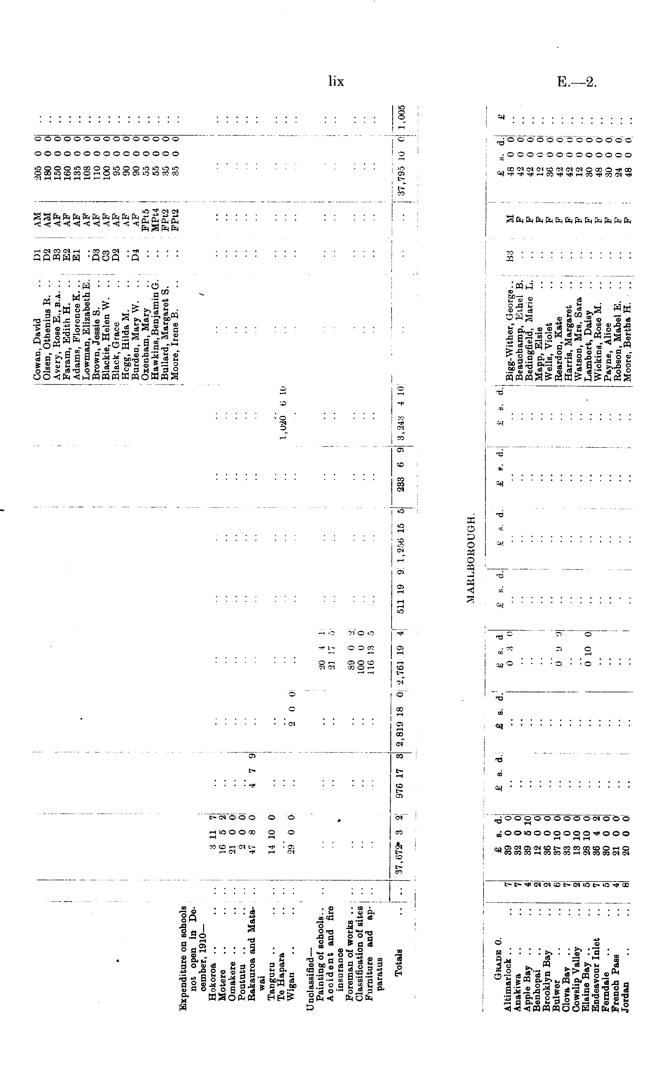
Expenditure on schools not open in December, 1910— Hokoroa Motere Omakere Poututu .. .... Rakauroa and Matawai Tanguru .. Te Hapara Wigan 3 11 7 16 5 2 21 0 0 2 0 0 47 8 0 14 10 0 29 0 0 47 9 2 0 0 1,020 0 10 Cowan, David Olsen, Otbenius R. .. Avery, Rose E., B.A. .. Param, Edith H. Adams, Florence K. .. Lowman, Elizabeth E. Brown, Jessie S. Blackie, Helen W. .. Black, Grace Hcgg, Hilda M. Burden, Mary W. Oxenbam, Mary Hawkins, Benjamin G. Bullard, Margaret S. Moore, Irene B. 1)1 AM D2 AM B3 AF E2 AF El AP AP D3 AP C3 AP D2 AP .. AP D4 AP PPt5 MPt4 PPt2 ! PPt2 205 0 0 180 0 0 150 0 0 160 0 0 135 0 0 108 0 0 110 0 0 100 0 0 95 0 0 90 0 0 90 0 0 55 0 0 55 0 0 35 0 0 35 0 0 Unclassified — Painting of schools Accident and fire insurance Foreman of works Classification of Bites i .. Furniture and ap- j .. paratus Totals .. .. 37 7,672* 3 2 976 17 3 2, ,819 18 20 4 ! 21 17 5 89 0 -1 100 0 0 116 13 5 2,761 19 4 511 19 9! i 1,256 15 5 233 6 9 3,243 4 10 J_ . _ 3: 17,795 10 0 ! ! ,0 37,672* 3 3 976 17 3 2,819 18 0! 2,761 19 4 511 19 9! 1,256 15 5 233 6 9 3,243 4 10] 37,795 10 0 1,001

I £ s. d. 39 0 0 32 0 0 39 5 10 12 0 0 36 0 0 37 10 0 33 0 0 13 10 0 28 10 0 36 4 2 30 0 0 21 0 o! 20 0 0 £ s. d. £ s. d.' a s. d. 0 3 0 0 'J 9 0 10 0 £ s. d. £ s. d. £ s>. d. £ b. d.l ■ • Bigg-Wither, George.. Beauchamp, Kthel B. Bedingfield, Marie L. Mapp, Elsie Wells, Violet Reardon, Kate Harris, Margaret Watson, Mrs. Sara .. Lambert, Daisy Wickins, Rose M. Payne, Alice Robson, Mabel E. Moore, Bertba H. .. B3 i M P P P P P P P P P P £ s. d. 48 0 0 . 42 0 0 . 42 0 0 . 12 0 0i . 36 0 0 . 42 0 0 . 42 0 (i . 12 0 0 . 30 0 0 . 48 0 0 . 30 0 0 . 24 0 0 . 48 0 0 . £ Grade 0. Altimarlock .. Anakiwa Apple Bay .. Benhopai Brooklyn Bay Bulwer Clova Bay Cowslip Valley Elaine Bay .. Endeavour Inlet Ferndale French Pass Jordan 7 7 4 2 ■2 6 7 2 5 7 5 4 8

Log in or create a Papers Past website account

Use your Papers Past website account to correct newspaper text.

By creating and using this account you agree to our terms of use.

Log in with RealMe®

If you’ve used a RealMe login somewhere else, you can use it here too. If you don’t already have a username and password, just click Log in and you can choose to create one.


Log in again to continue your work

Your session has expired.

Log in again with RealMe®


Alert