Page image
Page image

E.—2.

List of the Public Schools, the Expenditure, Staff, &c.— continued. MARLBOROUGH— continued.

LXII

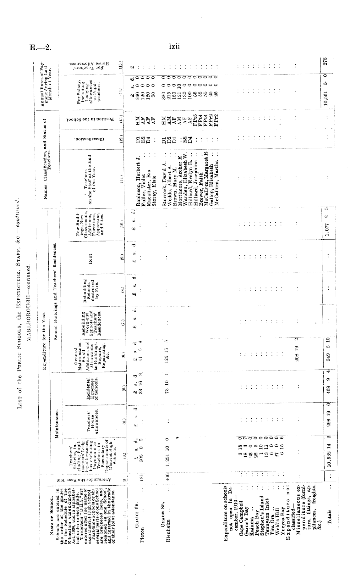
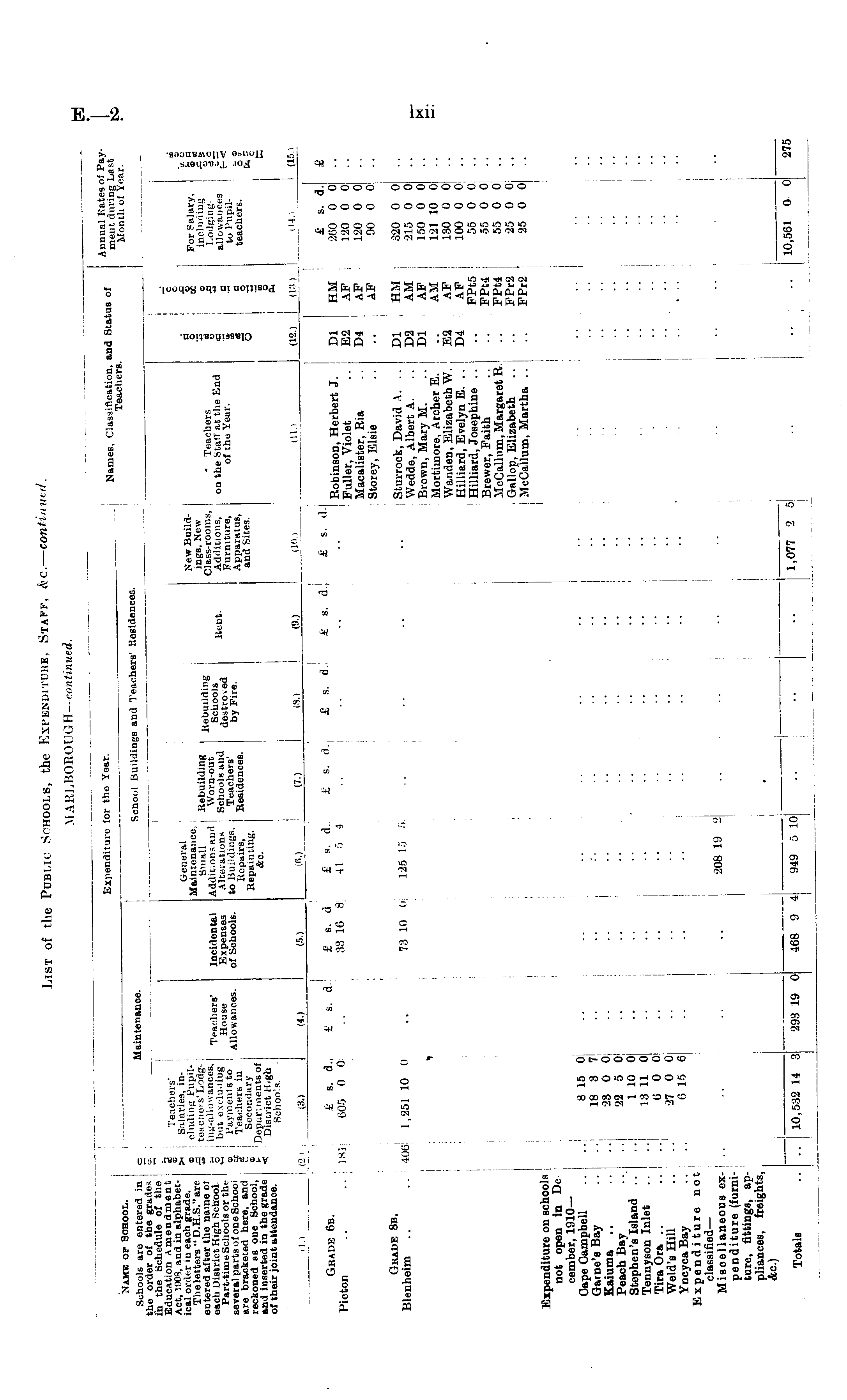
Name of School. Schools are entered in the order of the grades in the Schedule of the Education Amendment Act, 1008, and in alphabetical orrtu- in each grade. Thelettors " D.H.S."are entered after the name ot each District High School. Part-tiuiB Schools or the several parts of one Schoo; are bracketed here, and reckoned us one School, and inserted in the grade of their joint attendance. Expenditure lor tho Year. Names, Classification, Teachers. and Status of Annual Kates of Payment during Last Month of Year. School Buildings and Teachers' Residences. o g . Teachers' X I Salaries, in- : c eluding Pupil5 teachers' Lodgh in^-allowances, ,2 but excluding s Payments to 3 Teachers iu Secondary > Departments of ■* , District H.gta Schoo'.s. aintenauce. Teach ere' House Allowances. Incidental Expenses of Schools. General Maintenance, Small Rebuilding Additions anil Worn-out Alterations Schools and to Buildings, Teachers' lie pairs, Itesideuces. Repainting, &c. Iβ.) (7.) Rebuilding Schools destroyed by Fire. New Buildings, New Class-rooms, Additions, Furniture, Apparatus, and Sites. " Teachers on the Staff at the End of the Year. a .2 I ; c a .2 For Falary, & g inclining -c Lodging- d^ allowances > to Pupil- " 2 teachers. , 5« Kent. (4.) (5.) (S.) (9.) (10.1 (II.) i i. t (2 i i ta.) (12.) j (M.i I (15.) Grabe 6b. t s. d., t s. d. Picton .. ..181 605 0 0 Gkade 8b, Blenheim .. .. 406 1,251 10 0 Expenditure on schools not open in De cember, 1910— Gape Campbell .. .. 8 15 0 Game's Bay .. ■• 18 3 7l Kaiuma .. ■ ■ ■ J3 0 0 Peach Bay .. .. 22 5 0 Stephen's Island .. .. 1 10 0 Tennyson Inlet .. 13 11 0 Tira Ora .. .. • 6 0 0 Weld's Hill .. .. 27 0 0 YncycaBay .. .. 6 15 6 Expend i ture not classified — Miscellaneous ex.. penditure (furniture, fittings, appliances, freights, &c.) Totals .. .. 10,532 14 3 293 19 0 33 16 8 41 5 i .. .. •• •■ Robinson, Herbert J. Fuller, Violet Macalister, Ria Storey, Elsie T q in (, i.)k 1-, ■, .... Sturrock, David A. .. Wedde, Albert A. Brown, Mary M. Mortiinore, Archer E. Wanden, Elizabeth W. Hilliard, Evelyn E. .. Hilliard, Josephine .. Brewer, Faith McCallnm, Margaret K. Gallop, Elizabeth .. McCallum, Martha .. 208 19 2 468 9 4 949 5 10 .. •• •• 1.077 2 5 Dl HM E2 AF i D4 AF AF Dl HJI D2 AM : Dl AF : AM E2 AF D4 AF : FPt5 FPt4 FPt4 FPr2 FPr2 £ s. d. 260 0 0 120 0 0 120 0 0 90 0 0 320 0 0 215 0 0 150 0 0 121 10 0 130 0 0 100 0 0 55 0 0 55 0 0 55 0 0 25 0 0 •25 0 0 10,561 0 0 S t •rr-

Log in or create a Papers Past website account

Use your Papers Past website account to correct newspaper text.

By creating and using this account you agree to our terms of use.

Log in with RealMe®

If you’ve used a RealMe login somewhere else, you can use it here too. If you don’t already have a username and password, just click Log in and you can choose to create one.


Log in again to continue your work

Your session has expired.

Log in again with RealMe®


Alert