Page image
Page image

I.—6a.

A. GRAHAM.

Examples of Hours of Duty of Railway Officers, &c. —continued.

112

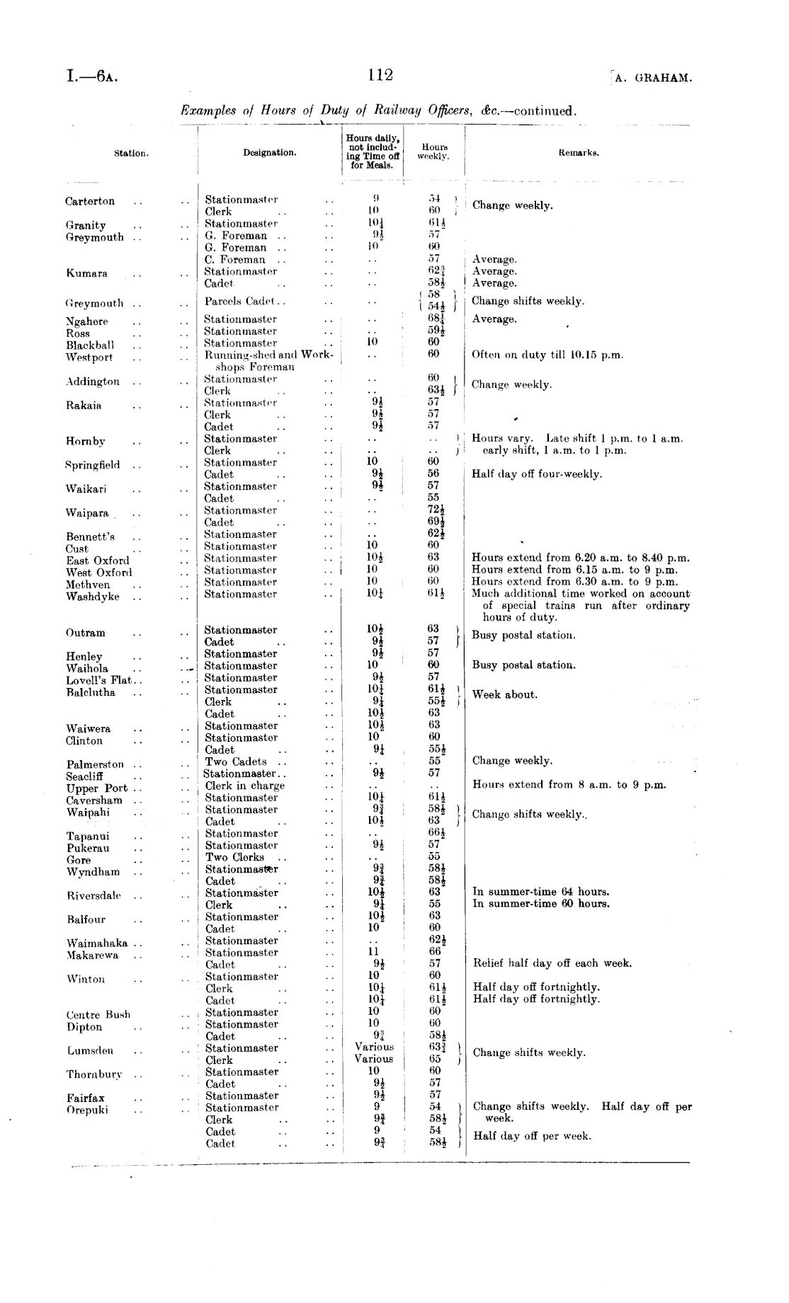
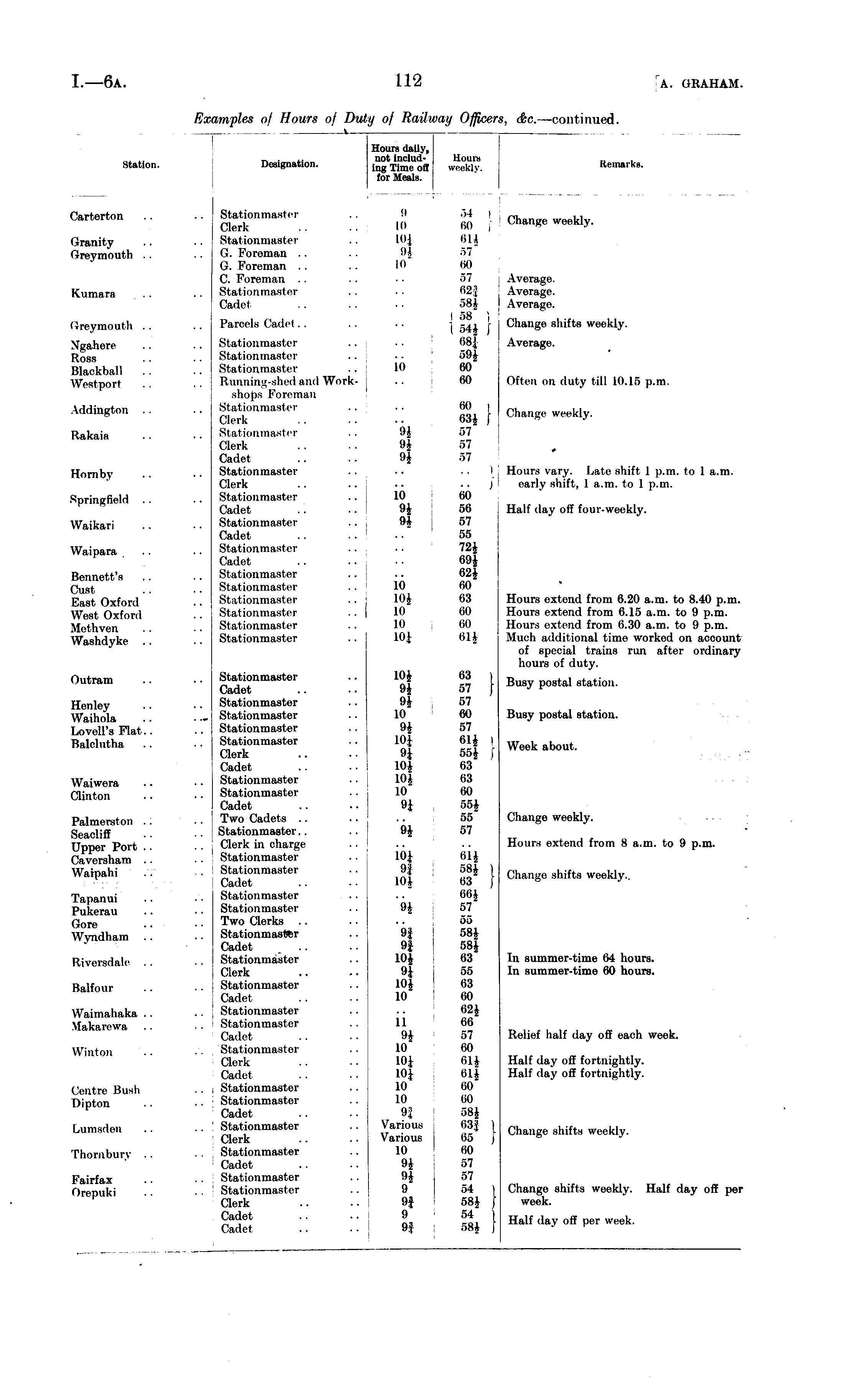
Station. Hours daily, ~ . not includDeslgnation. ing Time off for Meals. Hums weekly. It., marks. I Carterton Granity Cireymouth . . Kumara Greymouth .. Ngahere Ross Blackball Westport Addington .. Rakaia Hornby Springfield Waikari Waipara Bennett's Cust East Oxford West Oxford Methven Washdyke .. Stat ionmaster .. 8 Clerk .. .. 10 Stationmaster .. W{ G. Foreman .. . . 9} G. Foreman . . .. I" C. Foreman . . Stationmaster Cadet Parcels Cadet Stationmaster Stationmaster Stationmaster .. I" Running-shed and Workshops Foreman Stationmaster Clerk Stationmaster .. 9} Clerk 9j Cadet .. ■ • 9} Station ninsl etClerk Stationmaster . . 10 Cadet .. 9} Stationmaster . . 9} Cadet Stationmaster Cadet Stationmaster Stationmaster .. 10 Stationmaster .. 10} Stationmasler .. 10 Stationmaster .. 10 Stationmaster .. 101 ,,l . ill I | 61} 57 60 57 62J 58} I 58 ) 1 54} ) 681 59} 60 (iO 60 i 63} j 57 57 57 I •■ ) 60 56 57 55 72} 69} 62} 60 63 60 60 61} Change weekly. Average. Average. Average. Change shifts weekly. Average. Often on duty till 10.15 p.m. Change weekly. 0 Hours vary. Late shift 1 p.m. to 1 a.m. early shift, 1 a.m. to 1 p.m. Half day off four-weekly. Hours extend from 6.20 a.m. to 8.40 p.m. Hours extend from 6.15 a.m. to 9 p.m. Hours extend from 6.30 a.m. to 9 p.m. Much additional time worked on account of special trains run after ordinary hours of duty. Outram Henley Waihola Loveil's Flat.. Balclutha Waiwera Clinton Palmerston .; Seacliff Upper Port .. Caversham .. Waipahi Tapanui Pukerau Gore Wyndham I'ivcrsdale .. Balfour Waimahaka .. Makarewa Winton Centre Hush Dipton Lumsden Thorubury .. Fairfax Orepuki " Stationmaster .. 10} Cadet .. .. 9} Stationmaster .. 9} Stationmaster .. 10 Stationmaster .. 9} Stationmaster .. 10J Clerk .. .. 9J Cadet .. .. 10} Stationmaster .. 10} Stationmaster .. 10 Cadet .. 9J Two Cadets Stationmaster.. .. 9} Clerk in charge Stationmaster • • 101 Stationmaster .. 9| Cadet .. ■■ 10} : Stationmaster Stationmaster • • 9} Two Clerks Stationmaster .. 9| Cadet .. .. 9j Stationmaster .. 10} Clerk .. -. 91 Stationmaster .. 10} Cadet .. .. 10 Stationmaster Stationmaster .. 11 Cadet .. .. 9} Stationmaster .. 10 Clerk .. .. 10J Cadet .. .. 101 Stationmaster .. 10 Stationmaster .. 10 Cadet .. .. 9| Stationmaster .. Various Clerk .. • • Various Stationmaster .. 10 Cadet .. .. 9} Stationmaster .. 9} , Stationmaster .. 9 Clerk .. 9f Cadet . . 9 Cadet .. .. 9f 63 | 57 \ 57 60 57 61} I 55} f 63 63 60 55} 55 57 61} 58} \ 63 )' 66} 07" 55 58} 58} 63 55 63 60 62} 66 57 60 61} 61} 60 60 58} 63| I 65 J 60 57 57 54 ) 58} ] 54 | 58} \ Busy postal station. Busy postal station. Week about. Change weekly. Hours extend from 8 a.m. to 9 p.m. Change shifts weekly. In summer-time 64 hours. In summer-time 60 hours. Relief half day off each week. Half day off fortnightly. Half day off fortnightly. Change shifts weekly. Change shifts weekly. Half day off per week. Half day off per week.

Log in or create a Papers Past website account

Use your Papers Past website account to correct newspaper text.

By creating and using this account you agree to our terms of use.

Log in with RealMe®

If you’ve used a RealMe login somewhere else, you can use it here too. If you don’t already have a username and password, just click Log in and you can choose to create one.


Log in again to continue your work

Your session has expired.

Log in again with RealMe®


Alert