Page image
Page image

41

8.-6

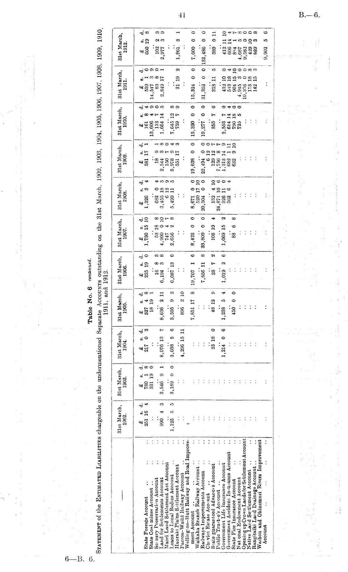
Table No. 6— continued. Statement of the Estimated Liabilities chargeable on the undermentioned Separate Accounts outstanding on the 31st March, 1902, 1903, 1904, 1905, 1906, 1907, 1908, 1909, 1910 1911, and 1912.

i 31st March, 31st March, 31st March, 31st March, 31st March, 1902. 1903. 1904. 1905. 1906. 31st March, 31st March, 31st March, 31st March, 1907. 1908. 1909. 1910. 31st March, 31et March, 1911. 1912. State Forests Account State Coal mines Account .. Scenery Preservation Account Land for Settlements Account Maori Land Settlement Act Account Loans to Local Bodies Account Hauraki Plains Settlement Account Paeroa-Waihi Railway Account Welling'on-Hutt Railway and Eoad Improvement Account Waikaka Branch Railway Account Railways Improvements Account Chtviot Estate Account .. State guaranteed Advances Account Public Trustee's Account Government Life Insurance Account Government Accident InxUiance Account State Fire Insurance Account Nat onal Endowment Account Opening up Crown Lands for Settlement Account Native Land Settlement Account .. Rangitaiki Land Drainage Account Waihou and Ohinemuri Rivera Improvement Account £ s. d. 251 16 4 £ s. d. 780 1 8 331 19 0 £ 8. d. 217 0 2 £ 8. d. 527 4 8 18 19 1 £ s. d. 225 19 0 £ s. d. 1,730 15 10 £ s. d. 1,326 3 4 £ s. d. 581 17 1 £ s. d. 161 8 4 13,606 4 9 113 7 0 1,664 14 5 £ 8. d. 559 1 0 14,547 3 9 83 8 0 2,849 17 1 £ s. d. 600 19 8 990* 4 3 3,546* 9 1 8,07613 7 8,636* 2 11 16* 8 3 6,194 3 8 53 18 8 4,900 0 10 747 4 7 2,656 2 8 682 0 4 3,455 18 3 6 12 9 5,499 11 5 18 9 1 2,544 3 8 150 7 0 5,978 9 4 551 17 3 102* 2 3 2,977 3 9 1,125 5 5 3,189 0 0 3,038* 5 6 3,505' 9 2 6,087 13 6 7,64512 8 759 7 9 4,296 15 11 896* 2 10 2119 2 1,861* 3 1 7,851 17 8 19,707 1 6 8,422 0 0 8,671 0 0 520 17 10 20,304 0 0 19,638 0 0 15,320 0 0 15,324 0 0 7,600 0 0 7,856 11 8 33,809 0 0 22,494 0 0 6 12 0 129 12 7 7,756 8 7 1,213 14 9 682 1 11 632 9 10 19,277 0 0 31,352 0 0 132,480* 0 0 23* 18 0 48 12 9 28* 7 2 103 19 4 132 4 10 24,871 10 0 326 11 0 562 6 4 355* 7 6 318 11 5 389* 0 11 1,214' 0 6 1,238* 5 4 1,019* 2 6 1,069 15 2 2,553 7 0 614 14 4 790 18 0 725 5 0 432 10 0 543 18 4 904 15 10 4,945 3 0 10,376 0 0 173 18 3 142 15 3 412 11 10 606 14 4 8S4 1 7 4,687 5 8 9,582 0 0 429 10 0 889 3 8 450 0 0 88* 6 8 9,902 5 6

Log in or create a Papers Past website account

Use your Papers Past website account to correct newspaper text.

By creating and using this account you agree to our terms of use.

Log in with RealMe®

If you’ve used a RealMe login somewhere else, you can use it here too. If you don’t already have a username and password, just click Log in and you can choose to create one.


Log in again to continue your work

Your session has expired.

Log in again with RealMe®


Alert