Page image
Page image

0.—2

108

SOUTHERN INSPECTION DISTRICT— continued.

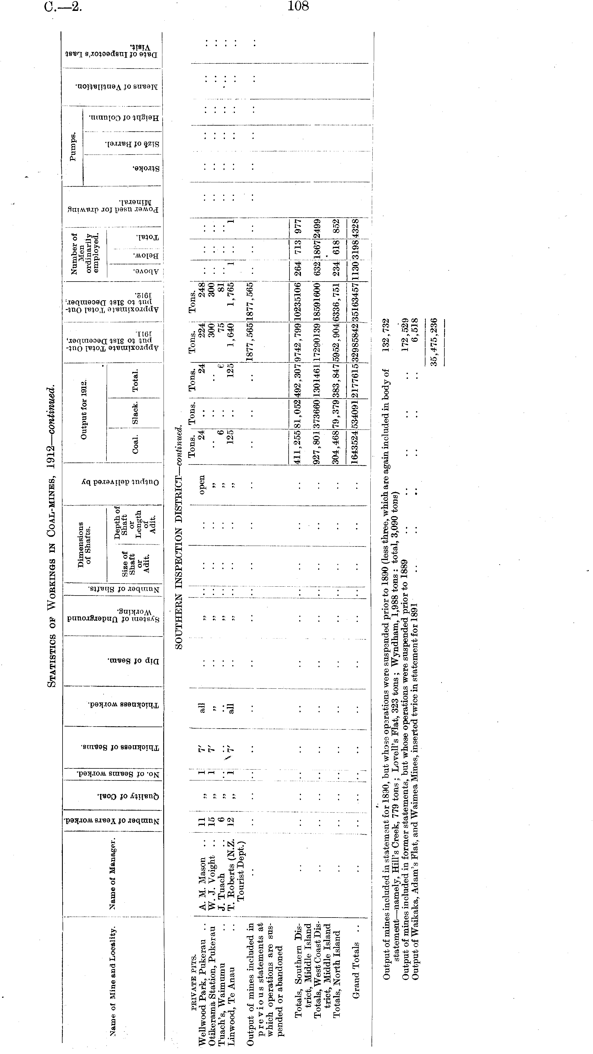
Output of mines included in statement for 1830, but whose opsrations were suspended prior to 1890 (less three, which are again included in body of 132, 732 statement— namely, Hill's Creek, 779 tons ; LovelPs Flat, 323 tons ; Wyndham, 1,988 tons : total, 3,090 tons) Output of mines included in former statements, but whose operations were suspended prior to 1889 .. .. .. .. .. 172,529 Output of Waikaka, Adam's Plat, and Waimea Mines, inserted twice in statement for 1891 .. .. .. .. .. .. 6,518 35,475,236

Statistics of Workings in Coal-mines, 1912— continued.

Name of Mine and Locality. Name of Manager. © o DO o a 25 "3 o EH o a CD M O © CO O 25 © o CO © a !a EH u o a 3 a © o ft Q O St © o a © o CO c © a Dimensions of Shafts. Depth < zeof j Shaft baft ! or or i Lengtl t dit. ! of Adit. Of h © © '© a a O Output for 1912. Coal. Slack. Total. a © O © : O © ft a 5 ft £ o ftftrH ft—"— 1 Number of : Men ordinarily employed. ,a © o a o a - 3a 3 © p Pumps. Pumps. a © o o 3 to .2? IN © j a o a CD o a 3 DO o © © ft a 0 00 cs^ Depth of Size of Shaft Shaft ! or or : Length Adit, i of Adit.

PEIVATE PITS. Vellwood Park, Pukerau . . Itikerama Station, Pukerau 'uach's, Waimumu /inwood, Te Anau •utput of mines included in previous statements at which operations are suspended or abandoned A. M. Mason .. 11 W. J. Voight .. 15 J. Tuach .. I 6 T. Roberts (N.Z. 12 Tourist Dept.) i. I i i 7' ! all all I " Tons. Tons. I ' open 24 6 .. 125 .. 411,25581, 0524S 927,801373660 13 304,468 79,379 38 1643524 53409121 Tons. 24 e 125 I 92,307 301461 83,847 177615 Tons. Tons. | 224 248! .. 300 300| . . 75 81 .. .. 1,640 1,765 1 .. | :1877,56511877, 565 .... 1 977 2499 852 4328 ] Totals, Southern District, Middle Island Totals, West Coast District, Middle Island Totals, North Island 492,307 9742,79910235106 264 713 1301461 17290139 18591600 632 1867 15952,904 6336,751 234: 618 383,847 Grand Totals 2177615 11303198! 1643524 32985842 15163457

Log in or create a Papers Past website account

Use your Papers Past website account to correct newspaper text.

By creating and using this account you agree to our terms of use.

Log in with RealMe®

If you’ve used a RealMe login somewhere else, you can use it here too. If you don’t already have a username and password, just click Log in and you can choose to create one.


Log in again to continue your work

Your session has expired.

Log in again with RealMe®


Alert