Page image
Page image

G.—9

12

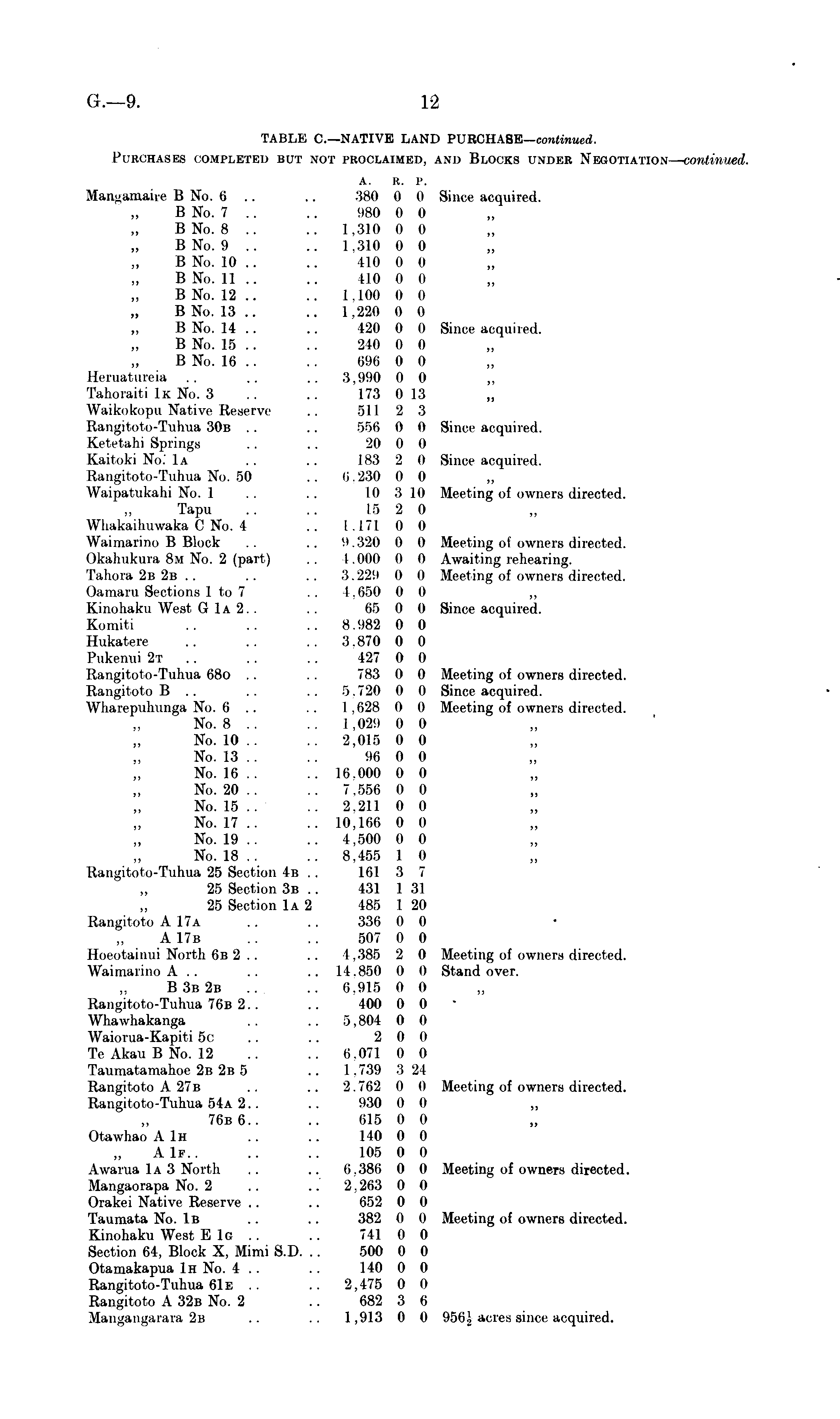
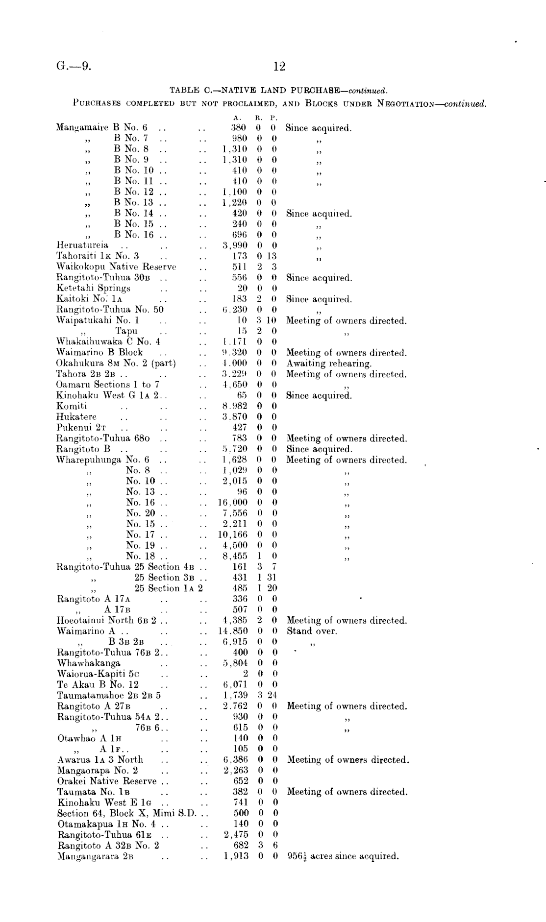
TABLE C—NATIVE LAND PURCHASE— continued. Purchases completed but not proclaimed, and Blocks under Negotiation— continued. a. r. p. Manf>amaiie B No. 6 .. .. 380 0 0 Since acquired. B No. 7 .. .. 980 0 0 B No. 8 .. .. 1,310 0 0 B No. 9 .. .. 1,310 0 0 B No. 10 .. .. 410 0 0 B No. 11 .. .. 410 0 0 B No. 12 .. .. 1,100 0 0 „ B No. 13 .. .. 1,220 0 0 B No. 14 .. .. 420 0 0 Since acquired. B No. 15 .. .. 240 0 0 B No. 16 .. .. • 696 0 0 Heruatureia .. .. .. 3,990 0 0 Tahoraiti Ik No. 3 .. .. 173 0 13 Waikokopu Native Reserve .. 511 2 3 Rangitoto-Tuhua 30b .. .. 556 0 0 Since acquired. Ketetahi Springs .. .. 20 0 0 Kaitoki No. , Iα .. .. 183 2 0 Since acquired. Rangitoto-Tuhua No. 50 .. (}. 230 0 0 „ Waipatukahi No. 1 .. .. 10 3 10 Meeting of owners directed. Tapu .. .. 15 2 0 Whakaihuwaka C No. 4 .. 1.171 0 0 Waimarino B Block .. .. 9.320 0 0 Meeting of owners directed. Okahukura 8m No. 2 (part) .. 1.000 0 0 Awaiting rehearing. Tahora 2b 2b .. .. .. 3.229 0 0 Meeting of owners directed. Oamaru Sections Ito 7 .. 4,650 0 0 ~ Kinohaku West Glα 2. . .. 65 0 0 Since acquired. Komiti .. .. .. 8.982 0 0 Hukatere .. .. .. 3,870 0 0 Pukenui 2t .. .. .. 427 0 0 Rangitoto-Tuhua 680 .. .. 783 0 0 Meeting of owners directed. Rangitoto B .. .. .. 5.720 0 0 Since acquired. Wharepuhunga No. 6 .. .. 1,628 0 0 Meeting of owners directed. No. 8 .. .. 1,029 0 0 No. 10 .. .. 2,015 0 0 No. 13 .. .. 96 0 0 No. 16 .. .. 16.000 0 0 No. 20 .. .. 7,556 0 0 No. 15 .. .. 2.211 0 0 No. 17 .. .. 10,166 0 0 No. 19 .. .. 4,500 0 0 No. 18 .. .. 8,455 1 0 Rangitoto-Tuhua 25 Section 4b .. 161 3 7 25 Section 3b .. 431 1 31 25 Section Iα 2 485 1 20 Rangitoto A 17a .. .. 336 0 0 A 17b .. .. 507 0 0 Hoeotainui North 6b 2.. .. 4,385 2 0 Meeting of owners directed. Waimarino A .. .. .. 14.850 0 0 Stand over. B3b2b ... .. 6,915 0 0 Rangitoto-Tuhua 76b 2.. .. 400 0 0 Whawhakanga .. .. 5,804 0 0 Waiorua-Kapiti 5c .. .. 2 0 0 Te Akau B No. 12 .. .. 6,071 0 0 Taumatamahoe 2b 2b 5 .. 1,739 3 24 Rangitoto A 27b .. .. 2.762 0 0 Meeting of owners directed. Rangitoto-Tuhua 54a 2.. .. 930 0 0 76b 6.. .. 615 0 0 Otawhao Alh .. .. 140 0 0 A If.. .. .. 105 0 0 Awarua Iα 3 North .. .. 6.386 0 0 Meeting of owners directed. Mangaorapa No. 2 .. ..' 2,263 0 0 Orakei Native Reserve .. .. 652 0 0 Taumata No. Iβ .. .. 382 0 0 Meeting of owners directed. Kinohaku West Elg .. .. 741 0 0 Section 64, Block X, Mimi S.D. .. 500 0 0 Otamakapua 1h No. 4 .. .. 140 0 0 Rangitoto-Tuhua 61E .. .. 2,475 0 0 Rangitoto A 32b No. 2 .. 682 3 6 Mangangarara 2b .. .. 1,913 0 0 956 i acres since acquired.

Log in or create a Papers Past website account

Use your Papers Past website account to correct newspaper text.

By creating and using this account you agree to our terms of use.

Log in with RealMe®

If you’ve used a RealMe login somewhere else, you can use it here too. If you don’t already have a username and password, just click Log in and you can choose to create one.


Log in again to continue your work

Your session has expired.

Log in again with RealMe®


Alert