Page image
Page image

17

G.—9.

Aotea District Maori Land Board— continued. Summary of Transactions —continued.

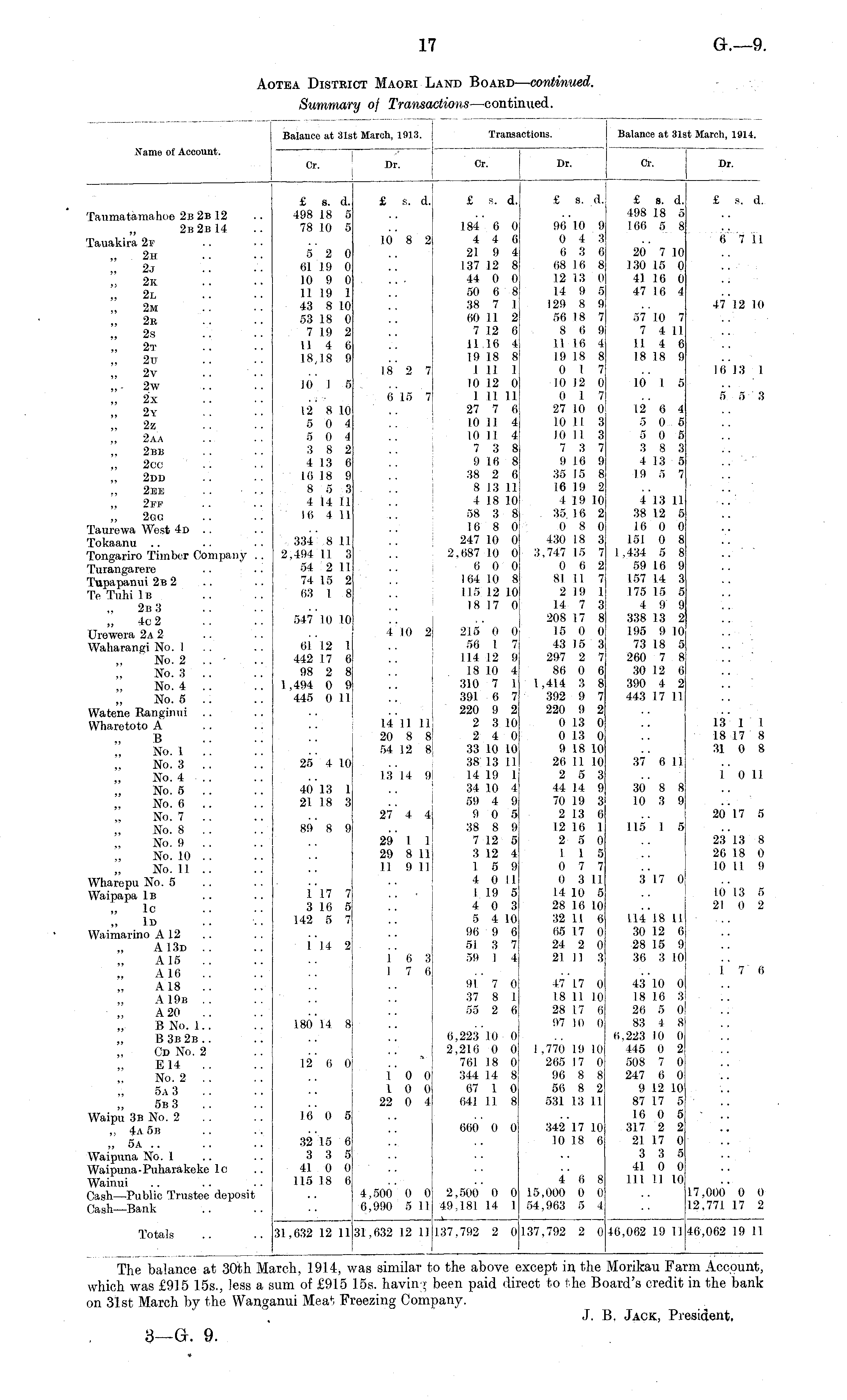
The balance at 30th March, 1914, was similar to the above except in the Morikau Farm Account, which was £915 155., less a sum of £915 15s. bavin-; been paid direct to the Board's credit in the bank on 31st March by the Wanganui Mea*i Freezing Company. J. B. Jack, President.

3—G. 9.

Balance at 31i it March, 1913. Transactions. Balance at 31st March, 1914. Same of Account. I Or. Dr. Or. Bγ. Cγ. Dr. £ s. d. 498 18 5 78 10 5 £ s. d. £ s. d. £ s. d. £ 8. d. 498 18 5 166 5 8 £ s. d. Taumatamahoe 2b 2b 12 2b2b 14 Tauakira 2f 2h 2j 2k 2l 2m 2e 2s 2t 2tt 2v „. 2w 2x 2y „ 2z ,, 2aa 2bb „ 2cc 2dd 2ee .. .. ,, 2m , 2gg Taurewa West 4d .. Tokaanu Tongariro Timber Company .. Turangarere Tupapanui 2b 2 To Tuhi Iβ 2b 3 4c 2 Urewera 2a 2 Waharangi No. I „ No. 2 . . No. 3 .. No. 4 .. No. 5 .. Wateno Ranginui Wharetoto A B No. 1 .. No. 3 No. 4 .. No. 3 .. No. 6 .. No. 7 No. 8 .. No. 9 .. No. 10 .. No. 11 .. Wharepu No. 5 Waipapa Iβ lc Id VVaimarino A 12 A 13d .. A 15 A 16 A 18 A 19b A 20 B No. 1.. B 3b 2b .. Cd No. 2 E 14 No. 2 . . 5a 3 5b 3 Waipu 3b No. 2 ,, 4a 5js „ 5a .. Waipuna No. 1 Waipuna-Puharakeke lc Wainui Cash —Public Trustee deposit Gash—Bank 5 2 0 61 19 0 10 9 0 11 19 1 43 8 10 53 18 0 7 19 2 114 6 18,18 9 10 1 5 12 8 10 5 0 4 5 0 4 3 8 2 4 13 6 16 18 9 8 5 3 4 14 11 16 4 11 334 8 11 2,494 11 3 54 2 11 74 15 2 63 I 8 10 8 2 18 2 7 6 15 7 184 6 0 4 4 6 2.1 9 4 137 12 8 44 0 0 50 6 8 38 7 I 60 11 2 7 12 6 11 16 4 19 18 8 1 11 1 10 12 0 1 11 11 27 7 6 10 11 4 10 11 4 7 3 8 9 16 8 38 2 6 8 13 11 4 18 10 58 3 8 16 8 0 247 10 0 2.687 10 0 (i 0 0 164 10 8 115 12 10 18 17 0 90 10 9 0 4 3 (i 3 6 (58 16 8 12 13 0 14 9 5 12!) 8 9 56 18 7 8 6 9 11 16 4 19 18 8 0 I 7 10 12 0 0 1 7 27 10 0 10 I I 3 10 11 3 7 :i 7 9 16 9 35 15 8 16 19 2 4 19 10 35 16 2 0 8 0 430 18 3 3,747 15 7 0 6 2 81 11 7 2 19 1 14 7 3 208 17 8 15 0 0 43 15 3 297 2 7 86 0 6 1.414 3 8 392 9 7 220 9 2 0 13 0 0 13 0 9 18 10 26 11 10 2 5 3 44 14 9 70 19 3 2 13 6 12 16 1 2 5 0 1 1 5 0 7 7 0 3 11 14 10 5 28 Iβ 10 32 11 6 65 17 0 24 2 0 21 II 3 20 7 10 130 15 0 41 16 0 47 16 4 •17 10 7 7 4 11 114 6 18 18 9 10 1 5 12 6 4 •"> 0 5 5 0 5 3 8 31 4 13 5 19 5 7 4 13 11 38 12 5 16 0 0 151 0 8 1,434 5 8 59 16 9 157 14 3 175 15 5 4 9 9 338 13 2 195 9 10 73 18 5 260 7 8 30 12 6 390 4 2 443 17 11 6 7 11 47 12 10 16 J 3 1 5 5 3 547 10 10 410 2 215 0 0 56 1 7 114 12 9 18 10 4 310 7 1 391 6 7 220 9 2 2 3 10 2 4 0 33 10 10 38 13 11 14 19 1 34 10 4 59 4 9 9 0 5 38 8 9 7 12 5 3 12 4 1 5 9 4 0 11 1 19 5 4 0 3 5 4 10 96 9 6 51 3 7 59 1 4 61 12 1 442 17 6 98 2 8 1,494 0 9 445 0 11 14 11 11 20 8 8 ; 54 12 8; 13 1 1 18 17 8 31 0 8 25 4 1.0 13 14 9! 37' 6 II 1 0 11 40 13 1 21 18 3 30 8 8 10 3 9 I 27 4 4 20 17 5 89 8 9 115 1 5 23 13 8 26 18 0 10 II 9 29 1 1 29 8 11 11 9 11 3 17 0 10 13 5 21 0 2 1 17 7 3 16 5 142 5 7 114 18 11 30 12 6 28 15 9 36 3 10 1 14 2 I (i 3 I 7 6 I 7 6 91 ' 7 0 37 8 1 55 2 6 47 17 0 18 11 10 28 17 6 97 10 0 43 10 0 18 16 3 2(> 5 0! 83 4 8 6,223 10 0 445 0 2 508 7 0 247 6 0 9 12 10 87 17 5 16 0 5 317 2 2 21 17 0 3 3 5 41 0 0 111 11 10 180 14 8 6,223 10 0 2,216 0 0 761 18 0 344 14 8 67 1 0 64J 11 8 12' 6 0 . . 1 0 0 I 0 0 22 0 4 1,770 19 10 265 17 0 96 8 8 56 8 2 531 13 11 16 0 5 660 0 0 342'17 10 10 18 6 32 15 6 3 3 5 41 0 0 115 18 6 4,500 0 0 6,990 5 11 2,500 0 0 49,181 14 1 4 6 8 15,000 0 0 54,963 5 4 17,000 0 0 12,771 17 2 Totals 31,632 12 11 31,632 12 11 137,792 2 0 137,792 2 0 +0,062 19 11 46,062 19 11

Log in or create a Papers Past website account

Use your Papers Past website account to correct newspaper text.

By creating and using this account you agree to our terms of use.

Log in with RealMe®

If you’ve used a RealMe login somewhere else, you can use it here too. If you don’t already have a username and password, just click Log in and you can choose to create one.


Log in again to continue your work

Your session has expired.

Log in again with RealMe®


Alert