Page image
Page image

31

H.—l4

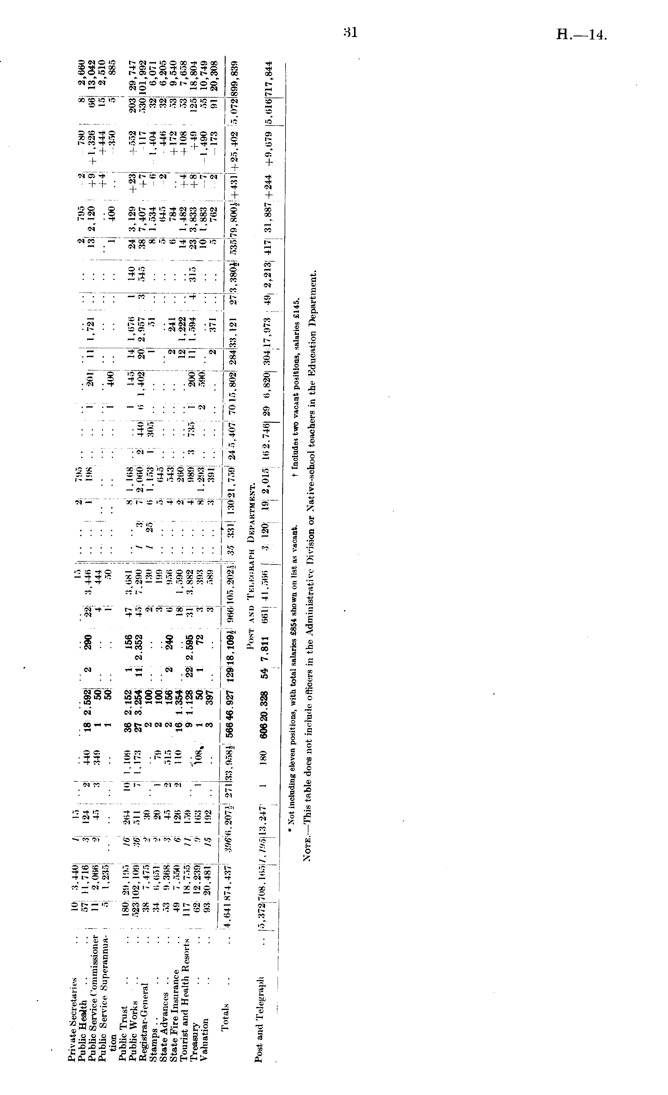
Private Secretaries .. 10 3 440 ? 15 15 > 7bb Pub!!: ££ Commissioner TfcJS J "j £ Tfl''" « 1 H" T H" " " 5 '•'■ ■ »».S 9 (j^S PnbHc Service Superannua- 5 ,. 2 35 .. .. .. 1 fl.. .. 1 Io !! !! !! .. V. V. i /. " " " ", 400 ? + S '5 f « Registrar-denerar 3 ' V 1 30 ' ' ' ' "' >' ' "p-o ,- I?'!£ 7 "" V' 402 202 - 957 3 ™ 38 7,407 +7 117 530 lOl^ ■Stamps ;j4 ,;',,-,, o £ "l 79 2 MO " \ QP - , .- ' " " ' ''' " " 8 l ' 534 6 l ' 40 * 32 °' 071 State Advances .. 53 0 368 7 .5 • ; , 22 o 9d/ , ! , - ' ,' "*" « 045 2 440 32 6,205 State RreInsurance 49 7560 6 126 2 10 il i w i» i 'oo " " , 2 24i " " 6 784 - l72 n 9 ' 540 Tourist and Health Resorts / 5 9 I28 22 2 595 31 " I SS't -•«- ' ', -inn SI'S , « ' 4 '' 482 ' + '° 8 » 7 ' 658 Treasury 62 12 239 1 \v'\ "1 Ins T ' =n 7 ?„ ., 3 *!„f " " 4 989 ! 735 ' 20 ° " |;>!u 4 315 23 3,833 +8 40 125 18,804 \-,i V " I2.J30, 9 10., 1 108 1 50 1 72 3 303 . .1 .. 8 1 203 •> 590 in 1 wi 7 1 aqo kk in -in Valuation .. 93 20 4SI 1.1 109 9 n 0 , ., ..... " Z... " ■• Iu l - ss -' —' —1,490 00 10,749 • ; 3 S - { - l8() • •• 3 39] 2 371 .. .. 5 762 I 2 173 91 20,308 T<>tals " ' *' 641 ' 874,4371 396I6T207J 27133.0581-566 46.927 12918.1091 000 105.2021 35 331 13021.750 245.107 70ll6,802| 284|33,121 |~27|3,380j| 535|79,800i|+431 +25,402 15,0721899,839 Post ami Telkoraph Department. Post and Telegraph .. J5.372 7i.8. 105 /.,,.; lit.247 I 180 60620.328 54 7.811 o.il 41.500 I .J 120 191 2,0151 1612,7461 29| 6,8201 304117,973 49, 2,2131 4171 31,8871+244, +9,679 15.6161717,844 * .Not including eleven positions, with total salaries £854 shown on list as vacant. t Includes two vacant positions, salaries £145. Nora.- This table does not include offioers in the Administrative Division or Native-school teachers in the Education Department.

Log in or create a Papers Past website account

Use your Papers Past website account to correct newspaper text.

By creating and using this account you agree to our terms of use.

Log in with RealMe®

If you’ve used a RealMe login somewhere else, you can use it here too. If you don’t already have a username and password, just click Log in and you can choose to create one.


Log in again to continue your work

Your session has expired.

Log in again with RealMe®


Alert