Page image
Page image

H.—l9c

6

Summary of Replies received in answer to Circular Letter — continued.

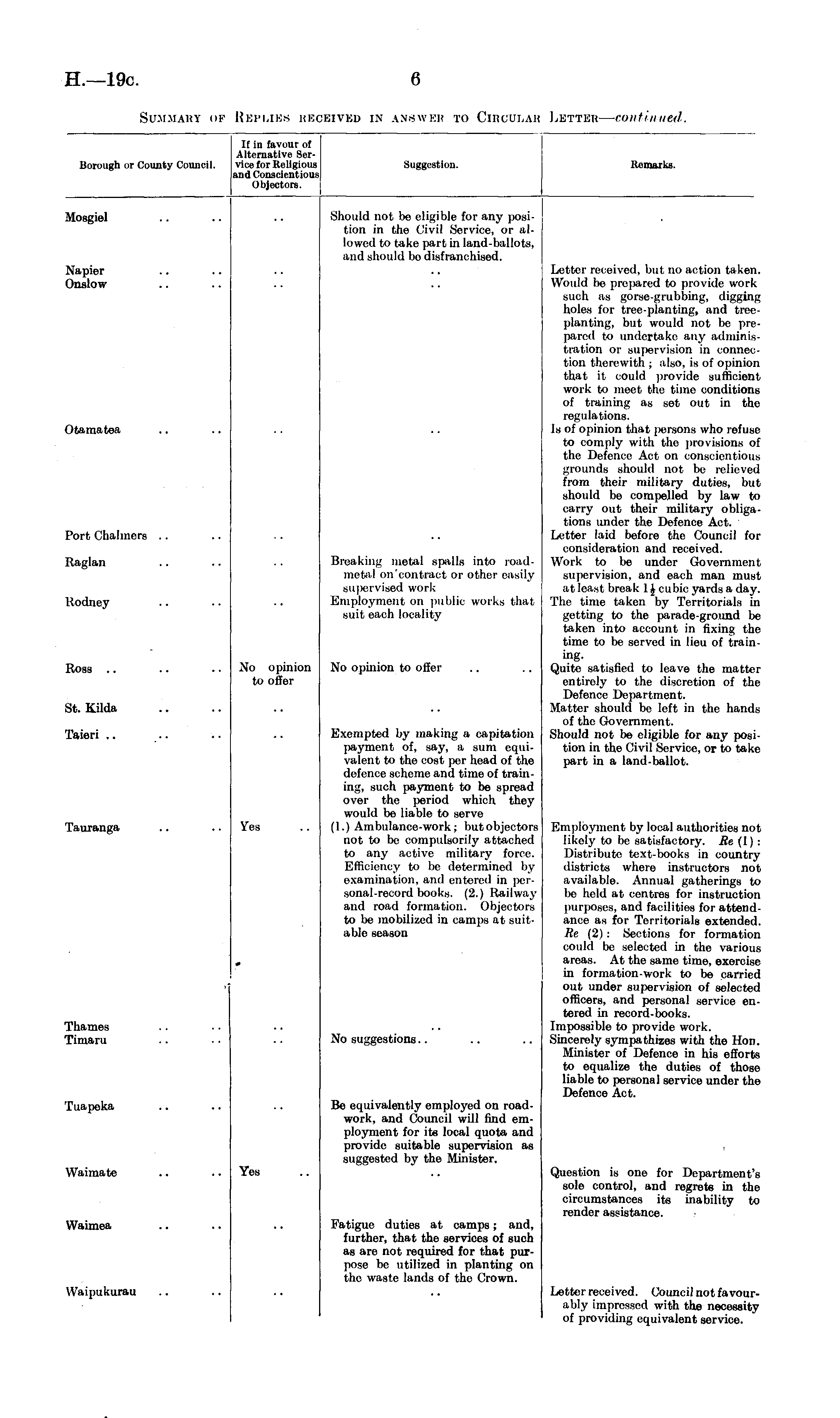
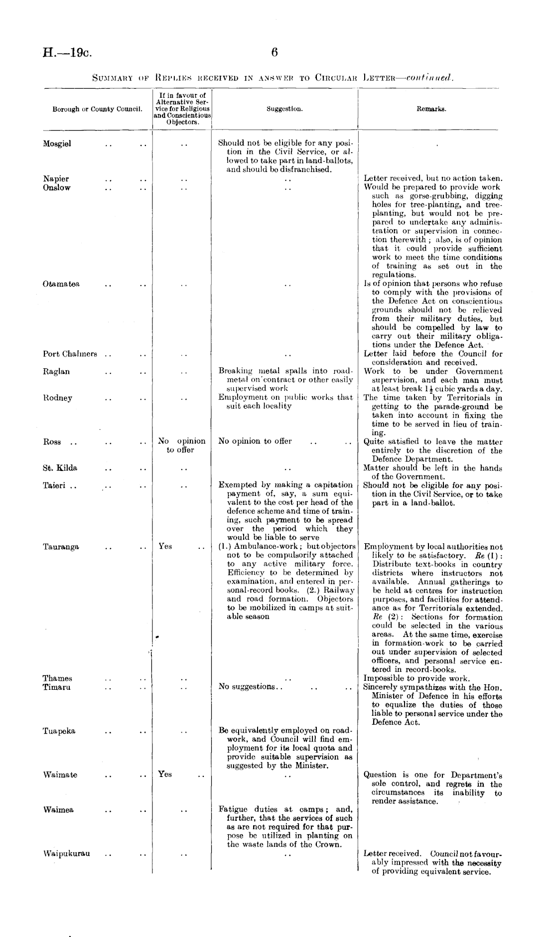
Borough or County Council. If in favour of Alternative Service for KnliKions and Conscientious Objectors. Suggestion. Remarks. losgiel Should not be eligible for any |«>si t ion in the Civil Service, or allowed to take part in land-ballots, and should lie disfranchised. lapier raslow )tamatea 'ort Chalmers .. Letter received, but no action taken. Would bo prepared to provide work such as gorse-grubbing, digging holes for tree-planting, and troeplanting, but would not lie prepared to undertake any administration or siii>ervision in connection therewith ; also, is of opinion that it could provide sufficient work to meet the time conditions of training as set out in the regulations. Is of opinion that persons who refuse to comply with the provisions of the Defence Act on conscientious grounds should not be relieved from their military duties, but should be compelled by law to carry out their military obligations under the Defence Act. Letter laid before the Council for consideration and received. Work to be under Government supervision, and each man must at least break 1 k cubic yards a day. The time taken by Territorials in getting to the parade-ground be taken into account in fixing the time to be served in lieu of training. Quite satisfied to leave the matter entirely to the discretion of the Defence Department. Matter should be left in the hands of the Government. Should not be eligible for any |>osi. tion in the Civil Service, or to take part in a land-ballot. laglan lodney Breaking metal spalls into roadmetal on'conti'aot or other easily supervised work Employment on public works that suit eaoh locality loss No opinion to offer No opinion to offer it. Kilda .'aiori .. "auranga Yes Exempted by making a oapitation ]>ayment of, say. a sum equivalent to the cost per head of the defence scheme and time of training, such payment to be spread over the period which they would be liable to serve (1.) Ambulance-work; but objectors not to be oompulsorily attached to any active military force. Efficiency to be determined by examination, and entered in per-sonal-reoord books. (2.) Railway and road formation. Objectors to be mobilized in camps at suitalile season Employment by local authorities not likely to be satisfactory. i?e(l): Distribute text-books in country districts where instructors not available. Annual gatherings to be held at oentrae for instruction purposes, and facilities for attendance as for Territorials extended. Re (2): Sections for formation could be selected in the various areas. At the same time, exorcise in formation-work to be carried out under supervision of selected officers, and personal service entered in record-books. Impossible to provide work. Sincerely sympathizes with the Hon. Minister of Defence in his efforts to equalize the duties of those liable to personal service under tho Defence Act. Thames Timaru No suggestions.. Tuapoka Be equivalently em))loyed on roadwork, and Council will find employment for its local quota and provide suitable supervision as suggested by the Minister. Waimate Yes Question is one for Department's sole control, and regrete in the circumstances its inability to render assistance. Waimea Fatigue duties at camps; and, further, that the services of such as are not required for that purpose be utilized in planting on the waste lands of the Crown. Waipukurau Letter received. Council not favourably impressed with the necessity of providing equivalent service.

Log in or create a Papers Past website account

Use your Papers Past website account to correct newspaper text.

By creating and using this account you agree to our terms of use.

Log in with RealMe®

If you’ve used a RealMe login somewhere else, you can use it here too. If you don’t already have a username and password, just click Log in and you can choose to create one.


Log in again to continue your work

Your session has expired.

Log in again with RealMe®


Alert