17
H.—23b
B—H. 23b
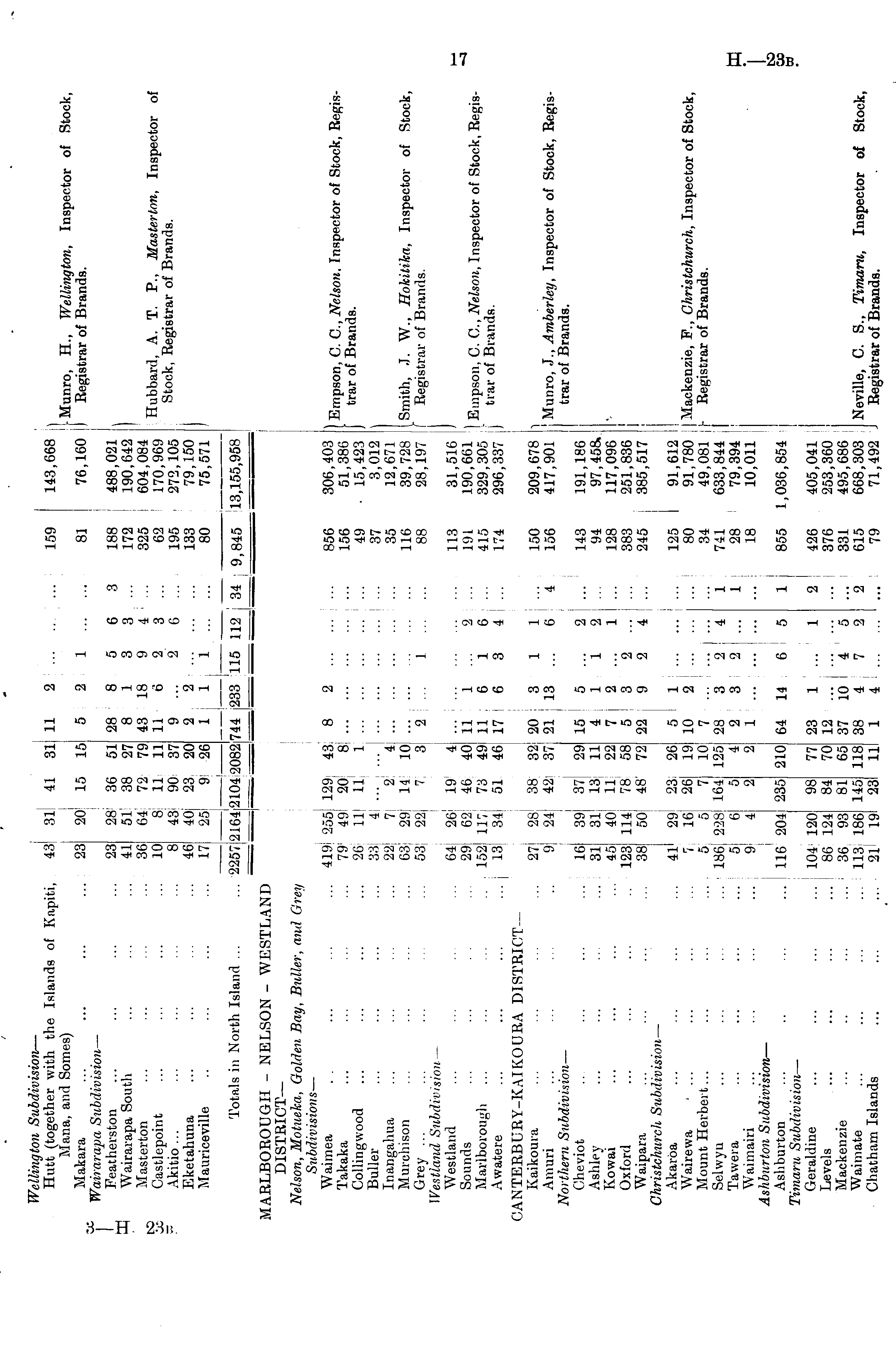
Wellington Subdivision — Hutt (together with the Islands of Kapiti, 43 3l| 41 31 Mans, and Somes) 3l| 41 31 20| 15 15 28! 3 6 51 5ll 38 27 64i 72 79 8j 11 11 43 90 37 40 23 20 25! 9 26 2164'i2104 2082 11 2 ... 159 143,668 -Munro, H., Wellington, Inspector of Stock, ) Registrar of Brands. Makara ... ... ... ... 23 20 15 15 Wairarapa Subdivision — Featherston ... ... ... ... 23 28 1 36 51 1 Wairarapa South ... ... ... 41 51 38 27 Masterton ... ... ... ... 36 64i 72 79 ! Castlepoint ... ... ... ... 10 8 ! 11 11 Akitio... ... ... ... ... 8 43 90 37 Eketahuna ... ... ... ... 46 40] 23 20 Mauriceville .. ... ... ... 17 25' 9 26 5 2 1 81 76,160 28 8 43 11 9 2 1 8 5 1 3 18 9 6 2 2 2 ... 1 i 1 6 3 3 ... 4 ... 3 ... 6 ... 188 172 325 62 195 133 80 488,021 190,642 604,084 170,969 272,105 79,150 75,571 I Hubbard, A. T. P., Master ton, Inspector o Stock, Registrar of Brands. ) Totals in North Island ... ... 2257J2164|2104 2082 744 233 115 112 34 9,845 13,155,958 MARLBOROUGH - NELSON - WESTLAND DISTRICT— Nelson, Motueka, Golden Bay, Buller, and Grey Subdivisions — Waimea . . ... ... ... 419 255 129 43 Takaka ... ... ... ... 79 49 20 8 Collingwood ... ... ... ... 26 11| 11 1 Buller ... ... ... ... 33 4! Inangahna ... ... ... ... 22 7! 2 4 Murchison ... ... ... ... 63 29 14 10 Grey ... ... ... ... ... 53 22 7 3 Westland Subdivision — Westland ... ... ... ... 64 26J 19 4 Sounds ... ... . . ... 29 62! 46 40 Marlborough ... ... ... .. 152 117 73 49 Awatere ... ... ... ... 13 34 51 46 8 2 ; ■■• "2 ::: i ::: ::: 856 156 49 37 35 116 88 306,403 51,386 • 15,423 3,012 12,671 39,728 28,197 IEmpson, C. C, Nelson, Inspector of Stock, Regis trar of Brands. I Smith, J. W., Hokitika, Inspector of Stock I Registrar of Brands. 11 1 ... 2 J ... 11 6 1 6 ... 17 6 3 4 ... 113 191 415 174 31,516 190,661 329,305 296,337 I Etnpson, C. 0., Nelson, Inspector of Stock, Regis i trar of Brands. CANTERBURY-KAIKOURA DISTRICT— Kaikoura ... ... ... ... 27 28 38 32 Amuri ... ... ... .. 9 24 42 37 Northern Subdivision — Cheviot ... ... ... ... 16 39 37 29 Ashley ... ... ... ... 31 31 13 11 Kowai ... ... ... ... 45 40 11 22 Oxford ... ... ... .. 123 114 78 58 Waipara ... ... ... ... 38 50 48 72 Christchurch Subdivision — Akarba ... ... ... ... 41 29 231 26 Wairewa • ... ... ... 7 16 26 19 Mount Herbert... ... ... ... 5 5 7 10 Selwyn ... ... ... ... 186 228 164 125 Tawera ... ... ... ... 5 6 5 4 Waimairi ... ... ... ... 9 4 2 2 Ashburton Subdivision — Ashburton ... .. ... ... 116 204 235 210 Timaru Subdivision— Geraldine ... ... ... ... 104 120 98 77 Levels . ... ... ... ... 86 124 84 70 Mackenzie ... .. ... ... 36 93 81 65 Waimate ... ... ... ... 113 186 145 118 Chatham Islands ... ... ... 21 19 23 11 20 3 1 1 ... 21 13 ... 6 4 15 5 ... 2 ... 4 1 1 2 ... 7 2 ... 1 ... 5 3 2 22 9 2 4 ... 5 1 10 2 7 ... 28 3 2 4 1 2 3 2 ... 1 1 150 156 143 94 128 383 245 125 80 34 741 28 18 209,678 417,901 191,186 97,458, 117,096 251,836 385,517 91,612 91,780 49,081 633,844 79,394 10,011 Munro, J., Amberley, Inspector of Stock, Regis trar of Brands. Mackenzie, P., Ghristchurch, Inspector of Stock ■ Registrar of Brands. 64 14 6 5 1 855 1,036,854 23 1 ... 1 2 12 37 10 4 5 ... 38 4 7 2 2 1 4 426 376 331 615 79 405,041 253,360 495,686 668,303 71,492 Neville, C. S., Timaru, Inspector of Stock Registrar of Brands.
Use your Papers Past website account to correct newspaper text.
By creating and using this account you agree to our terms of use.
Your session has expired.