Page image
Page image

22

C—lA.

Records of Milne Seismograph No. 16, at Christchurch.

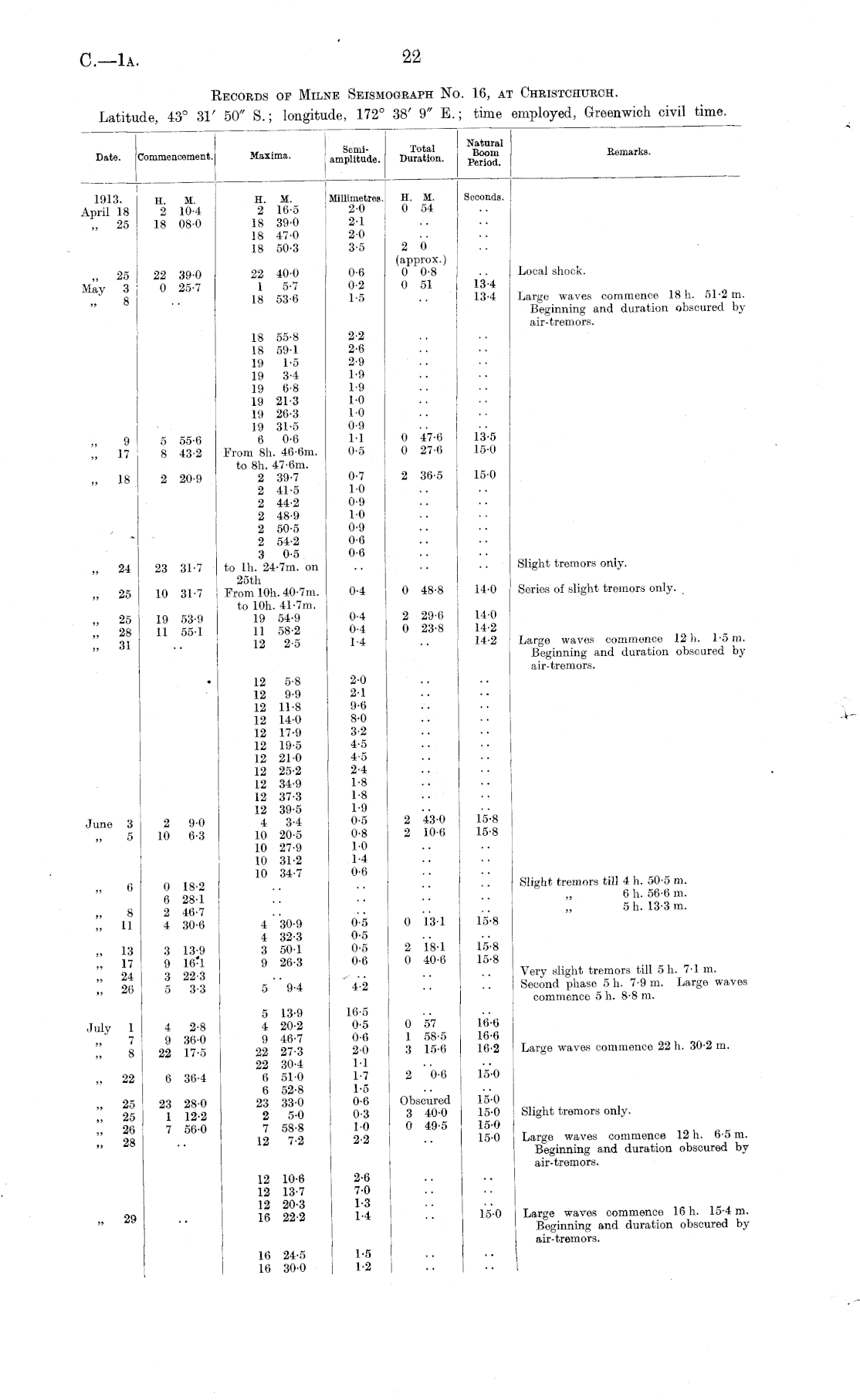
Latitude, 43° 31' 50" S.; longitude, 172° 38' 9" E.; time employed, Greenwich civil time. Date. tommencement. Maxima. Semiamplitude. Total Duration. Natural Boom Period. Remarks. 1913. .pril 18 ,, 25 H. M. 2 10-4 18 08-0 H. M. 2 16-5 18 39-0 18 47-0 18 50-3 Millimetres. 2-0 21 20 3-5 H. M. 0 54 Seconds. 22 390 0 25-7 22 40-0 1 5-7 18 53-6 0-6 0-2 1-5 2 0 (approx.) 0 0-8 0 51 134 13-4 Local shock. ,, 25 May 3 8 Large waves commence 18 h. 51-2 m. Beginning and duration obscured by air-tremors. 9 17 18 5 55-6 8 43-2 2 20-9 18 55-8 18 59-1 19 1-5 19 3-4 19 6-8 19 21-3 19 26-3 19 31-5 6 0-6 From 8h. 46-6m. to 8h. 47-6m. 2 39'7 2 41-5 2 44-2 2 48-9 2 50-5 2 54-2 3 0-5 to lh. 24-7m. on 25th From 10h. 40-7m. to 10h. 41-7m. 19 54-9 11 58-2 12 2-5 2-2 2-6 2-9 1-9 1-9 10 10 0-9 11 0-5 0-7 1-0 0-9 1-0 0-9 0-6 0-6 0 47-6 0 27-6 2 36-5 13-5 15-0 15-0 24 23 31-7 Slight tremors only. 25 10 31-7 0-4 0 48-8 14-0 Series of slight tremors only. >> 25 28 31 19 53-9 11 551 0-4 0-4 1-4 2 29-6 0 23-8 14-0 14-2 14-2 Large waves commence 12 h. 15 m. Beginning and duration obscured by air-tremors. • 12 5-8 12 9-9 12 11-8 12 14-0 12 17-9 12 19-5 12 21-0 12 25-2 12 34-9 12 37-3 12 39-5 4 3-4 10 20-5 10 27-9 10 31-2 10 34-7 2-0 21 9-6 8-0 3-2 4-5 4-5 2-4 1-8 1-8 1-9 0-5 0-8 1-0 1-4 0-6 Slight tremors till 4 h. 50-5 m. 6h. 56-6 m. 5h. 13-3 m. June 3 5 2 9-0 10 6-3 2 430 2 10-6 15-8 15-8 6 0 18-2 6 28-1 2 46-7 4 30-6 >» 8 11 4 30-9 4 32-3 3 501 9 26-3 0-5 0-5 0-5 0-6 0 131 15-8 13 17 24 26 3 13-9 9 16 r l 3 22-3 5 3-3 2 181 0 40-6 15-8 15-8 Very slight tremors till 5 h. 7-1 m. Second phase 5 h. 7-9 m. Large waves commence 5 h. 8-8 m. 5 9-4 4-2 July 1 7 8 4 2-8 9 360 22 17-5 5 13-9 4 20-2 9 46-7 22 27-3 22 30-4 6 510 6 52-8 23 330 2 50 7 58-8 12 7-2 16-5 0-5 0-6 20 11 1-7 1-5 0-6 0-3 10 2-2 0 57 1 58-5 3 15-6 16-6 16-6 16-2 Large waves commence 22 h. 30-2 m. 22 6 36-4 2 0-6 15-0 i> 25 25 26 28 23 280 1 12-2 7 56-0 Obscured 3 400 0 49-5 15-0 150 15-0 15-0 Slight tremors only. Large waves commence 12 b< 6*5 m. Beginning and duration obscured by air-tremors. 12 10-6 12 13-7 12 20-3 16 22-2 2-6 7-0 1-3 1-4 Large waves commence 16 h. 15-4 m. Beginning and duration obscured by air-tremors. »» 29 150 16 24-5 16 300 1-5 1-2

Log in or create a Papers Past website account

Use your Papers Past website account to correct newspaper text.

By creating and using this account you agree to our terms of use.

Log in with RealMe®

If you’ve used a RealMe login somewhere else, you can use it here too. If you don’t already have a username and password, just click Log in and you can choose to create one.


Log in again to continue your work

Your session has expired.

Log in again with RealMe®


Alert