G.—9
22
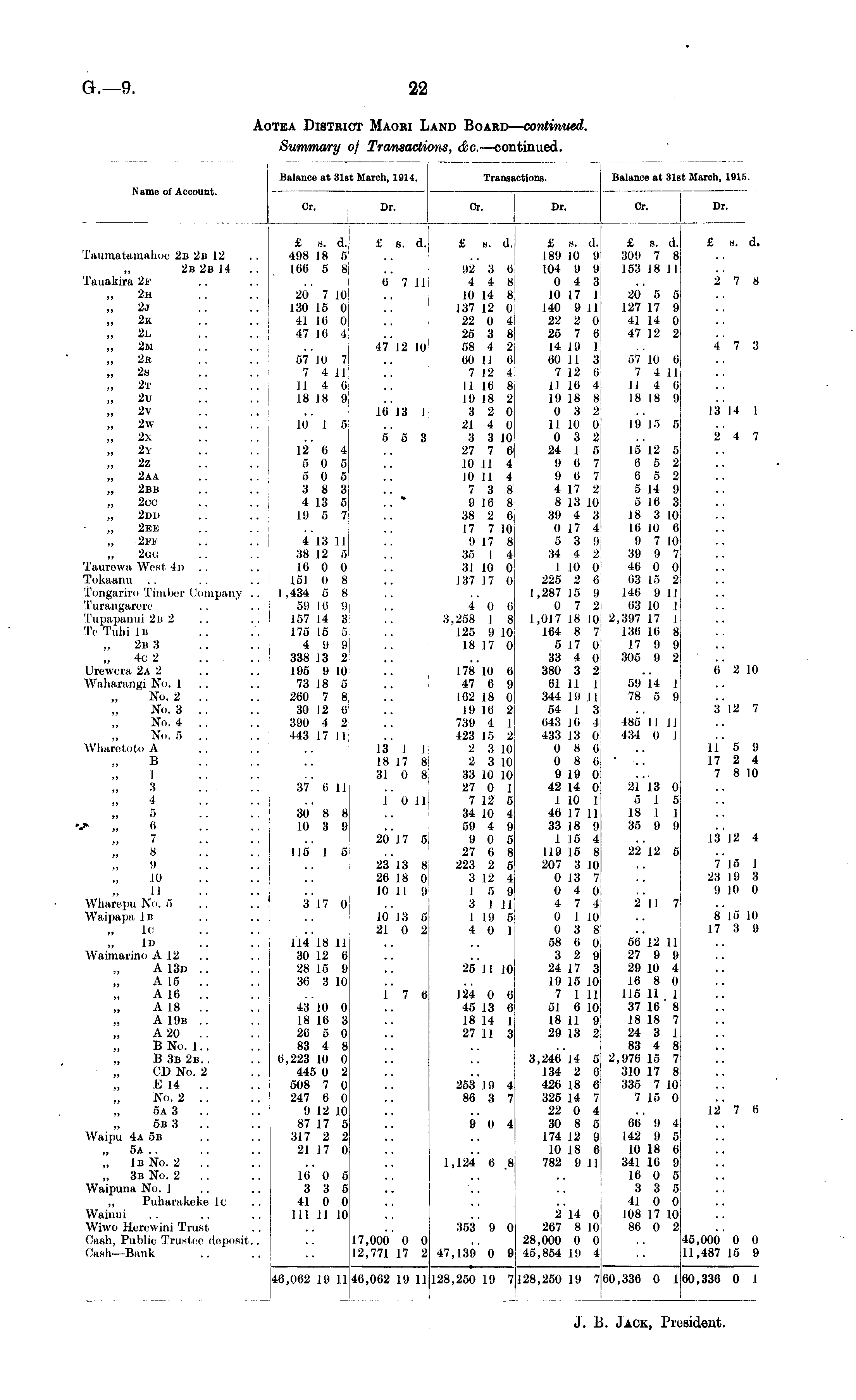
Aotea District Maori Land Board— continued. Summary of Transactions, &c. —continued.
J. li. Jack, President.
6
Use your Papers Past website account to correct newspaper text.
By creating and using this account you agree to our terms of use.
Your session has expired.