D.—3.
70
Railway Department Classification, 1916 — continued.
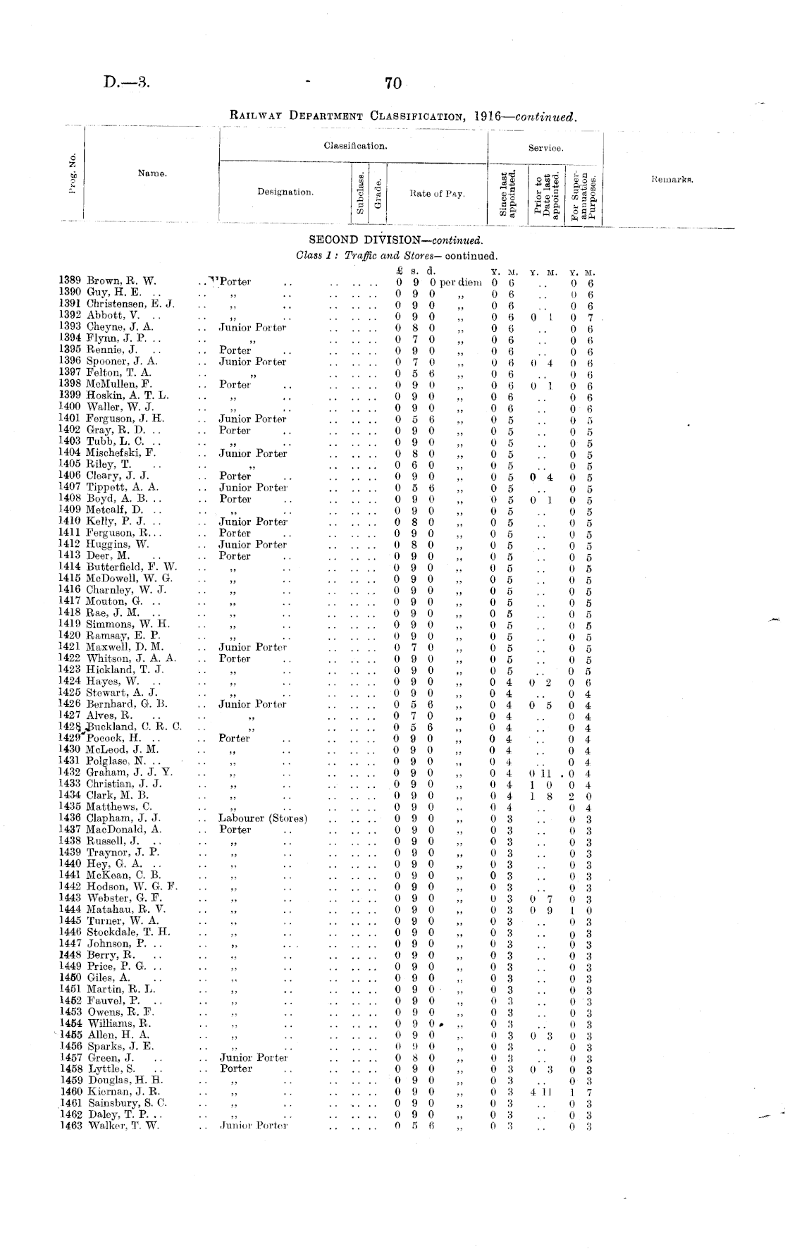
Classification. Service. A ah Name. p d Y, ah o 1 £ %t sit lis Designation. J | Rate'of Pay, || g-| Jj | co to& & oaoa3 d H sa ft, a a Keuaarks. SECOND DIVISION— continued. Glass 1 : Traffic and Stores— oontinued. 1389 Brown, R. W. 1390 Guy, H. E. 1391 Christensen, E. J. 1392 Abbott, V. .. 1393 Cheyne, J. A. 1394 Flynn, J. P. 1395 Rennie, J. . . 1396 Spoonor, J. A. 1397 Folton, T. A. 1398 McMullen, P. 1399 Hoskin, A. T. L. 1400 Waller, W. J. 1401 For-guson, J. H. 1402 Gray, R. D. .. 1403 Tubb, L. C. 1404 Mischefski, F. 1405 Riloy, T. 1406 Cloary, J. J. 1407 Tippett, A. A. 1408 Boyd, A. B. .. 1409 Metcalf, D. .. 1410 Kelly, P. J. 1411 Ferguson, R.. . 1412 Huggins, W. 1413 Deer, M. 1414 Butterfiold, F. W. 1415 McDowell, W. G. 1416 Charnley, W. J. 1417 Mouton, G. .. 1418 Rae, J. M. 1419 Simmons, W. H. 1420 Ramsay, E. P. 1421 Maxwoll, D. M. 1422 Whitson, J. A. A. 1423 Hickland, T. J. 1424 Hayes, W. .. 1425 Stewart, A. J. 1426 Bornhard, G. B. 1427 Alves, R. J3uckland, C. R. C. 1429*Pocock, H. .. 1430 McLeod, J. M. 1431 Polglase. N. .. 1432 Graham, J. J. Y. 1433 Christian, J. J. 1434 Clark, M. B. 1435 Matthews, C. 1436 Clapham, J. J. 1437 MacDonald, A. 1438 Russell, J. .. 1439 Traynor, J. P. 1440 Hey, G. A. 1441 McKean, C. B. 1442 Hodson, W. G. P. 1443 Webster, G. F. 1444 Matahau, R. V. 1445 Turner, W. A. 1446 Stockdale, T. H. 1447 Johnson, P. .. 1448 Berry, R. .. 1449 Price, P. G. 1450 Giles, A. 1451 Martin, R. L. 1462 Fauvel, P. .. 1453 Owens, R. F. 1464 Williams, R. 1455 Allen, H. A. 1456 Sparks, J. E. 1457 Green, J. 1458 Lyttlo, S. 1459 Douglas, H. H. 1460 Kiornan, J. R. 1461 Sainsbury, S. C. 1462 Daloy, T. P. .. 1463 Walker-, T. W. £ 8. d. Y. M. Y. M. Y. M. .. 0 9 0 por diem 0 6 .. 0 6 • • ' ., .. 0 9 0 „ 0 6 .. 0 6 0 9 0 „ 0 6 .. 0 6 090 „ 060107 .. Junior Porter 080 ,, 06 .. 06 070 „ 06 06 .. Porter .. 0 9 0 „ 0 6 .. 0 6 .. Junior Porter 0 7 0 ,, 0 6 0 4 0 6 0 5 6 „ 0 6 .. 0 6 .. Porter .. 0 9 0 ,, 0 6 0 1 0 6 0 9 0 „ 0 6 .. 0 6 0 9 0 „ 0 6 .. 0 6 . . Junior Porter 0 5 6 „ 0 5 .. 0 5 .. Porter .. 090 „ 05 .. 05 090 „ 05 .. 05 .. Junior Porter 080 ,, 05 .. 05 0 6 0 „ 0 5 .. 0 5 . . Porter .. 090 „ 05 04 05 .. Junior Porter 056 ,, 05 .. 05 .. Porter .. 0 9 0 „ 0 5 0 1 0 5 -..„ .. 090 „ 05 .. 05 .. Junior Porter 080 „ 05 .. 05 .. Porter .. 090 „ 05 .. 05 . . Junior Porter 0 8 0 „ 0 5 .. 0 5 . . Porter .. 090 „ 05 .. 05 0 9 0 „ 0 5 .. 0 5 090 „ 05 .. 05 0 9 0 „ 0 5 .. 0 5 090 „ 05 .. 05 0 9 0 „ 0 5 .. 0 5 0 9 0 „ 0 5 .. 0 5 0 9 0 „ 0 5 .. 0 5 . . Junior Porter 0 7 0 „ 0 5 .. 0 5 . . Porter .. 0 9 0 „ 0 5 .. 0 5 0 9 0 „ 0 5 .. 0 5 0 9 0 „ 0 4 0 2 0 6 090 „ 04 .. 04 . . Junior Porter- 056 ,, 0 4 05 04 070 „ 04 .. 04 056 „ 04 .. 04 .. Porter .. 0 9 0 „ 0 4 .. 0 4 090 „ 04 .. 04 0 9 0 „ 0 4 .. 0 4 0 9 0 „ 0 4 0 11 . 0 4 090 „ 041004 0 9 0 „ 0 4 18 2 0 0 9 0 ,, 0 4 .. 0 4 .. Labourer (Stores) 0 9 0 „ 0 3 .. 0 3 . . Porter .. 0 9 0 „ 0 3 .. 0 3 0 9 0 „ 0 3 . . 0 3 0 9 0 „ 0 3 .. 0 8 0 9 0 „ 0 3 .. 0 3 0 9 0 „ 0 3 .. 0 3 0 9 0 „ 0 3 .. 0 3 0 9 0 „ 0 3 0 7 0 3 0 9 0 „ 0 3 0 9 10 0 9 0 „ 0 3.. 0 3 0 9 0 „ 0 3 .. o 3 0 9 0 „ 0 3 .. 0 3 0 9 0 „ 0 3 .. 0 3 090 „ 03 .. 03 090 „ 03 .. 03 0 9 0,, 03 .. 03 0 9 0 „ 0 3 .. 0 :i 0 9 0 „ 0 3 .. 0 3 0 9 0*,, 03 .. 03 0 9 0 ,, 0 3 0 3 0 3 0 9 0 „ 0 3 .. 0 3 .. Junior Porter- 0 8 0 ,, 0 8 .. 0 3 .. Porter .. 0 9 0 „ 0 3 0 8 0 3 0 9 0 „ 0 3 .. 0 3 0 9 0 „ 0 3 4 11 17 0 9 0 „ 0 3 .. 0 3 0 9 0 „ 0 3 .. 0 3 .. Junior Porter 0 5 6 „ 0 3 .. 0 3
Use your Papers Past website account to correct newspaper text.
By creating and using this account you agree to our terms of use.
Your session has expired.