Page image
Page image

D.—3

72

Railway Department Classification, 1916 — continued.

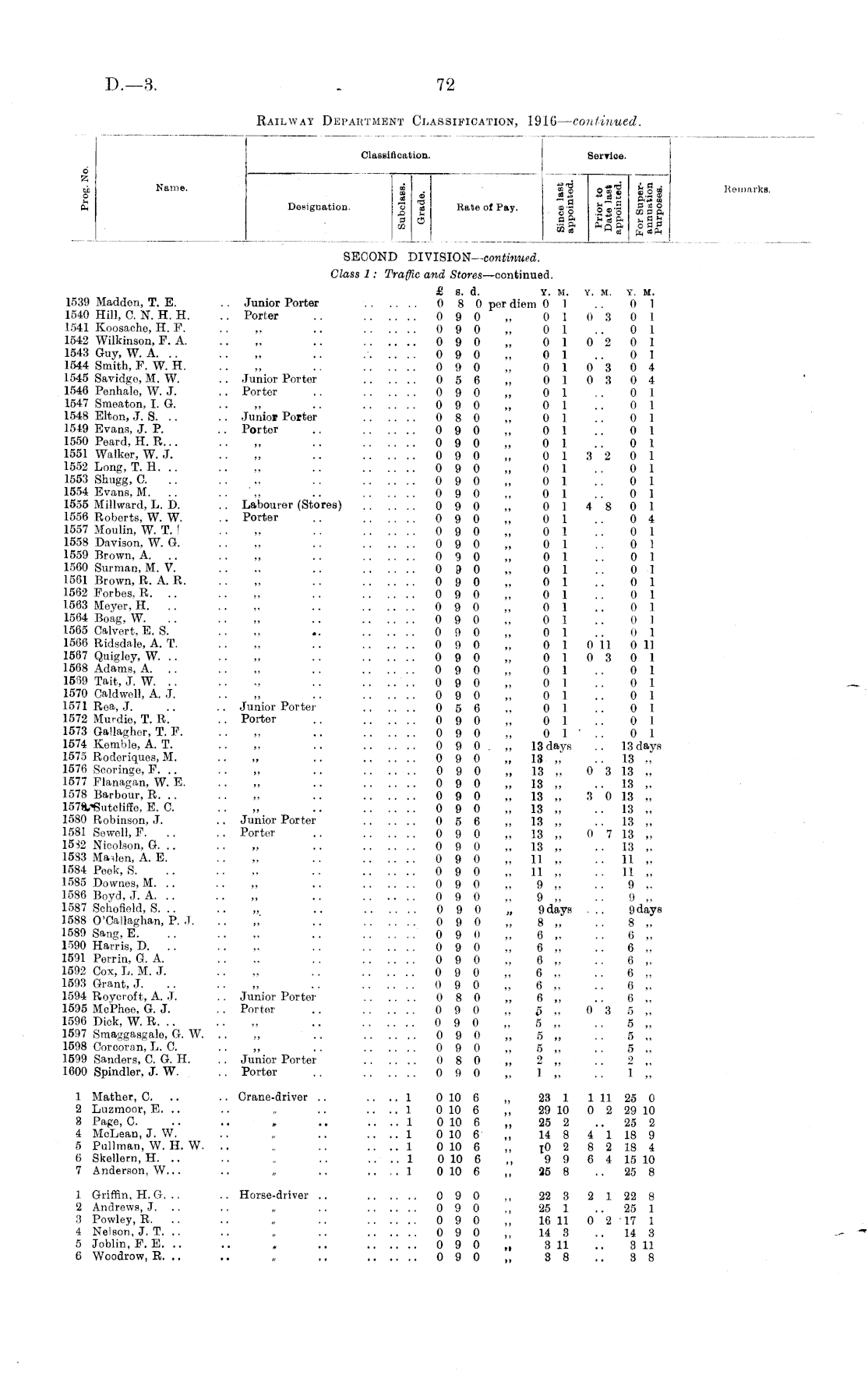
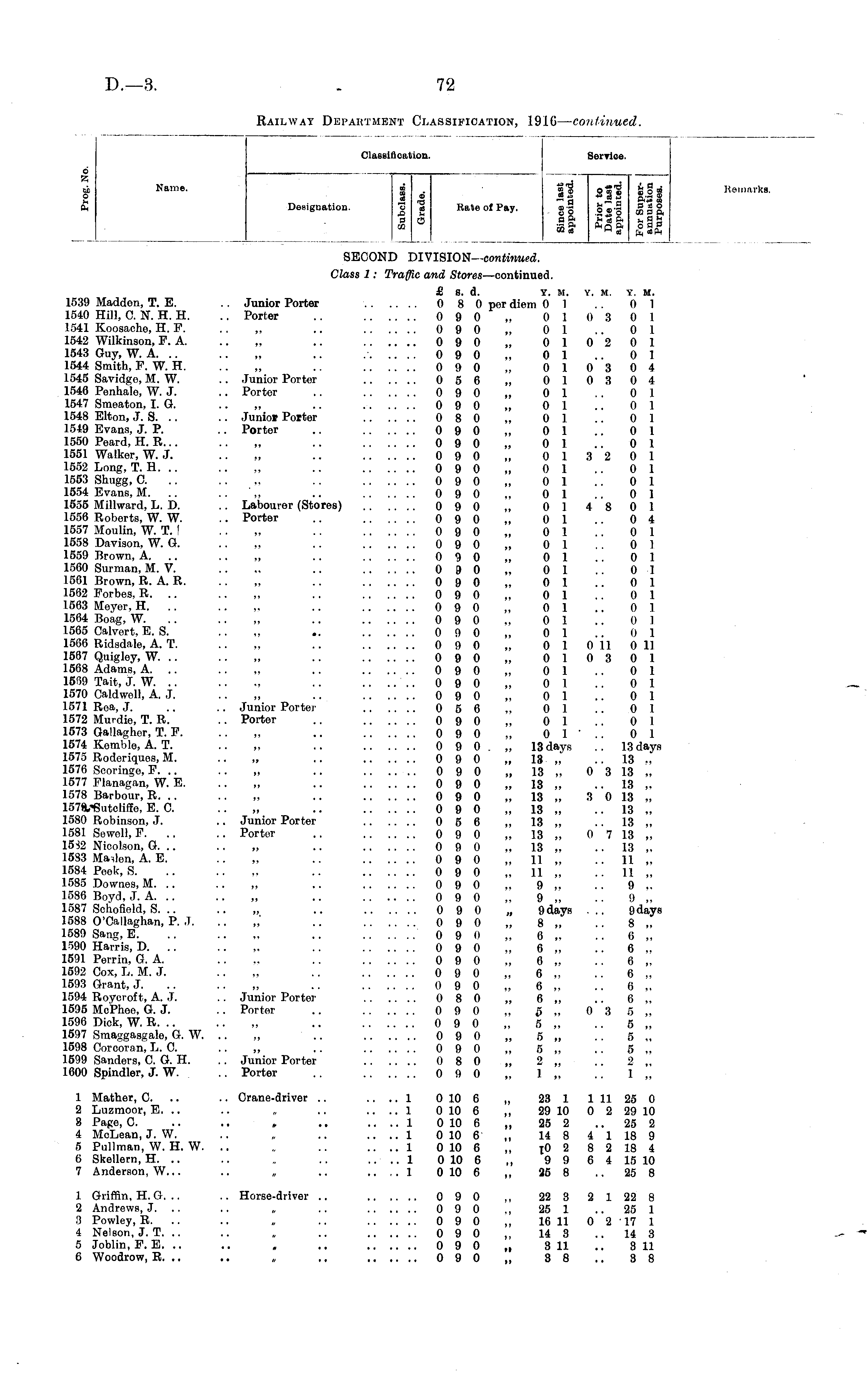
Classification. Service. A A Name. o fa a 6 A ah o fa a i d it Designation. o a* Rate of Pay. © — S> c cj O 3 9 a a * ens' «rr) si "" a cj--. a 2 a s m 9 sis! Ms a"13 a a o .2 • o CO 3 ft H a. a j* a fa aoa Sap w ccj £, caa _4»rt-S S % S u- a 2 S'3 F aj a aQ a H s« Ill 3 c3 O CC 3 ft b § 5 O fl n 3 Remarks. SECOND DIVISION- continued. Class 1: Traffic and Stores —continued. 1539 Madden, T. E. 1540 Hill, C N. H. H. 1541 Koosache, H. F. 1542 Wilkinson, F. A. 1543 Guy, W. A. 1544 Smith, F. W. H. 1545 Savidgo, M. W. 1546 Penhalo, W. J. 1547 Smoaton, I. G. 1548 Elton, J. S. 1549 Evans, J. P. 1550 Peard, H. R... 1551 Walker, W. J. 1552 Long, T. H. .. 1553 Shugg, 0. 1554 Evans, M. .. 1555 Millward, L. D. 1556 Roberts, W. W. 1557 Moulin, W. T. I 1558 Davison, W. G. 1559 Brown, A. 1560 Surman, M. V. 1561 Brown, R. A. R. 1562 Forbes, R. .. 1563 Moyor, H. .. 1564 Boag, W. 1565 Calvert, E. S. 1566 Ridsdale, A. T. 1567 Quigley, W. .. 1568 Adams, A. .. 1589 Tait, J. W. 1570 Caldwell, A. J. 1571 Roa, J. 1572 Murdie, T. R. 1573 Gallagher, T. F. 1574 Komblo, A. T. 1575 Roderiques, M. 1576 Scoringo, F. .. 1577 Flanagan, W. E. 1578 Barbour, R. .. 157tVSutcliffo, E. C. 1580 Robinson, J. 1581 Sewell, F. .. 15 S2 Nicolson, G. .. 15S3 Marlon, A. E. 1584 Peek, S. 1585 Downes, M. .. 1586 Boyd, J. A. 1587 Sohofield, S. .. 1588 O'Callaghan, P. J. 1589 Sang,E. 1590 Harris, D. .. 1591 Perrin, G. A. 1592 Cox, L. M. J. 1593 Grant, J. 1594 Roycrof t, A. J. 1595 McPhee, G. J. 1596 Dick, W. R. 1597 Smaggasgale, G. W. 1598 Corcoran, L. 0. 1599 Sanders, C G. H. 1600 Spindler, J. W. £ 8. d. Y. M. Junior Porter 0 8 0 per diem 0 1 .. Porter .. 0 9 0 „ 0 1 0 9 0 „ 0 1 0 9 0 „ 0 1 0 9 0 „ 0 1 0 9 0 „ 0 1 .. Junior Porter 056 „ 01 .. Porter .. 090 „ 01 0 9 0 „ 0 1 .. Junio* Porter 0 8 0 „ 0 1 .. Porter .. 0 9 0 „ 0 1 0 9 0 „ 0 1 0 9 0 „ 0 1 0 9 0 „ 0 1 0 9 0 „ 0 1 0 9 0 „ 0 1 .. Labourer (Stores) 090 „ 01 .. Porter .. 0 9 0 „ 0 1 0 9 0 „ 0 1 0 9 0 „ 0 1 0 9 0 „ 0 1 0 9 0 „ 0 1 0 9 0 „ 0 1 0 9 0 „ 0 1 0 9 0 „ 0 1 0 9 0 „ 0 1 0 9 0,, 01 0 9 0 „ 0 1 0 9 0 „ 0 1 0 9 0 „ 0 1 ...... 0 9 0 „ 0 1 0 9 0 „ 0 1 .. Junior Porter 056 „ 01 .. Portor .. 090 „ 01 0 9 0 „ 0 1' 0 9 0,, 13 days 0 9 0 „ 13 „ 0 9 0 „ 13 „ 0 9 0 „ 13 ., 0 9 0 „ 13 „ 0 9 0 „ 13 „ .. Junior Porter 0 5 6 ,, 13 ,, .. Portor .. 0 9 0 „ 13 „ 0 9 0 „ 13 „ 0 9 0 „ 11 „ 0 9 0 „ 11 „ 0 9 0 „ 9 „ 0 9 0 .. 9 „ 0 9 0 „ 9days 0 9 0 ,. 8 „ 0 9 0 ,. 6 „ 0 9 0 „ 6 ., 0 9 0 „ 6 ,. 0 9 0 „ 6 ,, 0 9 0 „ 6 „ .. Junior Porter 0 8 0 „ 6 ,, .. Porter .. 0 9 0 „ b „ 0 9 0 „ 5 „ 0 9 0 „ 5 „ 0 9 0 „ 5 „ .. Junior Porter 0 8 0 „ 2 „ .. Porter .. 0 9 0 „ 1 ,. Y. M. Y. M. 0 1 0 3 0 1 0 1 0 2 0 1 0 1 0 3 0 4 0 3 0 4 0 1 0 1 0 1 0 1 0 1 3 2 0 1 0 1 0 1 0 1 4 8 0 1 0 4 0 1 0 1 0 1 0 1 0 1 0 1 0 1 0 1 0 1 0 11 0 11 0 3 0 1 0 1 0 1 0 1 0 1 0 1 0 1 13 days .. 13 „ 0 3 13 „ .. 13 ,. 3 0 13 .. .. 13 ,, .. 13 „ 0 7 13 ,, .. 13 ,. .. 11 ,. .. 11 „ 9 .. 9 „ . .. 9days 8 „ 6 „ 6 ,. 6 „ 6 ., 6 ,. 6 „ 0 3 5 „ 5 „ 5 „ 5 ,. 2 '■'■ 1 ',', 1 Mather, 0. .. 2 Luzmoor, E. .. 8 Page, C. 4 McLean, J. W. 5 Pullman, W. H. W. 6 Skellern, H. .. 7 Anderson, W... .. Crane-driver .. .... 1 0 10 6 ,, 23 1 .... 1 0 10 6 ,, 29 10 .... 1 0 10 6 ,, 25 2 .... 1 0 10 6 ,, 14 8 .... 1 0 10 6 ,, x0 2 .... 1 0 10 6 ,, 9 9 ... 1 0 10 6 ,, 25 8 1 11 25 0 0 2 29 10 .. 25 2 4 1 18 9 8 2 18 4 6 4 15 10 25 8 1 Griffin, H. G. .. 2 Andrews, J. 3 Powley, R. .. 4 Nelson, J. T. .. 5 Joblin, P. E. .. 6 Woodrow, R. .. .. Horse-driver .. 0 9 0 ,, 22 3 0 9 0 ,, 25 1 0 9 0 ,, 16 11 0 9 0 ,, 14 8 0 9 0 „ 3 11 0 9 0 „ 8 8 2 1 22 8 .. 25 1 0 2 17 1 .. 14 3 8 11 8 8

Log in or create a Papers Past website account

Use your Papers Past website account to correct newspaper text.

By creating and using this account you agree to our terms of use.

Log in with RealMe®

If you’ve used a RealMe login somewhere else, you can use it here too. If you don’t already have a username and password, just click Log in and you can choose to create one.


Log in again to continue your work

Your session has expired.

Log in again with RealMe®


Alert