H.—B9
By Authority : Mabcus F. Marks, Government Printer, Wellington.— 1918.
Approximate Cost of Paper. — Preparation, not given ; printing (750 copies), £4.
Price 3d.]
3
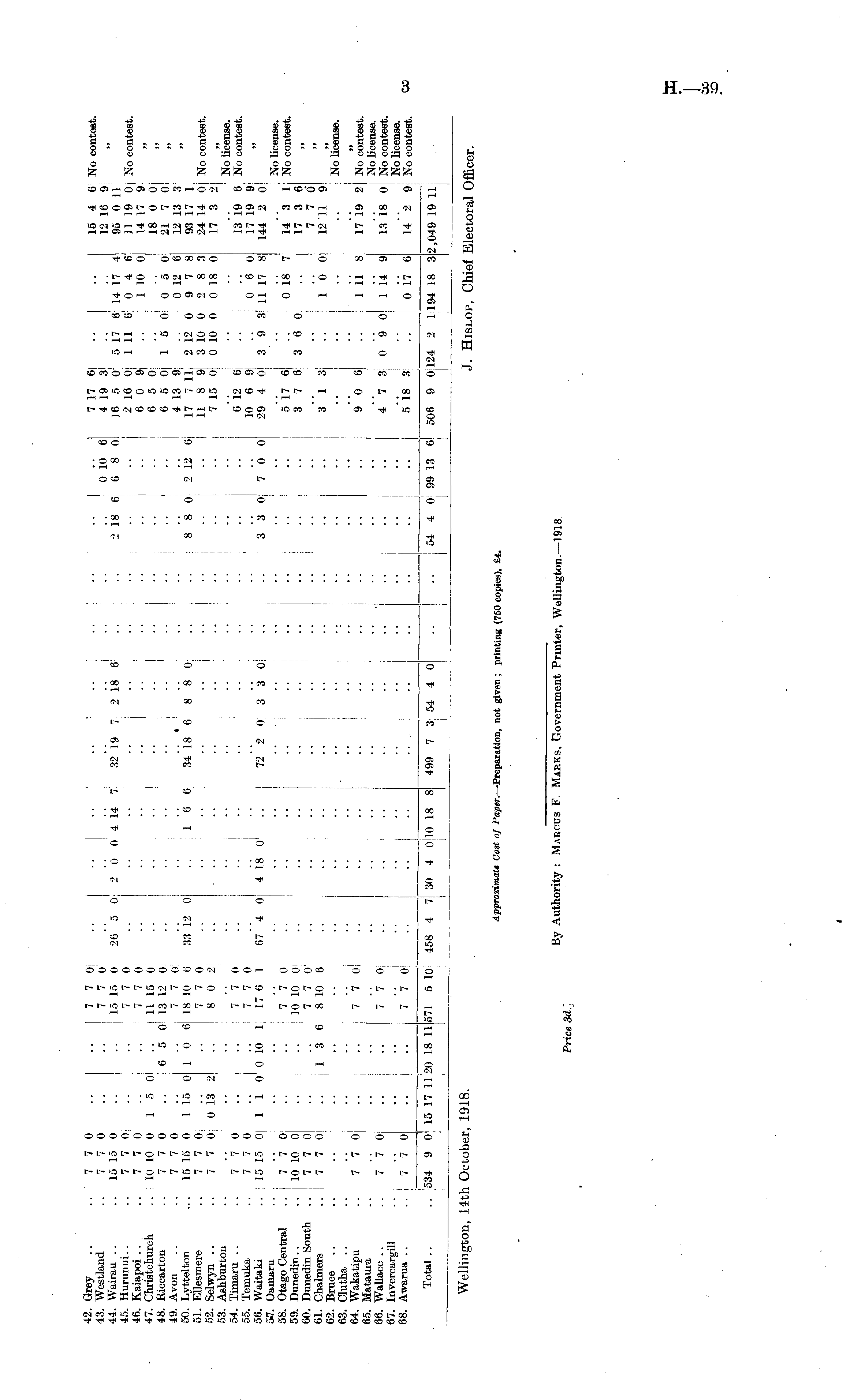
42. Grey 43. Westland 44. Wairau .. 45. Hurunui.. 46. Kaiapoi .. 47. Christchurch 48. Riccarton 49. Avon 50. Lyttelton 51. Ellesmere 52. Selwyn .. 53. Ashburton 54. Timaru .. 55. Temuka 56. Waitaki 5.7. Oamaru 58. Otago Central 59. Dunedin. . 60. Dunedin South 61. Chalmers 62. Bruce 63. Clutha .. 64. Wakatipu 65. Mataura 66. Wallace .. 67. Invercargill 68. Awarua .. ..(770 .. .. 770 7 70 .. .. 770 .. 15 15 0 .. .. 15 15 0 ..770 .. .. 770 ..770 .. ..770 .. 10 10 0 15 0 .. 1 11 15 0 ..770 .. 6 5 0! 13 12 0 77 0 .. .. 770 ... 15 15 0 1 15 0 1 0 6 18 10 6 ..770 .. .. 770 7700 13 2 .. 802 ..770 .. .. 770 ..770 .. .. 770 .. 15 15 0 1 1 0 0 10 1 17 6 1 770 .. 770 .. 10 10 0 .. .. 10 10 0 ..770 .. .. 770 770 .. 1368 10 6 ..770 .. .. 770 7 70 .. .. 770 .. I 7 7 0 .. .. 7 7 0 . , ,—, —. 26 5 0 2 0 0 4 14 33 12 0 .. 16 67 4 0 4 18 0 :: :: i :: 7 6 32 J9 7 34 18 6 72 "2 0 2 18 6 8 8 0 3 3 0 0 10 6 2 18 6 6 8 0 8 8 0 2 12 6j 3 3 0 7 0 0 - i 7 17 6j 4 19 3J 16 5 0- 5 17 6 14 17 4 1 2 16 0 1 11 6 0 4 6 6 0 9 .. 1 10 0 6 5 0 650 150050 4 13 9 .. 0 12 6 17 7 11 2 12 0 9 7 8 11 89 3 10 0 283 7 15 0 0 10 0 0 18 0 6 i2 6i '.'. '.'. 10 6 9i .. 0 6 0 29 4 0 3 9 3 11 17 8 5 17 6: .. 0 18 7 3 7 6 3 6 0 3 13 .. 10 0 9 0 6 .. 1 ii 8 4 7 3 0 9 0 114 9 9 18 3 .. 0 i? 6 15 4 6 No contest. 12 16 9 95 0 11 11 19 0 No contest. 14 17 9 18 0 0 21 7 0 12 13 3 93 17 1 24 14 0 No contest. 17 3 2 No license. 13 19 6 No contest. 17 19 9 144 2 0 No license. 14 3 1 No contest. 17 3 6 7 7 0' 12 Tl 9 No license. .. 17 19 2 No contest. No license. 13 18 0 No contest. No license. 14 2 9 No contest. Total . . ..534 9 0' 15 17 1120 18 11571 5 10 571 5 10 458 4 458 4 7 30 4 010 18 7 30 4 ojlO 18 8 499 8 4 499 7 3 c 7 3 54 4 0 54 4 0 54 4 oi 99 13 6 54 4 0! 99 13 6^ ,— j 506 9 0;124 2 1 194 18 3 506 9 0|124 2 1 194 18 3 2,049 19 11 I'll Wellington, 14th October, 1918. J. Hislop, Chief Electoral Officer.
Use your Papers Past website account to correct newspaper text.
By creating and using this account you agree to our terms of use.
Your session has expired.