Page image
Page image

G.—9

TABLE C.—NATIVE LAND PURCHASE— continued. Blocks under Negotiation— continued.

14

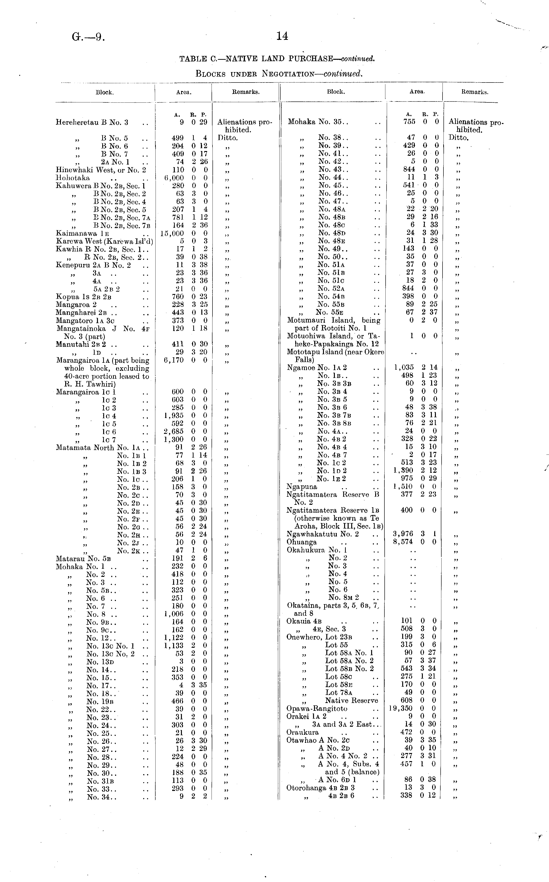
Block. Area. Remarks. lslock. Area. Remarks. Hereheretau B No. 3 A. E. P. 9 0 29 Alienations prohibited. Ditto. Mohaka No. 35 A. E. P. 755 0 0 Alienations prohibited. Ditto. B No. 5 .. B No. 6 B No. 7 2a No. 1 Hinewhaki West, or No. 2 Hohotaka Kahuwera B No. 2b, Sec. 1 BNo. 2b, Sec. 2 BNo. 2b, Sec. 4 BNo. 2b, Soc. 5 E No. 2b, See. 7a B No. 2b, Sec. 7b Kaimanawa 1e Karewa West (Karewa Jsl'd) Kawhia R No. 2b, Soc. 1.. R No. 2b, Sec. 2.. Kenepuru 2a B No. 2 3a .. 4a .. 5a 2b 2 Kopua Is 2b 2b Mangaroa 2 Mangaharei 2b .. Ia 3c Mangatainoka J No. 4f No. 3 (part) Manutahi 2b 2 .. Id .. Marangairoa Ia (part being whole block, excluding 40-acro portion leased to R. H. Tawhiri) Marangairoa lo 1 lo 2 lc 3 lo 4 10 5 lc 0 lo 7 Matamata North No. Ia .. No. Ib I No. Ib 2 No. Ib 3 No. lc .. No. 2b .. No. 2c .. No. 2d .. No. 2e .. No. 2f .. No. 2g .. No. 2h .. No. 2j .. No. 2k .. Matarau No. 5b Mohaka No. 1 .. No. 2 .. No. 3 .. „ No. 5b. . No. 6 .. No. 7 .. No. 8 .. No. 9b.. No. 9c. No. 12.. No. I3c No. 1 No. 13a No. 2 No. 13d No. 14.. No. 15.. No. 17.. No. 18.. No. 19b „ No. 22.. No. 23.. No. 24.. No. 25.. No. 20.. No. 27.. No. 28.. No. 29.. No. 30.. No. 31b No. 33.. No. 34.. 499 1 4 204 0 12 409 0 17 74 2 26 110 0 0 0.000 0 0 280 0 0 03 3 0 83 3 0 207 1 4 781 1 12 104 2 36 15,000 0 0 5 0 3 17 1 2 39 0 38 11 3 38 23 3 36 23 3 36 21 0 0 760 0 23 228 3 25 443 0 13 373 0 0 120 I 18 411 0 30 29 3 20 6,170 0 0 000 0 0 003 0 0 285 0 0 1,935 0 0 592 0 0 2,085 0 0 1,300 0 0 91 2 26 77 I 14 68 3 0 91 2 26 206 1 0 158 3 0 70 3 0 45 0 30 45 0 30 45 0 30 50 2 24 50 2 24 10 0 0 47 1 0 191 2 6 232 0 0 418 0 0 112 0 0 323 0 0 251 0 0 180 0 0 1,006 0 0 164 0 0 162 0 0 1,122 0 0 1,133 2 0 53 2 0 3 0 0 218 0 0 353 0 0 4 3 35 39 0 0 466 0 0 39 0 0 31 2 0 303 0 0 21 0 0 20 3 30 12 2 29 224 0 0 48 0 0 188 0 35 113 0 0 293 0 0 9 2 2 No. 38.. No. 39.. No. 41.. No. 42.. No. 43.. No. 44.. No. 45.. No. 46.. No. 47.. No. 48a No. 48B No. 48a No. 48n No. 48e No. 49.. No. 50.. No. 51a „ No. 51b No. 51c No. 52a „ No. 54n „ No. 55b No. 55k Motumauri Island, being part of Rotoiti No. 1 Motuohiwa Island, or Ta-hoko-Papakainga No. 12 Mototapu Island (near Okore Falls) Ngamoe No. Ia 2 No. IB.. „ No. 3b 3b No. 3b 4 No. 3b 5 No. 3b 0 „ No. 3b 7b No. 3b 8b „ No. 4a .. No. 4b 2 No. 4b 4 No. 4b 7 No. lc 2 No. Id 2 No. 1e 2 Ngapuna Ngatitamatera Reserve B No. 2 Ngatitamatera Reserve Ib (otherwise known as Te Aroha, Block III, Sec. Ib) Ngawhakatutu No. 2 Ohuanga Okahukura No. 1 No. 2 No. 3 No. 4 No. 5 No. 6 No. 8m 2 Okataina, parts 3, 5 6b, 1, and 8 Okauia 4b „ 4e, Sec. 3 Onowhcro, Lot 23 ii Lot 55 Lot 58a No. 1 Lot 58a No. 2 Lot 58b No. 2 Lot 68c Lot 58e Lot 78a ,, Native Reserve Opawa -Rangitoto Orakei Ia 2 3a and 3a 2 East... Oraukura Otawhao A No. 2c A No. 2d A No. 4 No. 2 .. „ A No. 4, Subs. 4 and 5 (balance) ,, A No. 6d 1 Otorohanga 4b 2b 3 „ 4b 2b 6 47 0 0 429 0 0 20 0 0 5 0 0 844 0 0 11 1 3 541 0 0 25 0 0 5 0 0 22 2 20 29 2 16 0 1 33 24 3 30 31 1 28 143 0 0 35 0 0 37 0 0 27 3 0 18 2 0 844 0 0 398 0 0 89 2 25 67 2 37 0 2 0 1 0 0 1,035 2 14 498 1 23 00 3 12 9 0 0 9 0 0 48 3 38 83 3 11 70 2 21 24 0 0 328 0 22 15 3 10 2 0 17 513 3 23 1,390 2 12 975 0 29 I ,510 0 0 377 2 23 400 0 0 3,970 3 1 8,574 0 0 »? 101 0 0 508 3 0 199 3 0 315 0 6 90 0 27 57 3 37 543 3 34 275 1 21 170 0 0 49 0 0 608 0 0 19,350 0 0 9 0 0 14 0 30 472 0 0 39 3 35 40 0 10 277 3 31 457 1 0 )) 86 0 38 13 3 0 338 0 12

Log in or create a Papers Past website account

Use your Papers Past website account to correct newspaper text.

By creating and using this account you agree to our terms of use.

Log in with RealMe®

If you’ve used a RealMe login somewhere else, you can use it here too. If you don’t already have a username and password, just click Log in and you can choose to create one.


Log in again to continue your work

Your session has expired.

Log in again with RealMe®


Alert