Page image
Page image

A. -3';

Return showing Value of Imports for the Year ended 31st December, 1919 —continued.

8

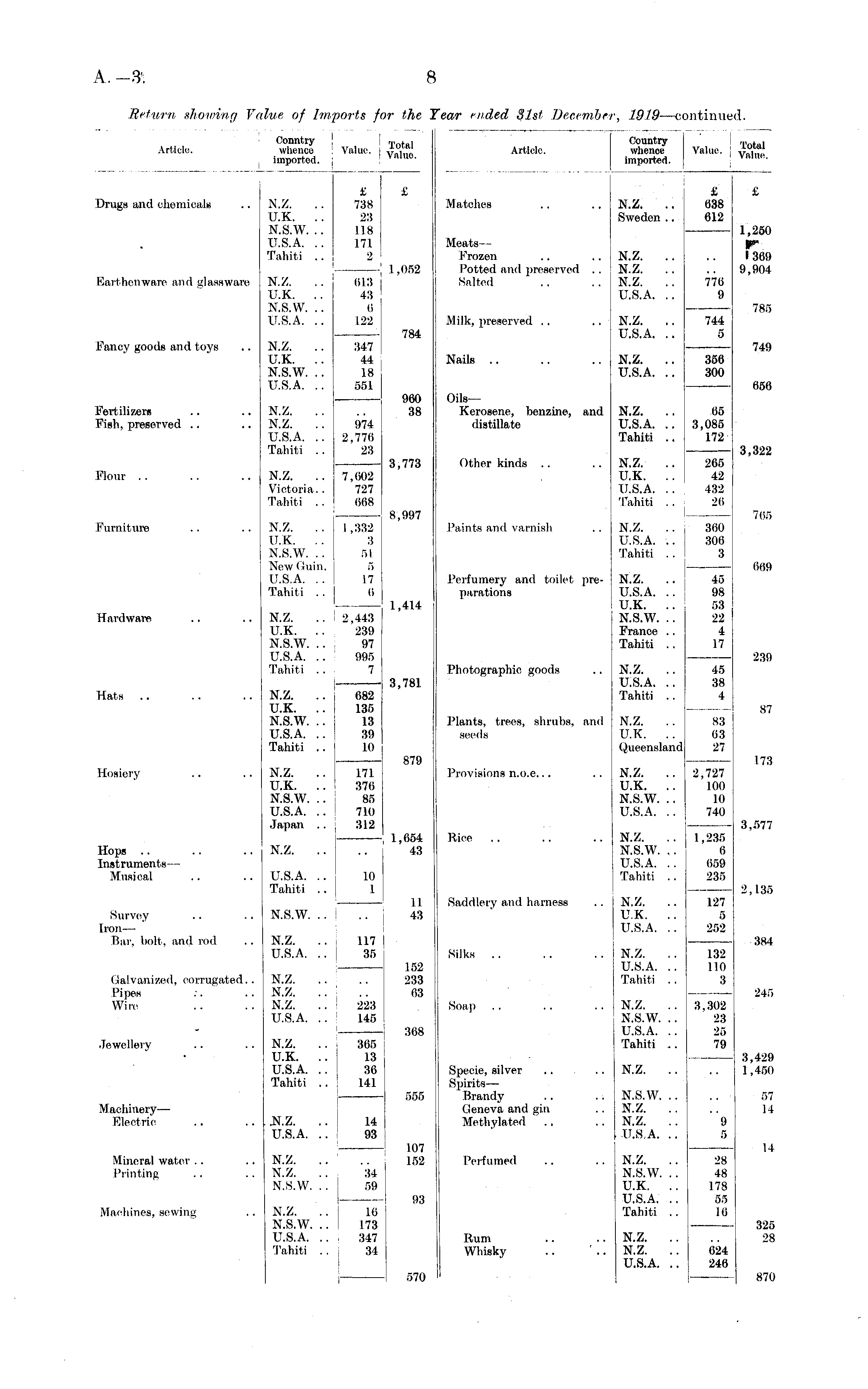
Article. Conntry whence imported. Val ue I TOW value. | Vn]u0 Article. Country ,,, . , whence Value. , A 0 ™ imported. VftlnB - I Drugs and chemicals N.Z. U.K. .. N.S.W. .. U.S.A. .. Tahiti . . £ £ 738 23 118 171 2 Matches N.Z. Sweden .. £ 638 612 £ 1,250 I 369 9,904 MeatsFrozen Potted and preserved .. Salted N.Z. N.Z. .. N.Z. U.S.A. .. Earthenware and glassware N.Z. U.K. .. N.S.W. .. U.S.A. .. 1 J 1,052 613 43 6 122 1,052 776 9 Milk, preserved N.Z. U.S.A. .. 785 Fancy goods and toys 744 5 N.Z. U.K. .. N.S.W. .. U.S.A. .. 784 347 44 18 551 784 Nails N.Z. .. U.S.A. .. j 350 300 749 Fertilizers Fish, preserved OilsKerosene, benzine, and elistillate N.Z. .. U.S.A. .. Tahiti .. 650 N.Z. N.Z. U.S.A. .. Tahiti . . 960 960 38 65 3,085 172 38 974 2,776 23 3,322 Flour N.Z. Victoria. . Tahiti . . 3,773 Other kinds N.Z. U.K. .. U.S.A. .. Tahiti . . 265 42 432 26 7,602 727 668 8,997 765 Furniture N.Z. UK .. N.S.W. .. New (iuin. U.S.A. .. Tahiti . . 1 ,332 3 51 5 17 6 Paints and varnish N.Z. .. U.S.A. .. Tahiti . . 360 306 3 Hardware Perfumery and toilet preparations N.Z. U.S.A. .. U.K. .. N.S.W. .. Eranee .. Tahiti .. 45 98 Jl 17 669 N.Z. U.K. .. N.S.W. .. U.S.A. .. Tahiti . . 2,443 239 97 995 7 1,414 Photographic goods 239 Hats 682 135 13 39 10 N.Z. U.S.A. .. Tahiti . . 45 38 4 N.Z. .. U.K. .. N.S.W. .. U.S.A. .. Tahiti .. 3,781 S7 Plants, trees, shrubs, and seeds N.Z. U.K. . . Queensland 83 63 27 Hosiery N.Z. .. U.K. .. N.S.W. .. U.S.A. .. Japan .. 171 376 85 710 312 879 Provisions n.o.e... N.Z. U.K. .. N.S.W. .. U.S.A. .. 2,727 100 10 740 173 Hops Instruments — ■ M'usical Rice .. N.Z. N.S.W. . . U.S.A. . . Tahiti .. I , 235 6 659 235 3,577 N.Z. .. 1,054 43 U.S.A. .. Tahiti .. 10 1 Saddlery and harness 2,135 Survey Iron — Bar, holt, anel rod N.S.W. .. 11 43 N.Z. U.K. .. U.S.A. . . 127 5 252 N.Z. .. U.S.A. .. 117 35 152 233 63 Silks .. N.Z. U.S.A. .. Tahiti .. 132 110 3 381 Galvanized, corrugated.. Pi pes Wire N.Z. N.Z. N.Z. U.S.A. .. 223 145 3,302 23 25 79 245 368 Soap N.Z. N.S.W. . . U.S.A. .. Tahiti . . Jewellery N.Z. U.K. .. U.S.A. .. Tahiti .. i 365 13 36 141 3,429 1,450 Specie, silver Spirits — Brandy Geneva and gin Methylated N.Z. Machinery— Eleotrw , N.Z. U.S.A. .. 14 93 555 N.S.W. .. N.Z. N.Z. U.S.A. .. 9 5 57 14 Mineral water Printing N.Z. N.Z. N.S.W. .. 107 152 Perfumed N.Z. N.S.W. .. U.K. .. U.S.A. .. Tahiti .. 14 34 59 93 28 48 178 55 10 325 28 Machines, sewing N.Z. N.S.W. .. U.S.A. .. Tahiti . . 16 173 347 34 Rum Whisky N.Z. N.Z. U.S.A. .. 624 246 870 570

Log in or create a Papers Past website account

Use your Papers Past website account to correct newspaper text.

By creating and using this account you agree to our terms of use.

Log in with RealMe®

If you’ve used a RealMe login somewhere else, you can use it here too. If you don’t already have a username and password, just click Log in and you can choose to create one.


Log in again to continue your work

Your session has expired.

Log in again with RealMe®


Alert