Page image
Page image

G.-9

12

TABLE C.—NATIVE LAND PURCHASE— continued. Blocks under Negotiation— continued.

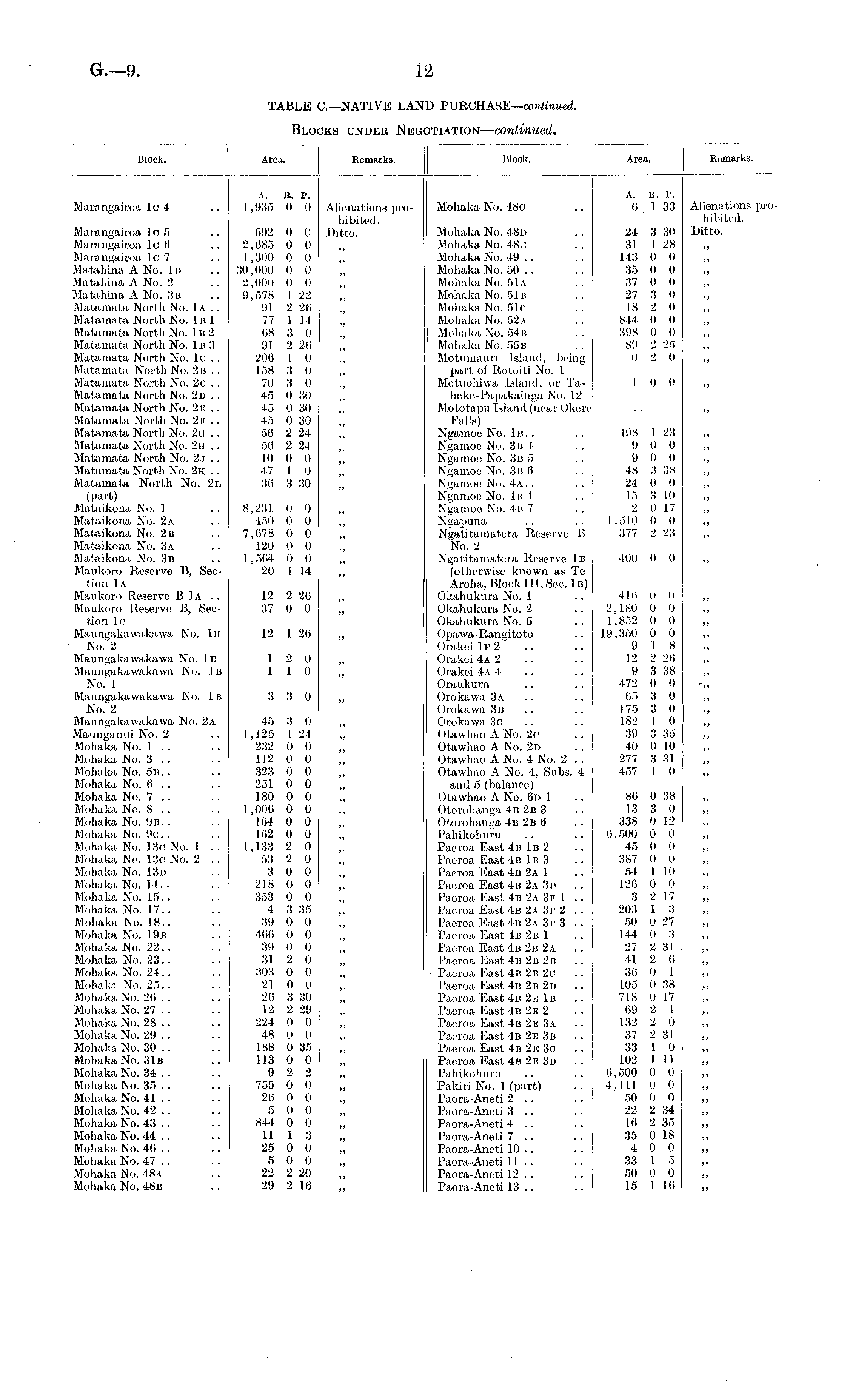
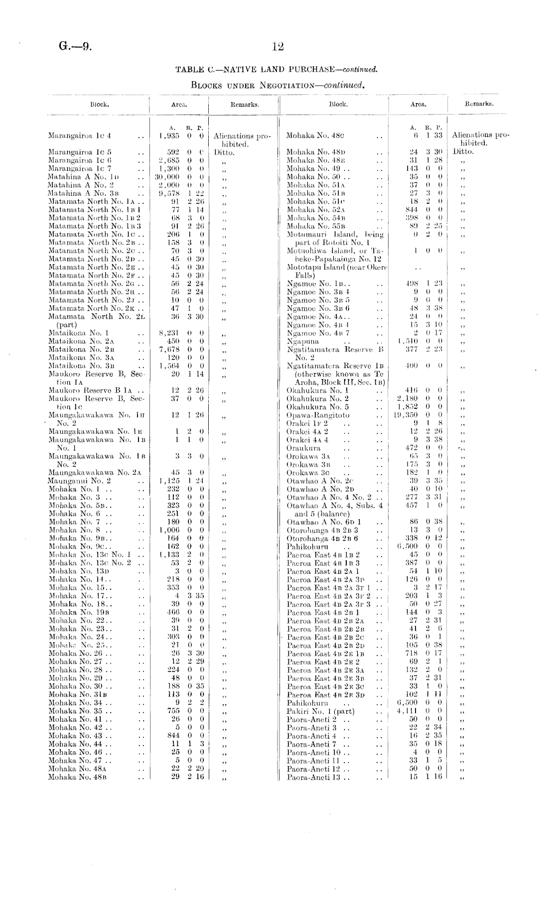
Block. Area. Remarks. Block. Area. Remarks. Marangairoa lc 4 A. B. P. I,935 0 0 Alienations prohibited. Ditto. Mohaka No. 480 A. B. P. 6 1 33 Alienations pro hibited. Ditto. Marangairoa lo 5 Marangairoa lc 0 Marangairoa lc 7 Matahina A No. Id .Matahina A No. 2 Matahina A No. 3b Matamata North No. lA . . Matamata North No. 1b 1 Matamata North No. 1b 2 Matamata North No. 1b 3 Matamata North No. lc .. Matamata North No. 2 b Matamata North No. 2c .. Matamata North No. 2d .. Matamata North No. 2e .. Matamata North No. 2 J? .. Matamata' North No. 2u .. Matamata North No. 2n . . Matamata North No. 23 .. Matamata North No. 2k .. Matamata North No. 2n (part) Mataikona No. 1 Mataikona No. 2a Mataikona No. 2b Mataikona No. 3a Mataikona No. 3b Maukoro Reserve B, Section 1a Maukoro Reservo B 1a .. Maukoro Reservo B, Section lc Maungakawakawa No. 1h No. 2 Maungakawakawa No. 1e Maungakawakawa No. 1b No. 1 Maungakawakawa No. 1.B No. 2 Maungakawakawa No. 2a Maungauui No. 2 Mohaka No. 1 .. Mohaka No. 3 .. Mohaka No. 5b Mohaka No. 6 .. Mohaka No. 7 .. Mohaka No. 8 .. Mohaka No. 9b. . Mohaka No. 9c.. Mohaka No. 13c No. 1 .. Mohaka No. 13c No. 2 .. Mohaka No. 13d Mohaka No. 14.. Mohaka No. 15.. Mohaka No. 17.. Mohaka No. 18.. Mohaka No. 19b Mohaka No. 22.. Mohaka No. 23.. Mohaka No. 24.. Mobako No. 25.. Mohaka No. 26 .. Mohaka No. 27 .. Mohaka No. 28 .. Mohaka No. 29 .. Mohaka No. 30 .. Mohaka No. 31b Mohaka No. 34 .. Mohaka No. 35 .. Mohaka No. 41 .. Mohaka No. 42 .. Mohaka No. 43 . . Mohaka No. 44 .. Mohaka No. 46 .. Mohaka No. 47 .. Mohaka. No. 48a Mohaka No. 48b 592 0 0 2,688 0 0 1,300 0 0 30,000 0 0 2,000 0 0 9,578 1 22 91 2 26 77 1 14 68 3 0 91 2 26 206 I 0 158 3 0 70 3 0 45 0 30 45 0 30 45 0 30 56 2 24 56 2 24 10 0 0 47 1 0 36 3 30 Mohaka No. 48d Mohaka. No. 48k Mohaka No. 49 Mohaka No. 50 .. Mohaka No. 51a Mohaka No. 51b Mohaka No. 51c Mohaka No. 52a Mohaka No. 54b Mohaka No. 55b Motumauri Island, being part of Rotoiti No. I Motuohiwa Island, or Ta-heke-Papakainga No. 12 Mototapu Island (near Okore Balls) Ngamoo No. 1b. . Ngamoo No. 3n !■ Ngamoo No. 3b 5 Ngamoo No. 3b 0 Ngamoo No. 4a .. Ngamoo No. 4b 4 Ngamoo No. 4u 7 Ngapuna Ngatitamatera Reserve B No. 2 Ngatitamatera Reserve 1b (otherwise known as To Aroha, Block HI, Sec. 1b) Okahukura No. 1 Okahukura No. 2 Okahukura No. 5 Opawa-Rangitoto Orakei Iff 2 Orakei 4a 2 Orakei 4a 4 Oraukura Orokawa 3a Orokawa 3b Orokawa 30 Otawhao A No. 2c Otawhao A No. 2d Otawhao A No. 4 No. 2 Otawhao A No. 4, Subs. 4 and 5 (balance) Otawhao A No. 6d 1 Otorohanga 4b 2b 3 Otorohanga 4b 2b 6 Pahikohuru Paeroa East 4b 1b 2 Paeroa East 4b 1b 3 Paeroa East 4b 2a 1 Paeroa East 4b 2a 3n Paeroa East 4b 2a 3f 1 Paeroa East 4b 2a 3f 2 .. Paeroa East 4b 2a 3f 3 . . Paeroa East 4b 2b 1 Paeroa East 4b 2b 2a Paeroa East 4b 2b 2b • Paeroa East 4b 2b 2c Paeroa East 4b 2b 2d Paeroa East 4b 2e 1b Paeroa East 4b 2e 2 Paeroa Mast 4b 2e 3a Paeroa East 4b 2e 3n Paeroa East 4b 2e 3o Paeroa East 4n 2e 3d Palukohuru .. .. : Pakiri No. 1 (part) .. . Paora-Aneti 2 .. Paora-Aneti 3 .. Paora-Aneti 4 .. Paora-Aneti 7 .. Paora-Aneti 10 .. Paora-Aneti II.. Paora-Aneti 12 .. 24 3 30 31. I 28 113 0 0 35 0 0 37 0 0 27 3 0 18 2 0 844 0 II 398 0 0 89 2 25 0 2 0 1 0 0 198 I 23 9 0 0 9 0 0 48 3 38 24 0 0 15 3 10 2 0 17 1.510 0 0 377 2 23 8,231 0 0 450 0 0 7,678 0 0 120 0 0 1,564 0 0 20 1 14 400 (I 0 12 2 26 37 0 0 12 1 20 I 2 0 1 1 0 416 II 0 2.180 0 0 1,852 0 0 19,350 0 0 9 I 8 12 2 26 9 3 38 472 0 0 65 3 0 175 3 0 182 I 0 39 3 35 40 0 10 277 3 31 457 1 0 3 3 0 45 3 0 I , 125 1 24 232 0 0 112 0 0 323 0 0 251 0 0 180 0 0 1,000 0 0 104 0 0 162 0 0 1.133 2 0 53 2 0 3 0 0 218 0 0 353 0 0 4 3 35 39 0 0 460 0 0 39 0 0 31 2 0 303 0 0 21 0 0 26 3 30 12 2 29 224 0 0 48 0 0 188 0 35 113 0 0 9 2 2 755 0 0 26 0 0 5 0 0 844 0 0 11 1 3 25 0 0 5 0 0 22 2 20 29 2 16 86 0 38 13 3 0 338 0 12 6.500 0 0 45 0 0 387 (I (I 54 1 10 126 0 0 3 2 17 203 1 3 50 0 27 144 0 3 27 2 31 41 2 6 36 0 1 105 0 38 718 0 17 69 2 1 132 2 0 37 2 31 33 1 0 102 1 11 0,500 0 0 4.111 0 0 50 0 0 22 2 34 Hi 2 35 35 0 18 4 0 0 33 1 5 50 0 0 15 1 10 „ Paora-Aneti .13 . .

Log in or create a Papers Past website account

Use your Papers Past website account to correct newspaper text.

By creating and using this account you agree to our terms of use.

Log in with RealMe®

If you’ve used a RealMe login somewhere else, you can use it here too. If you don’t already have a username and password, just click Log in and you can choose to create one.


Log in again to continue your work

Your session has expired.

Log in again with RealMe®


Alert