Page image
Page image

C—la.

Earthquake Reports.

14

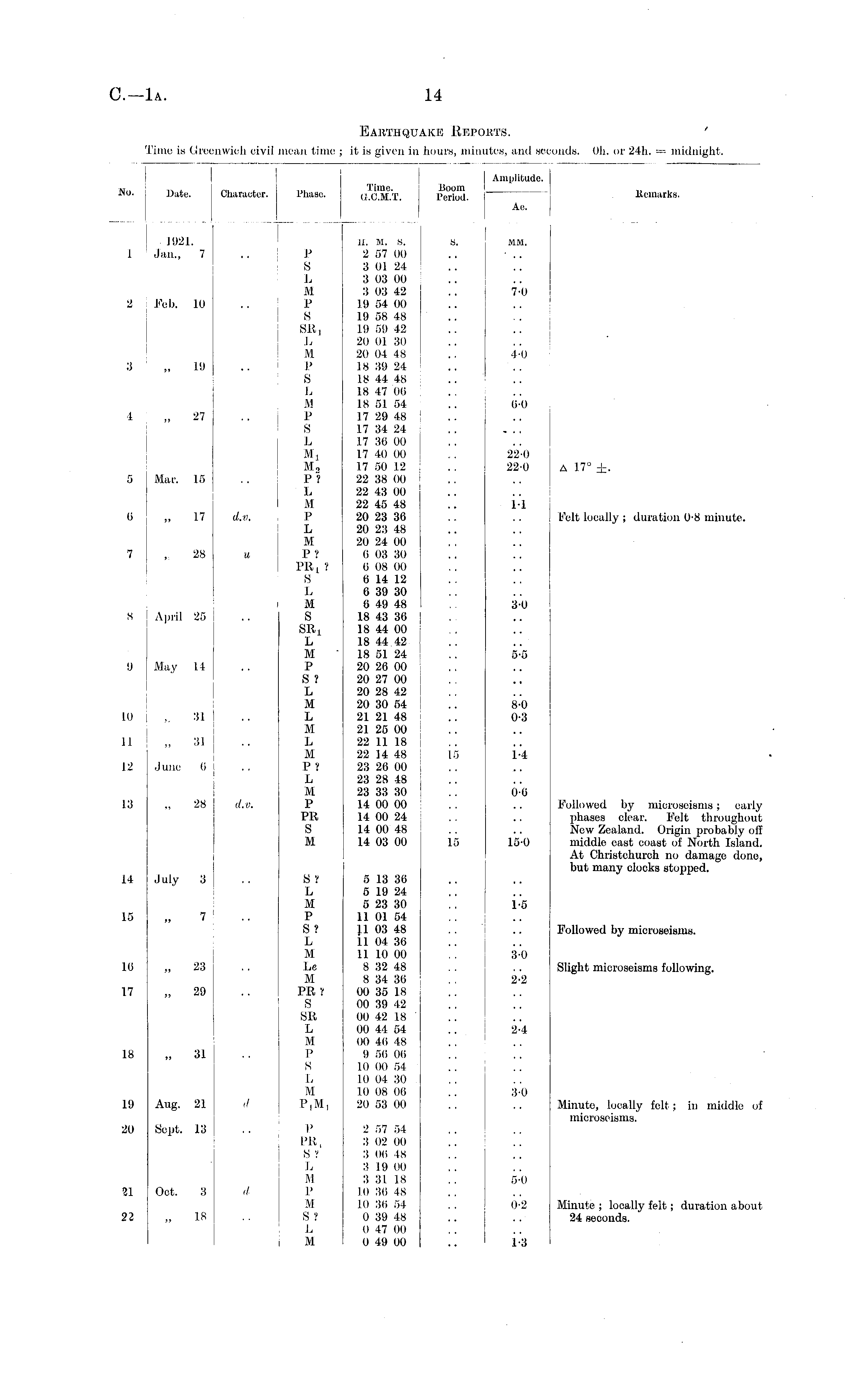
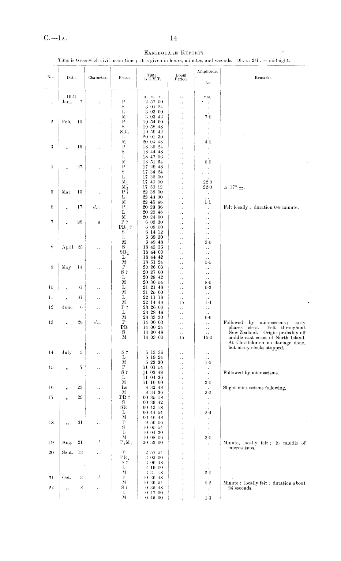
Time is Orecnwich civil mean time ; it is given in hours, minutes, and set conds. Oh. or 24h. = midnight. Amplitude. M,. ™ , r,. ,,, Time. Boom •No. Date. Character. Phase. G C M T Period Ae. 1921. 11. M. S. S. MM. 1 Jan., 7 .. P 2 57 00 S 3 01 24 L 3 03 00 ! M 3 03 42 . . 7-0 2 Feb. 10 P 19 54 00 S 19 58 48 SR, 19 59 42 .. .. L 20 01 30 M 20 04 48 .. 4-0 3 „ 19 .. P 18 39 24 S 18 44 48 L 18 47 06 M 18 51 54 .. 6-0 4 : „ 27 .. P 17 29 48 | 8 .17 34 24 i L 17 36 00 Mi 17 40 00 .. 22-0 M 3 17 50 12 .. 22-0 5 Mar. 15 . . P ? 22 38 00 I L 22 43 00 M 22 45 48 .. 1-1 0 „ 17 d.v. P 20 23 36 L 20 23 48 M 20 24 00 7 ,. 28 u P ? 6 03 30 PR X ? 6 08 00 S 6 14 12 L 6 39 30 M 6 49 48 , . 3-0 8 April 25 .. S 18 43 36 SRi 18 44 00 L 18 44 42 M 18 51 24 .. 5-5 9 May 14 . . P 20 26 00 S ? 20 27 00 L 20 28 42 M 20 30 54 .. 8-0 10 „ 31 .. L 21 21 48 .. 0-3 M 21 25 00 | 11 31 .. L 22 11 18 I M 22 14 48 I 15 1-4 12 June (i .. P ? 23 26 00 L 23 28 48 M 23 33 30 .. 0-6 13 ., 28 d.v. P 14 00 00 PR 14 00 24 S 14 00 48 M 14 03 00 15 15-0 14 July 3 .. S ? 5 13 36 L 5 19 24 M 5 23 30 . . 1-5 15 „ 7 .. P 11 01 54 S V }1 03 48 L 11 04 36 M 11 10 00 . . 3-0 16 23 . . Le 8 32 48 M 8 34 36 . . 2-2 17 29 .. PR ? 00 35 18 S 00 39 42 SR 00 42 18 L 00 44 54 .. 2-4 M 00 46 48 18 31 .. P 9 56 06 S 10 00 54 L 10 04 30 M 10 08 06 .. 3-0 19 Aug. 21 ..' P,M, 20 53 00 5 6 7 8 Mar. 15 17 28 April 25 May 14 Remarks. A 17" ±. Felt locally ; duration 0-8 minute. Followed by microseisms; early phases clear. Felt throughout New Zealand. Origin probably off middle east coast of North Island. At Christchurch no damage done, but many clocks stopped. Followed by microseisms. Slight microseisms following. Minute, locally felt; in middle of microseisms. '.) 31 10 11 31 12 June 6 13 28 d.v. 15 14 July 3 15 7 Ki 23 17 29 18 31 Aug. 21 d 19 20 Sept. 13 .. P 2 57 54 PR, 3 02 00 S 'I 3 (Ki 48 L 3 19 00 M 3 31 18 .. 5-0 21 Oct. 3 d P 10 3.6 48 M 10 36 54 . . 0-2 22 „ 18 .. S ? 0 39 48 L 0 47 00 M 0 49 00 .. 1-3 20 Sept. 13 Minute ; locally felt; duration about 24 seconds. d 81 Oot. 3 22 18

Log in or create a Papers Past website account

Use your Papers Past website account to correct newspaper text.

By creating and using this account you agree to our terms of use.

Log in with RealMe®

If you’ve used a RealMe login somewhere else, you can use it here too. If you don’t already have a username and password, just click Log in and you can choose to create one.


Log in again to continue your work

Your session has expired.

Log in again with RealMe®


Alert