Page image
Page image

H.—23

16

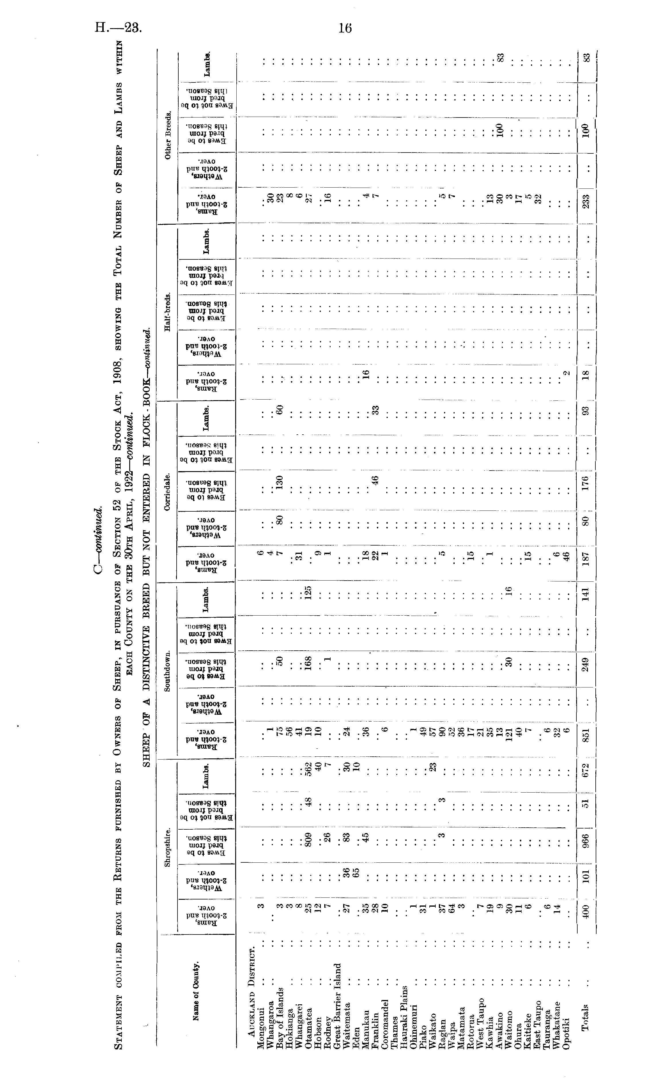
C— continued. Statement compiled from the Returns furnished by Owners of Sheep, in pursuance of Section 52 of the Stock Act, 1908, showing the Total Number of Sheep and Lambs within each County on the 30th April, 1922— continued. SHEEP OF A DISTINCTIVE BREED BUT NOT ENTERED IN FLOCK- BOOK— continued.

Shropshire. Southdowj Corriedale. Half-breds. (her Breeds. Name of County. T3 rrj (M 04 . I A - O m ""O to «-.£ 2.t!£ Lambs. £2.3 »S.a H Or « H*-g 111 2 ! ||1 i%l S tS %ZJ, Lambs. 04 334 rH ,5 -j ¥ f 11 111"OI 04 £ or re a, rj m a Auckland District. Mongonui .. Whangaroa .. Bay of Islands Hokianga Whangarei .. Otamatea .. Hobson Eodney .. .. ■ Great Barrier Island Waitemata .. .. j Eden .. ".. Manukau Franklin Coromandel Thames Hauraki Plains Ohinemuri Piako .. Waikato Eaglan Waipa .. Matamata .. Rotoma West Taupo Kawhia Awakino Waitomo Ohura Kaitieke East Taupo Tauranga Whakatane Opotiki 3 I 3 8 I 25 12 7 27 35 28 10 31 1 j 37 64 3 7 19 9 i 30 I 11 6 14 36 65 809 20 83 45 "3 48 3 562 40 ■ 30 10 23 1 75 56 41 19 10 24 36 6 49 57 90 52 36 i 17 21 35 13 121 40 7 6 32 6 50 168 30 • 125 6 4 7 ! 31 9 1 18 22 1 5 15 80 130 46 60 33 16 _ 30 23 8 6 27 16 4 7 5 ; 7 •■ ■■ -• •- 16 1 j 15 6 46 2 13 30 3 17 5 32 ioo 83 .. "" •■ Totals 400 101 101 966 j 966 j 51 j 51 [ 672 672 , 851 249 249 141 187 80 170 93 18 ; I 233 100 400 851 83

Log in or create a Papers Past website account

Use your Papers Past website account to correct newspaper text.

By creating and using this account you agree to our terms of use.

Log in with RealMe®

If you’ve used a RealMe login somewhere else, you can use it here too. If you don’t already have a username and password, just click Log in and you can choose to create one.


Log in again to continue your work

Your session has expired.

Log in again with RealMe®


Alert