Page image
Page image

D.—i

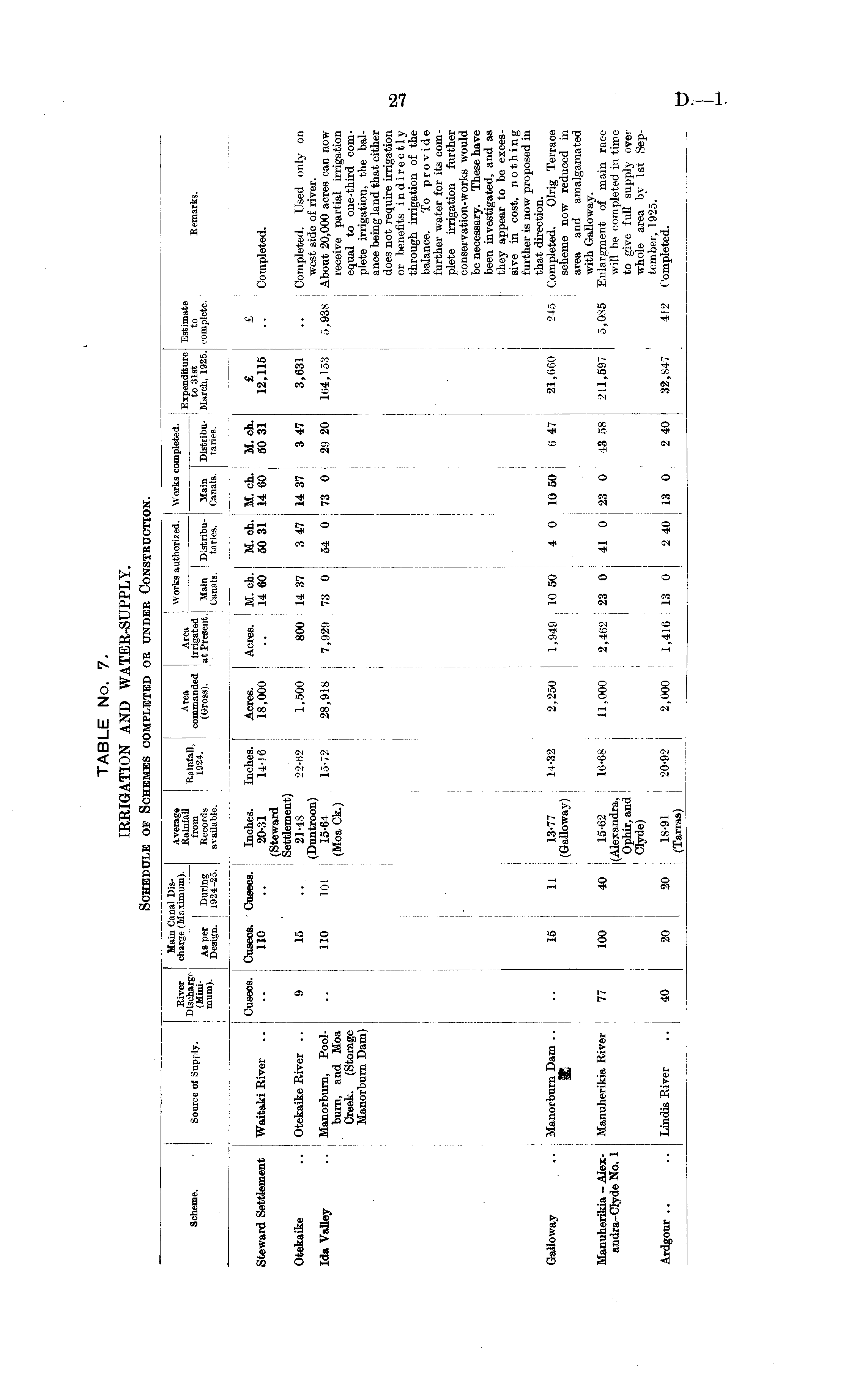
TABLE No. 7. IRRIGATION AND WATER-SUPPLY. Schedule of Schemes completed or under Construction.

27

| (suijbx) , [ •pa^Amo,) zif if8*58 Of Z 0 81 Of 5 0 81 9If*I 000*5 56-05 16-81 05 02 j Of " jaAi'j •• • • anogpjy '9561 '.laqraoj -dag Xq BaiB sjoqAi | (apAO J9A0 iqddns flnj 9A;S o% i puis 'Jiqdo ami; in aq {|laa 'BipuBX9jy) X '°JS apAlQ-'Bjpuu aoej uieui jo (juamgiBiua 980*9 169' Ti 6 89 Sf 0 85 0 If 0 S5 59 f'Z 000'IT 89-91 59-91 Of 001 ii JSAig m'5(uai[nu'ej\T -xajy - i!p[U3qni«pj[ \fuaioffBQ q^LU. puB «9jb ui poonpa.i aioh ainaqas j 0OBJJ8X Suro cfg 099*15 if 9 09 01 Of 09 OT 6f6'l 095*5 58-fl ii-8T IT 91 " ■' ratg arnqjomn •• Ahaio^O jBqj in pasodojd jaoh si S u i q cj o u UI 9AIS -saaxa aq .readdB A'aqi sb piTB uaaq aABq asaqx -.£ress999u aq ppum ajajd -inoa h (i joj jaipjuj apiAOJd ox 'aou"B[B(| aq| jo qSnojq^ A [ a 9 j t p n T SJIJ9U9q JO uoi'l .i.iinb,).! 'ion gaop .I9qi;a at,'qq. puB( Suraq aoire j j -psq ai{'| 'uoyiTigtui 3^9 1d (oi-bq ujnqjouBH -nioa 0} pmt>9 -^faajQ UOH'BSlJJI p3IJ.I«d 9AI939I ! j BOJf puB 'u.inq MOU uua S9J9B 000*05 ?noqy S86'e g9['f9I 05 65 0 Si 0 f9 0 8i 656'i 816'8S 5i-9I t9-9T 101 Oil " -fooj 'umqiotrBpi •• AlafiBA ®PI M9A[.x jo apis ;saAv (uooj'jimff) uo yfjuo pa'sxi -paijaidraoo " 189*8 if 8 i8 ft if 8 iS fl 008 009'T 59-55 8f-[5 " 91 6 " JaAiy; •• 9^W0 (^uani9tW9S pj13JA9^g) •paraidinoo 9IT'5l 18 09 09 fl 18 09 09 fl " 000'8I 9l-fl 18-05 " Oil " " iaAig pjuuajg 5 3 -qo "H -qo -jj -qo -j\; -qa -jf -sajoy -S9jay -saqauj -saqonj -goasng -saastiQ -so9sno •saus} -spjaBO -saUK( sieutso -0|qBn«A« 'SZ-tZQl 'ngissa -(nmtn •8}ai<iin03 -ggex 'qo-reje -nqu}si(x uraji -nqinsia msjt %v '(ssoif)) spioosa sauna lad sy ImTi Ti •S!(it!tnaH o» »SI8 | pajtjgiui papuBaraioD oioij -A|rldng jo aomog . -amaqog raay raay ! 11 ' • a Iisjnniii "(mnrnm-ml sSitoo i jsato S3poA\ -pazuoinnv S3ijoa\ »Sei3av ureH j

Log in or create a Papers Past website account

Use your Papers Past website account to correct newspaper text.

By creating and using this account you agree to our terms of use.

Log in with RealMe®

If you’ve used a RealMe login somewhere else, you can use it here too. If you don’t already have a username and password, just click Log in and you can choose to create one.


Log in again to continue your work

Your session has expired.

Log in again with RealMe®


Alert