a.—9.
TABLE C.—NATIVE LAND PURCHASE—continued. Blocks under Negotiation.
6
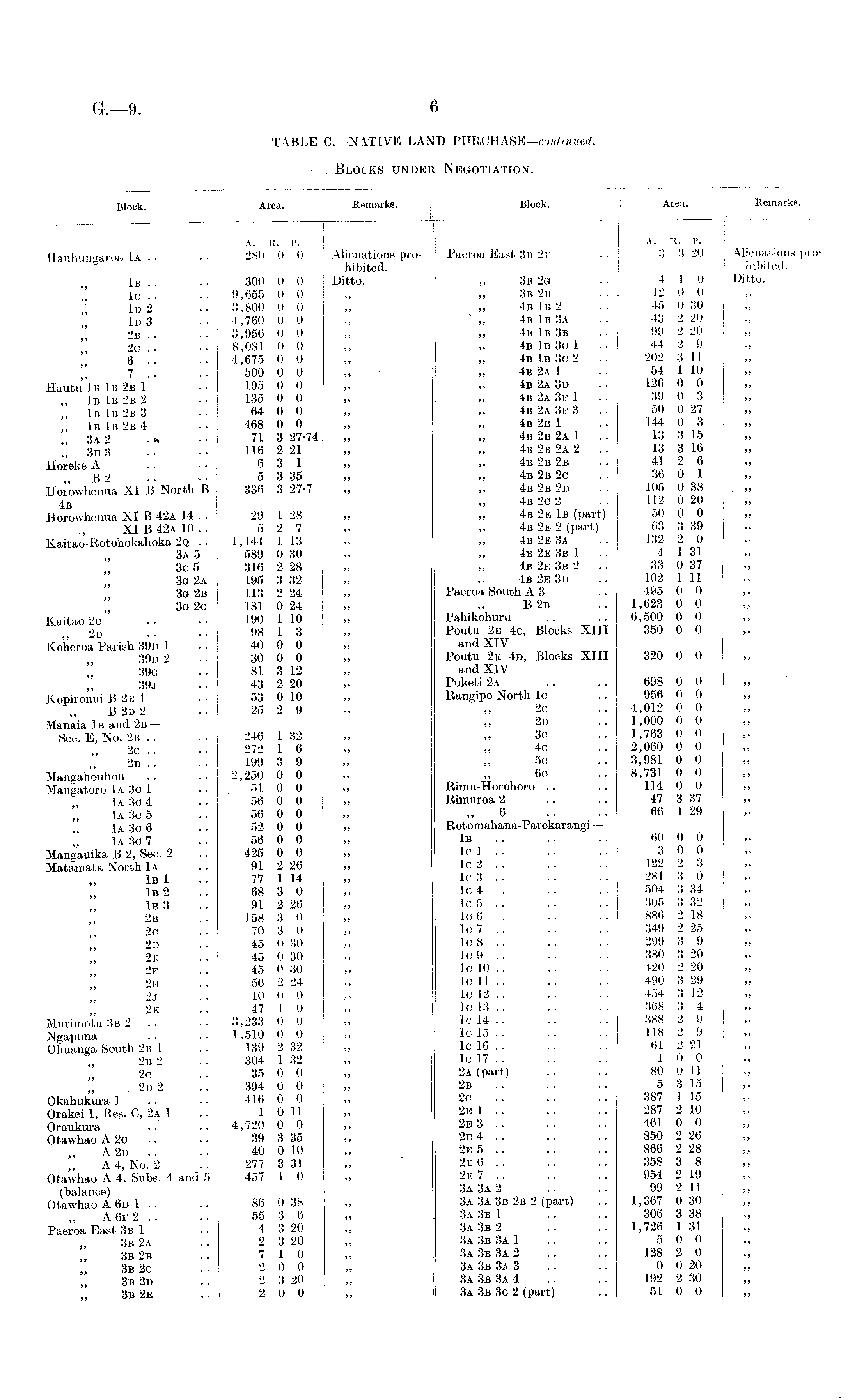
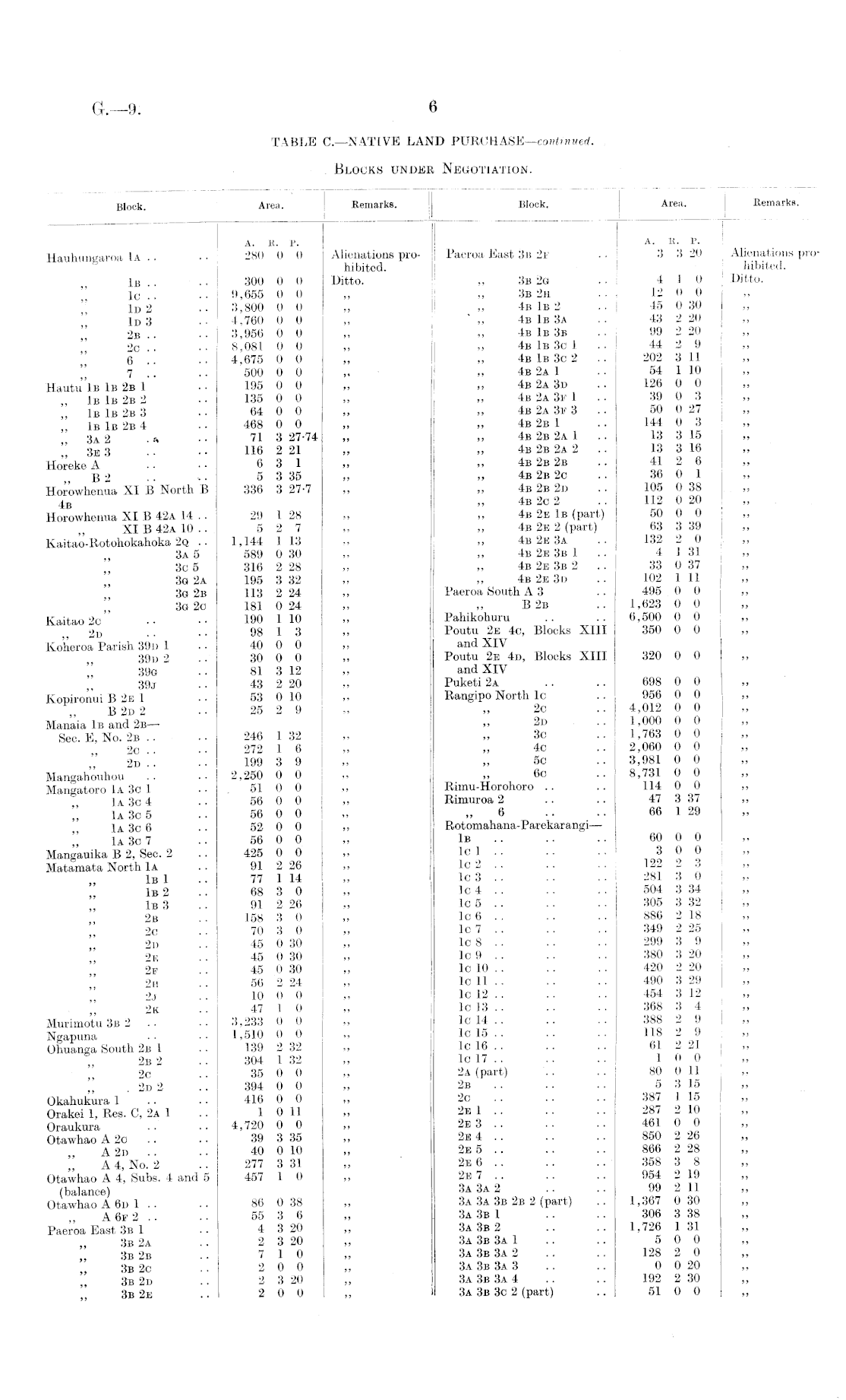
Block. Area. ! Remarks. Block. Area. j Remarks. A. B. F. ! A- B- p - . Hauhunsaroa 1a . . ■ 280 0 0 Alienations pro- j Paeroa East 8b 2* • ■ i I! 3 20 Alienations proi hibited. ! I hibited. IB . . .. ! 300 0 0 Ditto. „ 3b 2g .. 4 10 Ditto, lc .. . • 9,655 0 0 „ j! „ 3b 2h .. I 12 0 0 ID 2 • ■ 3,800 0 0 ,, ! ,, 4b 1B 2 . . 45 0 30 ,, lD 3 •• 4,760 0 0 „ 4b 1b 3a 43 2 20 2b.. .. 3,956 0 0 „ 4b 1B 3B .. 99 2 20 2c .. 8,081 0 0 ,, „ 4b 1b 3C 1 .. 44 2 9 6 .. .. 4,675 0 0 „ „ 4b 1b 3c 2 .. 202 3 11 " 7 .. 500 0 0 „ „ 4b 2a 1 . . 54 1 10 Hautu 1b Ib 2b 1 • ■ 195 0 0,, ,, 4b 2a 3d . . 126 0 0 ,, 1B 1B 2b 2 ■ • 135 0 0 „ „ 4B 2A 3r 1 39 0 3 1B 1b 2B 3 • • 64 0 0 „ „ 4B 2a 3F 3 .. 50 0 27 1b 1b 2B 4 . ■ 468 0 0 „ „ 4B 2b 1 .. 144 0 3 " 3A 2 . » ■ • 71 3 27-74 „ „ 4B 2b 2a 1 .. 13 3 15 " t 3B 3 .. •• 116 2 21 „ „ 4b 2B 2A 2 .. 13 3 16 Horeke A • • • • 6 3 1 ,, ,, 4b 2b 2b .. 41 2 6 B 2 . • > • 5 3 35 „ „ 4b 2b 2c 36 0 1 Hor'owhenua XI B North B 336 3 27'7 „ „ 4b 2b 2d . . 105 0 38 4 B ,, 4 b 2c 2 .. 112 0 20 ,, Horowhenua XIB 42a 14 . . 29 I 28 „ „ 4b 2e 1b (part) 50 0 0 XIB 42a 10 .. 5 2 7 „ „ 4b 2b 2 (part) 63 3 39 Kaitao-Rotohokahoka 2q .. 1,144 1 13 ,, ,, 4b 2e 3a .. 132 2 0 ,, 3a 5 589 0 30 „ „ 4b 2b 3b 1 .. 4 1 31 3c 5 316 2 28 „ „ 4b 2e 3b 2 . . 33 0 37 3o 2a 195 3 32 „ „ 4b 2e 3D .. 102 1 11 3q 2b 113 2 24 ,, Paeroa South A 3 .. 495 0 0 ,, " 30 2c 181 0 24 B2b .. 1,623 0 0 Kaitao 2c 190 1 10 „ Pahikohuru .. .. 6,500 0 0 2d . ■ ■ • 98 1 3 ,, Poutu 2e 4c, Blocks XIII 350 0 0 ,, Koheroa Parish 39d 1 •• 40 0 0 „ and XIV 39d 2 . • 30 0 0 >, Poutu 2e 4d, Blocks XIII 320 0 0 ,, " 39g .. 81 3 12 ,, and XIV 39j .. 43 2 20 ,, Puketi 2a .. .. 698 0 0 „ Kopironui B 2e 1 .. 53 0 10 „ Rangipo North lc .. 956 0 0 B 2d 2 .. 25 2 9 „ „ 2c .. 4,012 0 0 Manaia 1b and 2b— >, 2d .. 1,000 0 0 " Sec. E, No. 2b .. •• 246 1 32 „ „ 3c .. 1,763 0 0 2c . . 272 1 6 ,, ,, 4c .. 2,060 0 0 ,, 2d.. 199 3 9 „ „ 5c .. 3,981 0 0 Mangahouhou .. .. 2,250 0 0 6c 8,731 0 0 Mangatoro 1a 3c 1 ... 51 0 0 „ Rimu-Horohoro .. .. 114 0 0 1a 3c 4 .. 56 0 0 ,, Rimuroa 2 .. .. 47 3 37 ,, 1a 3c 5 .. 56 0 0 „ 6 .. .. 66 1 29 1a 3c 6 .. 52 0 0 ,, j Rotomahana-Parekarangi— " 1a 3c 7 .. 56 0 0 „ 1B .. .. 60 0 0 Mangauika B 2, Sec. 2 425 0 0 „ j lc 1 .. .. .. 3 0 0 Matamata North Ia . . 91 2 26 ,, lc 2 . . .. . . 122 2 ,j Ib 1 . . 77 1 14 „ I lc 3 .. .. .. 281 3 0 1b 2 68 3 0 „ lc 4 .. .. .. 504 3 34 Ib 3 . . 91 2 26 „ lc 5 .. .. .. 305 3 32 „ " 2b .. 158 3 0 „ lc 6 . . .. .. 886 2 18 2c .. 70 3 0 „ lc 7 .. .. .. 349 2 25 " 2d . . 45 0 30 „ lc 8 .. . . . . 299 3 9 2b . . 45 0 30 „ lc 9 .. . . . . 380 3 20 2b . . 45 0 30 ,, lc 10 . . . . . . 420 2 20 ,, " 2k . . 56 2 24 ,, lc 11 . . . . . . 490 3 29 2j .. 10 0 0 „ lc 12 .. .. .. 454 3 12 2k .. 47 1 0 „ | lc 13 .. . . .. 368 3 4 Murimotu 3b 2 . • • • 3,233 0 0 ,, lc 14 .. .. . . 388 2 9 ,, Ngapuna 1,510 0 0 ,, lc 15 .. .. .. 118 2 9 ,, Ohuanga South 2b 1 . . 139 2 32 ,, lc 16 . . .. .. 61 2 21 ,, 2b 2 .. 304 1 32 ,, lc 17 .. . . . . 10 0 2c .. 35 0 0 ,, 2a (part) .. .. 80 0 11 ,, " 2d 2 .. 394 0 0 „ 2b .. . . 5 3 15 Okahukura 1 .. •. 416 0 0 ,, 2c .. .. 387 1 15 ,, Orakei 1, Res. C, 2a 1 10 11 „ 2e 1 .. .. .. 287 2 10 Oraukura .. .. 4,720 0 0 „ 2e 3 .. .. .. 461 0 0 Otawhao A 2c .. 39 3 35 „ 2b 4 850 2 26 A 2d .. 40 0 10 ,, 2e 5 .. . . .. 866 2 28 „ " A 4, No. 2 .. 277 3 31 „ 2e 6 .. .. .. 358 3 8 Otawhao A 4, Subs. 4 and 5 457 1 0 „ 2b 7 . . .. .. 954 2 19 ,, (balance) 3a 3a 2 .. .. 99 2 11 ,, Otawhao A 6d 1 .. .. 86 0 38 „ 3a 3a 3b 2b 2 (part) .. 1,367 0 30 A 6e 2 .. . • 55 3 6 ,, 3A 3B I .. .. 306 3 38 ,, Paeroa East 3b 1 •• 4 3 20 „ 3a 3b 2 .. .. 1,726 1 31 ,, 3b 2a . . 2 3 20 „ 3A 3b 3A 1 .. 5 0 0 " 3b 2b .. 7 10 „ 3a 3b 3A 2 .. 128 2 0 3b 2c . . 2 0 0 „ 3a 3b 3a 3 .. .. 0 0 20 3b 2d .. 2 3 20 „ 3a 3b 3A 4 .. .. 192 2 30 " 3b 2e .. 2 0 0 ,, I 3a 3b 3c 2 (part) .. 51 0 0 „
Use your Papers Past website account to correct newspaper text.
By creating and using this account you agree to our terms of use.
Your session has expired.