Page image
Page image

G.—lo

3

Lands in Wairarapa Electorate held under Native Leasehold —continued.

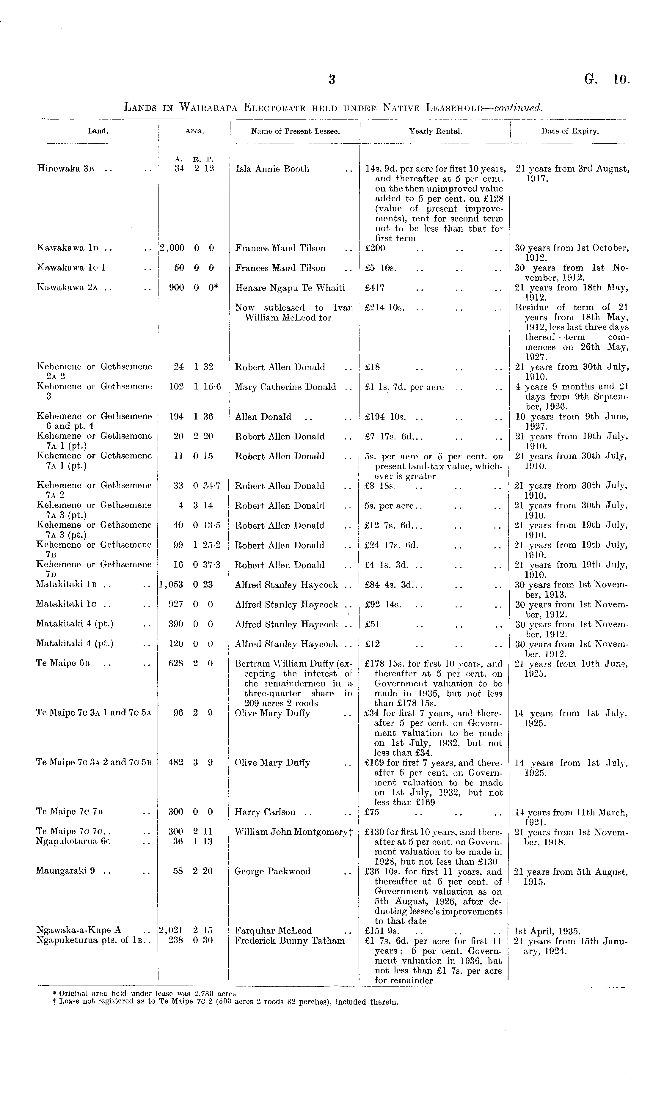
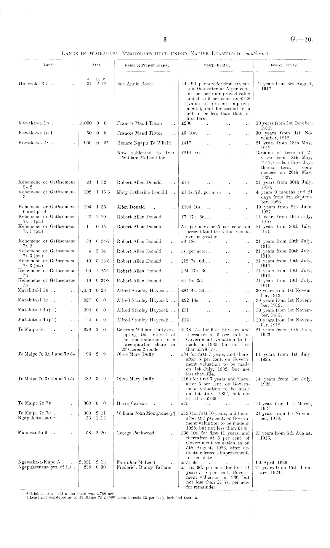
i Land. Area. J Name of Present Lessee. Yearly Rental. Date of Expiry. A. R. P. Hinewaka 3b .. .. 34 2 12 Jsla Annie Booth .. 14s. 9d. per acre for first 10 years, 21 years from 3rd August, and thereafter at 5 per cent. 1917. on the then unimproved value added to 5 per cent, on £128 (value of present improvements), rent for second term not to be less than that for first term Kawakawa lr> .. .. 2,000 0 0 Frances Maud Tilson .. £200 .. .. .. 30 years from 1st October, 1912. Kawakawa 1c 1 .. 50 0 0 Frances Maud Tilson .. £5 10s. .. .. 30 years from 1st November, 1912. Kawakawa 2a .. .. 900 0 0* Henare Ngapu Te Whaiti £417 .. .. ..21 years from 18th May, 1912. Now subleased to Ivan £214 10s. .. .. .. Residue of term of 21 William McLeod for years from 18th May, 1912, less last three days thereof —term commences on 26th May, 1927. Kehemene or Gethsemene 24 1 32 Robert Allen Donald .. £18 .. .. 21 years from 30th July, 2A 2 1910. Kehemene or Gethsemene 102 1 15-0 Mary Catherine Donald .. £1 Is. 7d. per acre .. 4 years 9 months and 21 3 days from 9th September, 1926. Kehemene or Gethsemene 194 1 36 Allen Donald .. .. £194 10s. .. .. 10 years from 9th June, 6 and pt. 4 1927. Kehemene or Gethsemene 20 2 20 Robert Allen Donald .. £7 17s. 6d... .. ..21 years from 19th July, 7a 1 (pt.) 1910. Kehemene or Gethsemene 11 0 15 Robert Allen Donald .. 5s. per acre or 5 per cent, on 21 years from 30th July, 7a 1 (pt.) present land-tax value, which- 1910. ever is greater Kehemene or Gethsemene 33 0 34-7 Robert Allen Donald .. £8 18s. .. .. .. ' 21 years from 30th July, 7a 2 1910. Kehemene or Gethsemene 4 3 14 Robert Allen Donald .. 5s. per acre.. .. ..21 years from 30th July, 7a 3 (pt.) 1910. Kehemene or Gethsemene 40 0 13-5 Robert Allen Donald .. £12 7s. 6d... .. .. 21 years from 19th July, 7a 3 (pt.) 1910. Kehemene or Gethsemene 99 1 25-2 Robert Allen Donald .. i £24 17s. 6d. .. 21 years from 19th Julv, 7 b I 1910. Kehemene or Gethsemene 16 0 37-3 Robert Allen Donald .. I £4 Is. 3d. .. .. .. 21 years from 19th July, 7d 1910. Matakitaki 1b .. .. 1,053 0 23 Alfred Stanley Haycock .. £84 4s. 3d... .. .. 30 years from 1st November, 1913. Matakitaki lc .. .. 927 0 0 Alfred Stanley Haycock .. £92 14s. .. .. 30 years from 1st November, 1912. Matakitaki 4 (pt.) .. 390 0 0 Alfred Stanley Haycock .. £51 .. .. 30 years from 1st November, 1912. Matakitaki 4 (pt.) .. 120 0 0 Alfred Stanley Haycock .. £12 .. .. 30 years from 1st November, 1912. Te Maipe 6b .. .. 628 2 0 Bertram William Duffy (ex- £178 15s. for first 10 years, and 21 years from 10th June, eepting the interest of thereafter at 5 per cent, on 1925. the remaindermen in a Government valuation to be three-quarter share in made in 1935, but not less 209 acres 2 roods than £178 15s. Te Maipe 7c 3a 1 and 7o 5a 96 2 9 Olive Mary Duffy .. £34 for first 7 years, and there- 14 years from 1st July, after 5 per cent, on Govern- 1925. ment valuation to be made on 1st July, 1932, but not less than £34. Te Maipe 7c 3a 2 and 7c 5b 482 3 9 Olive Mary Duffy .. £169 for first 7 years, and there- 14 years from 1st July, after 5 per cent, on Govern- 1925. ment valuation to be made on 1st July, 1932, but not less than £169 Te Maipe 7c 7b .. 300 0 0 j Harry Carlson .. .. £75 .. .. .. 14 years from 11th March, 1921. Te Maipe 7c 7c.. .. 300 2 11 William John Montgomeryf £130 for first 10 years, and there- 21 years from 1st NovemNgapuketurua 6c .. 36 1 13 after at 5 per cent, on Govern- ber, 1918. ment valuation to be made in 1928, but not less than £130 Maungaraki 9 .. .. 58 2 20 George Packwood .. £36 10s. for first 11 years, and 21 years from 5th August, thereafter at 5 per cent, of 1915. Government valuation as on 5th August, 1926, after deducting lessee's improvements to that date Ngawaka-a-Kupe A .. 2,021 2 15 Farquhar McLeod .. £151 9s. .. .. .. 1st April, 1935. Ngapuketurua pts. of 1b. . 238 0 30 Frederick Bunny Tatham £1 7s. 6d. per acre for first 11 21 years from 15th Januyears ; 5 per cent. Govern- ary, 1924. ment valuation in 1936, but not less than £1 7s. per acre for remainder * Original area held under lease was 2,780 acres. f Lease not registered as to Te Maipe 7c 2 (500 acres 2 roods 32 perches), included therein.

Log in or create a Papers Past website account

Use your Papers Past website account to correct newspaper text.

By creating and using this account you agree to our terms of use.

Log in with RealMe®

If you’ve used a RealMe login somewhere else, you can use it here too. If you don’t already have a username and password, just click Log in and you can choose to create one.


Log in again to continue your work

Your session has expired.

Log in again with RealMe®


Alert