Page image
Page image

8.—7

190

Appropriations for Consolidated Fund Services.

DEPARTMENT OF AGRICULTURE -continued.

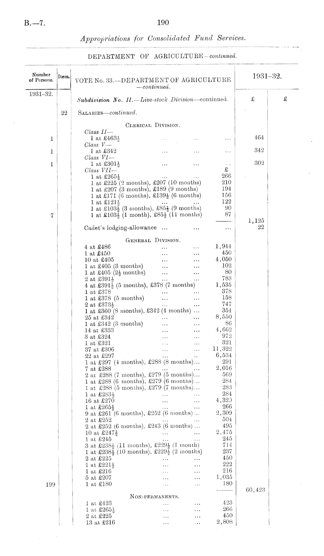
Number rt „ 1 QQ1 _QO of Persons. ltom - VOTE No. 33.—DEPARTMENT OF AGRICULTURE iyo± • —continued. 1931-32. Subdivision No. II. —Live-stock Division —continued. £ £ 22 Salaries —continued. Clerical Division. Glass II—• 1 i 1 at £463| ••• ■■■ 464 Class V— 1 1 at £342 ... ... ... 342 Glass VI— 1 1 at £301i ... ... ... 302 Class VII— £ 1 at £2651 ... ... 266 1 at £225 (2 months), £207 (10 months) 210 1 at £207 (3 months), £189 (9 months) 194 1 at £171 (6 months), £1391 (6 months) 156 1 at £121| ... ... 122 1 at £103| (3 months), £851 (9 months) 90 7 1 at £1031 (1 month), £85! (11 months) 87 1,125 Cadet's lodging-allowance ... ... ... 22 General Division. 4 at £486 ... ... 1,944 1 at £450 ... ... 450 10 at £405 ... ... 4,050 1 at £405 (3 months) ... ... 102 1 at £405 (2J months) ... ... 80 2 at £391| ... ... 783 4 at £3911 (5 months), £378 (7 months) 1,535 1 at £378 ... ... 378 1 at £378 (5 months) ... ... 158 2 at £373| ... ... 747 1 at £360 (8 months), £342 (4 months) ... 354 25 at £342 ... ... 8,550 1 at £342 (3 months) ... ... 86 14 at £333 ... ... 4,662 3 at £324 ... ... 972 1 at £321 ... ... 321 37 at £306 ... ... 11,322 22 at £297 ... .. 6,534 1 at £297 (4 months), £288 (8 months)... 291 7 at £288 ... ... 2,016 2 at £288 (7 months), £279 (5 months)... 569 1 at £288 (6 months), £279 (6 months)... 284 1 at £288 (5 months), £279 (7 months)... 283 1 at £2831 ... ... 284 16 at £270 ... ... 4,320 1 at £265| ... ... 266 9 at £261 (6 months), £252 (6 months) ... 2,309 2 at £252 ... ... 504 2 at £252 (6 months), £243 (6 months) ... 495 10 at £247J ••• 2 > 475 1 at £245 ... ... 245 3 at (11 months), £2291 (1 month) 714 1 at (10 months), £229! (2 months) 237 2 at £225 ... ... 450 1 at £221! ••• ••• 222 1 at £216 ... ... 216 5 at £207 ... ... 1,035 199 1 at £180 ... ... 180 60,423 Non-permanents. 1 at £423 ... ... 423 1 at £265! ••• ••• 266 2 at £225 ... ... 450 13 at £216 ... ... 2,808 |

Log in or create a Papers Past website account

Use your Papers Past website account to correct newspaper text.

By creating and using this account you agree to our terms of use.

Log in with RealMe®

If you’ve used a RealMe login somewhere else, you can use it here too. If you don’t already have a username and password, just click Log in and you can choose to create one.


Log in again to continue your work

Your session has expired.

Log in again with RealMe®


Alert