Page image
Page image

a.—9.

TABLE C.—NATIVE LAND PURCHASE—continued. Blocks partly acquired and under Negotiation—continued.

Approximate Cost of Paper.—Preparation, not given; printing (440 copies), £8 10s.

By Authority: W. A. G. Skinnek, Government Printer, Wellington.—l 932.

Price 6rf.]

5

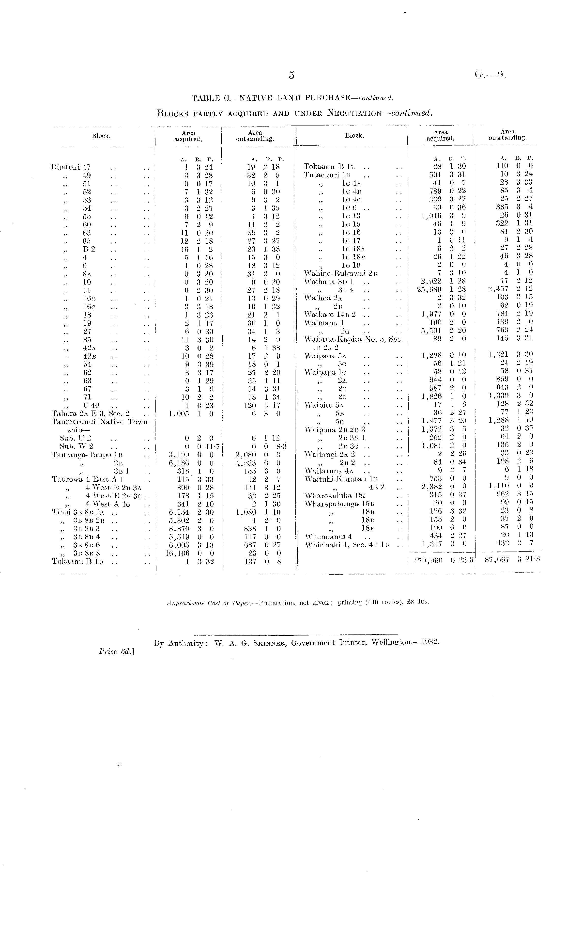
Area Area Area Area JS10LI£ - acquired. outstanding. j jmuui. acquired. outstanding. A. E. P. A. R. "P. A. U. I s . A. K. P. Ruatoki 47 .. .. 1 3 24 19 2 18 Tokaanu B 1l .. .. 28 1 30 110 0 0 „ 49 . . .. 3 3 28 32 2 5 Tutaekuri 1b .. . . 501 3 31 10 3 24 „ 51 .. . . 0 0 17 10 3 1 lc 4a .. 41 0 7 28 3 33 ..52 .. .. 7 1 32 6 0 30 „ lc 4b .. 789 0 22 85 3 4 „ 53 .. - . 3 3 12 9 3 2 „ lc 4c .. 330 3 27 25 2 27 „ 54 .. .. 3 2 27 3 1 35 „ lc 6 .. . . 30 0 36 335 3 4. „ 55 .. .. 0 0 12 4 3 12 „ lc 13 .. 1,016 3 9 26 0 31 „ 60 . . .. 7 2 9 11 2 2 „ lc 15 . . 46 1 9 322 1 31 „63 .. .. 11 0 20 39 3 2 „ lc 16 .. 13 3 0 84 2 30 65 .. .. 12 2 18 27 3 27 lc 17 . . 10 11 9 14 B2.. .. 16 1 2 23 1 38 lc 18a .. 6 2 2 27 2 28 „ 4 .. .. 5 1 16 15 3 0 „ lc 18b . . 26 1 22 46 3 28 „ 6 . . 1 0 28 18 3 12 lc 19 . . 2 0 0 4 0 0 8a . . .. 0 3 20 31 2 0 Wahine-Rukuwai 2b .. 7 3 10 4 1 0 „ 10 .. .. 0 3 20 9 0 20 Waihaha 3d 1 .. .. 2,922 1 28 77 2 12 „ 11 . . 0 2 30 27 2 18 3e 4 .. .. 25,689 1 28 2,457 2 12 16b . . 1 0 21 13 0 29 Waihoa 2a .. .. 2 3 32 103 3 15 16c .. 3 3 18 10 1 32 2b .. .. 2 0 10 62 0 19 „ 18 .. .. 1 3 23 21 2 1 Waikare 14b 2 .. .. 1,977 0 0 784 2 19 „ 19 . . .. 2 1 17 30 1 0 Waimanu 1 .. .. 190 2 0 139 2 0 „ 27 .. 6 0 30 34 1 3 2o .. .. 5,501 2 20 769 2 24 35 . . .. 11 3 30 14 2 9 Waiorua-Kapita No. 5, Sec. 89 2 0 145 3 31 42a .. 3 0 2 6 1 38 1b 2a 2 42b .. .. 10 0 28 17 2 9 Waipaoa 5a .. .. 1,298 0 10 1,321 3 30 „ 54 . . .. 9 3 39 18 0 1 „ So .. 56 1 21 24 2 19 „ 62 .. .. 3 3 17 27 2 20 Waipapa lc .. .. 58 0 12 58 0 37 „ 63 . . .. 0 1 29 35 1 11 2a .. 944 0 0 859 0 0 . 67 .. .. 3 1 9 14 3 31 2b .. 587 2 0 643 2 0 ,,71 .. .. 10 2 2 18 1 34 2c .. .. 1,826 1 0 1,339 3 0 C 40 . . .. 1 0 23 120 3 17 Waipiro 5a . . . . 17 1 8 128 2 32 Tahora 2a E 3, Sec. 2 .. 1,005 1 0 6 3 0 5b .. .. 36 2 27 77 1 23 Taumarunui Native Town- ,, 5c 1,477 3 20 1,288 1 10 ship— Waipoua 2b 2b 3 .. 1,372 3 5 32 0 35 Sub. IT 2 .. .. 0 2 0 0 1 12 2b 3b 1 .. 252 2 0 64 2 0 Sub. W 2 .. .. 0 0 11-7 0 0 8-3 „ 2b 3c .. .. 1,081 2 0 135 2 0 Tauranga-Taupo 1b .. 3,199 0 0 2,080 0 0 Waitangi 2a 2 .. .. 2 2 26 33 0 23 2b .. 6,136 0 0 4,533 0 0 „ 2B 2 .. .. 84 0 34 198 2 6 „ 3b 1 . . 318 1 0 155 3 0 Waitaruna 4a .. 9 2 7 6 1 18 Taurewa 4 East A 1 .. 115 3 33 12 2 7 Waituhi-Kuratau 1b .. 753 0 0 9 0 0 4 West E 2b 3a 300 0 28 111 3 12 „ 4b 2 .. 2,382 0 0 1,110 0 0 „ 4 West E 2b 3c .. 178 1 15 32 2 25 Wharekahika 18j . 315 0 37 962 3 15 „ 4 West A 4o . . 341 2 10 2 1 30 Wharepuhunga 15b .. 20 0 0 99 0 15 Tihoi 3b 8b 2a .. .. 6,154 2 30 1.080 1 10 „ 18b .. 176 3 32 23 0 8 „ 3b 8b 2B .. .. 5,302 2 0 1 2 0 „ 18d .. 155 2 0 37 2 0 „ 3b'8B 3 .. .. 8.870 3 0 838 1 0 „ 18b .. 190 0 0 87 0 0 „ 3b 8b 4 .. .. 5,519 0 0 117 0 0 Whenuanui 4 .. .. 434 2 27 20 1 13 ,, 3b 8b 6 .. .. 6,005 3 13 687 0 27 Whirinaki 1, Sec. 4b 1b .. 1,317 0 0 432 2 7 „ 3b 8b 8 .. . . 16,106 0 0 23 0 0 7 Tokaanu B Id .. 1 3 32 137 0 8 179,960 0 23-6 87,667 3 21-3

Log in or create a Papers Past website account

Use your Papers Past website account to correct newspaper text.

By creating and using this account you agree to our terms of use.

Log in with RealMe®

If you’ve used a RealMe login somewhere else, you can use it here too. If you don’t already have a username and password, just click Log in and you can choose to create one.


Log in again to continue your work

Your session has expired.

Log in again with RealMe®


Alert