Page image
Page image

G.—lo.

61

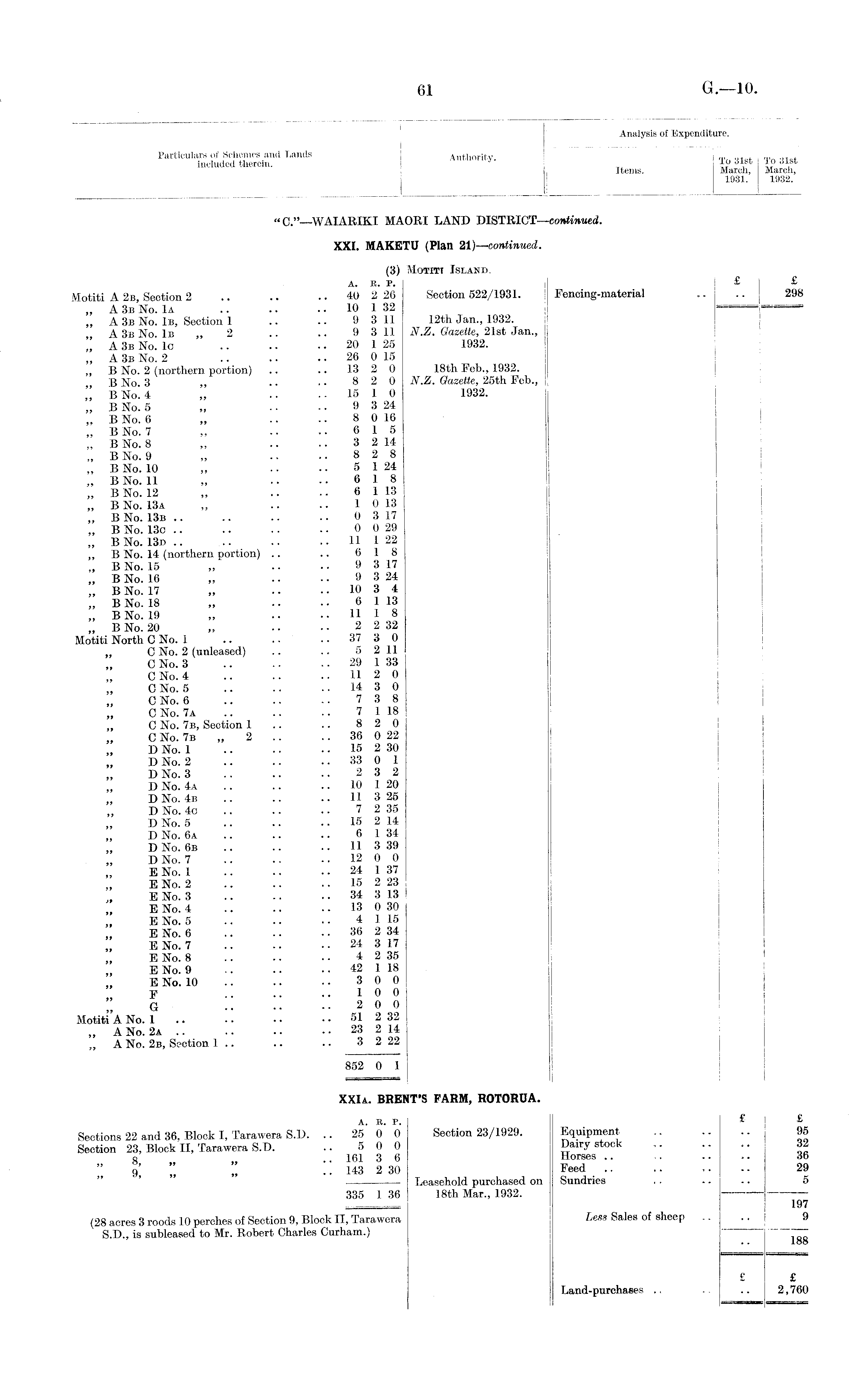
Analysis of Expenditure. Lands Authority. T 0 81 t T 8 , t j Items. March, March, 1931. 1932. " 0." —WAIARIKI MAORI LAND DISTRICT —continued. XXI. MAKETU (Plan 21)—continued. (3) Motitt Island. A. K. P. j £ £ Motiti A 2b, Section 2 .. .. .. 40 2 26 Section 522/1931. | Fencing-material .. .. 298 „ A 3b No. 1a .. .. .. 10 132 j «===» „ A 3b No. 1b, Section 1 .. .. 9 3 11 12th Jan., 1932. A 3b No 1b ,, 2 .. .. 9 3 11 N.Z. Gazette, 21at Jan., " A 3b No. lc 20 1 25 1932. „ A 3b NO. 2 .. .. .. 26 0 15 ,, B No. 2 (northern portion) .. .. 13 2 0 18th Feb., 1932. B No 3 „ ■ • ■ • 8 2 0 N.Z. Gazette, 25th Feb., ," B No! 4 „ .. .. 15 1 0 1932. „ B No. 5 „ . ■ ■ • 9 3 24 „ B No. 6 „ .. .. 8 0 16 ,, B No. 7 „ .. 6 15 ,, B No. 8 „ .. .. 3 2 14 „ B No. 9 „ .. 8 2 8 „ B No. 10 „ .. • ■ 5 1 24 B No. 11 „ . • ■ • 6 18 „ BNo. 12 „ .. 6 1 13 „ BNo. 13a „ .. .. 1 0 13 „ B No. 13b .. .. .. .. 0 3 17 „ B No. 13c .. .. .. .. 0 0 29 „ B No. 13d .. .. .. .. 11 1 22 „ B No. 14 (northern portion) .. .. 6 18 „ B No. 15 „ .. ■ ■ 9 3 17 „ B No. 16 „ .. • • 9 3 24 „ B No. 17 „ .. .. 10 3 4 „ BNo. 18 „ .. •• 6 1 13 „ BNo. 19 „ .. .. 11 1 8 „ B No. 20 „ . • • • 2 2 32 Motiti North 0 No. 1 .. .. 37 3 0 ,, C No. 2 (unleased) .. .. 5 2 11 C No. 3 .. .. .. 29 1 33 C No. 4 .. .. .. 11 2 0 C No. 5 .. .. .. 14 3 0 C No. 6 ...... 7 3 8 | C No. 7a .. .. .. 7 1 18 0 No. 7b, Section 1 .. 8 2 0 C No. 7b „ 2 .. 36 0 22 D No. 1 .. . • • • 15 2 30 D No. 2 .. .. .. 33 0 1 D No. 3 .. .. .. 2 3 2 D No. 4a .. .. 10 1 20 DNo. 4b .. .. 11 3 25 D No. 4o .. .. .. 7 2 35 D No. 5 .. .. .. 15 2 14 D No. 6a .. .. .. 6 1 34 DNo. 6b .. .. 11 3 39 D No. 7 .. .. .. 12 0 0 B No. 1 .. .. • • 24 1 37 E No. 2 .. .. . • 15 2 23 E No. 3 .. - ■ • • 34 3 13 E No. 4 .. .. • • 13 0 30 E No. 5 .. . ■ • • 4 1 15 E No. 6 .. .. • • 36 2 34 E No. 7 ...... 24 3 17 ! E No. 8 ...... 4 2 35 ENo. 9 .. .. •• 42 1 18 E No. 10 .. . • • • 3 0 0 F .. .. ..100 " G .. •• ..200 MotitiA No. 1 .. ■ • • • .. 51 2 32 „ A No. 2a .. . • • • .. 23 2 14 „ A No. 2b, Section 1 .. .. .. 3 2 22 852 0 1 ============== XXIa. BRENT'S FARM, ROTORUA. A. B. P. £ £ Sections 22 and 36, Block I, Tarawera S.D. .. 25 0 0 Section 23/1929. Equipment 95 Section 23, Block II, Tarawera S.D. .. 5 0 0 Dairy stock ,. .. .. 32 o „ .. 161 3 6 Horses .. .. .. .. 36 9 j n .. 143 2 30 Feed .. .. .. .. 29 Leasehold purchased on Sundries . . .. .. 5 335 1 36 18th Mar., 1932. 197 (28 acres 3 roods 10 perches of Section 9, Block II, Tarawera Less Sales of sheep -. .. 9 S.D., is subleased to Mr. Robert Charles Curham.) — . . loo £ £ Land-purchases .. .. 2,760

Log in or create a Papers Past website account

Use your Papers Past website account to correct newspaper text.

By creating and using this account you agree to our terms of use.

Log in with RealMe®

If you’ve used a RealMe login somewhere else, you can use it here too. If you don’t already have a username and password, just click Log in and you can choose to create one.


Log in again to continue your work

Your session has expired.

Log in again with RealMe®


Alert