Page image
Page image

B.—l [PT. ll].

PUBLIC ACCOUNTS, 1931- 193 2.

STATEMENT of the DISBURSEMENTS and RECOVERIES under SPECIAL ACTS of the LEGISLATURE —continued. Debt Services —Interest—continued.

19

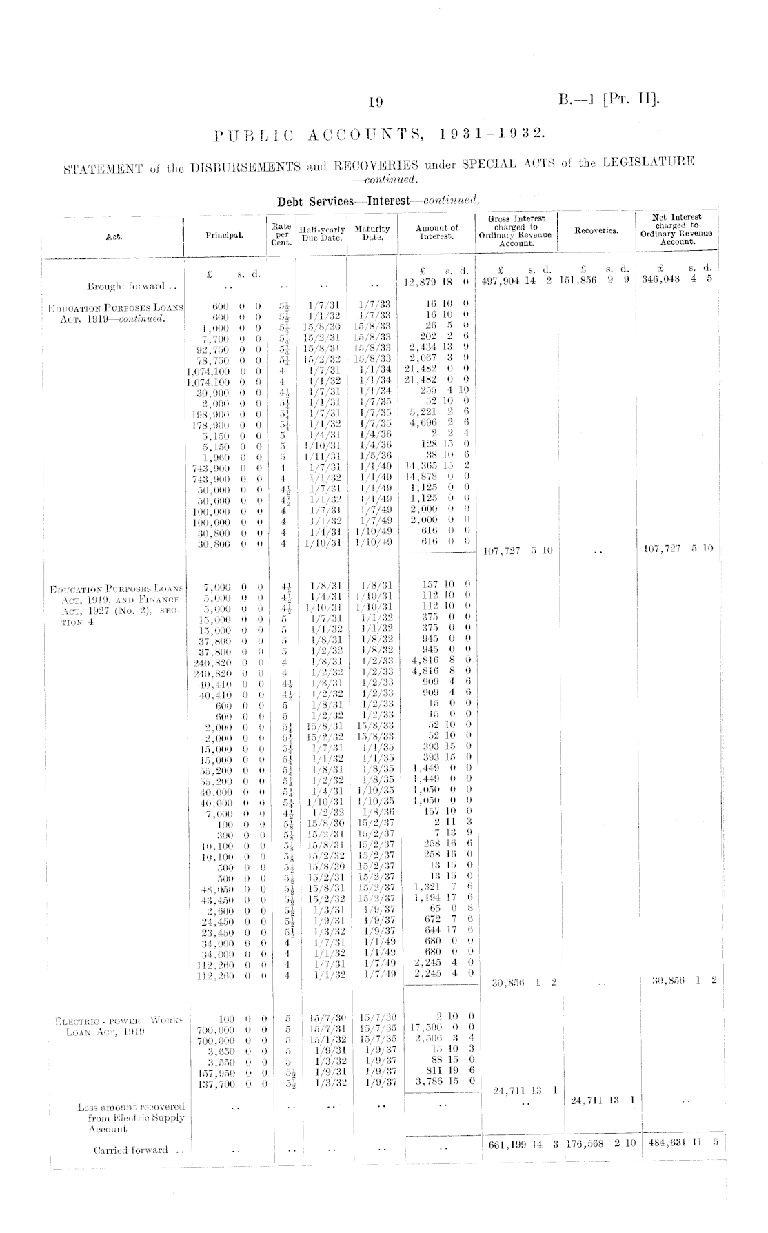
Gross Interest Net Interest Rate Half-vearlv Maturity Amount of charged to Recoveries „ charged to Act. Principal. per Date Date. Interest. Ordinary Revenue ' Ordinary Revenue Cent. Account. Account. £ g a £ s. d. £ s. d. £ s. d. £ s. d. Brought forward.. ' 12,879 18 0 497,904 14 2 151,856 9 9 346,048 4 5 Education Purposes Loans 600 0 0 51 1/7/31 1/7/33 16 10 0 Act, 1919 —continued. 600 0 0 51 1/1/32 1/7/33 16 10 1,000 0 0 5i 15/8/30 15/8/33 26 5 0 7,700 0 0 5J 15/2/31 15/8/33 202 2 6 92,750 0 0 5J 15/8/31 15/8/33 2,434 13 9 78,750 0 0 5-1 15/2/32 15/8/33 2,067 3 9 1,074,100 0 0 4 1/7/31 1/1/34 21,482 0 0 1,074,100 0 0 4 1/1/32 1/1/34 21,482 0 0 30,900 0 0 41 1/7/31 1/1/34 255 4 10 2,000 0 0 5J 1/1/31 1/7/35 52 10 0 198,900 0 0 5| 1/7/31 1/7/35 5,221 2 6 178,900 0 0 5J 1/1/32 1/7/35 4,696 2 6 5,150 0 0 5 1/4/31 1/4/36 2 2 4 5,150 0 0 5 1/10/31 1/4/36 128 15 0 1,960 0 0 5 1/11/31 1/5/36 38 10 6 743,900 0 0 4 1/7/31 1/1/49 14,365 15 2 743,900 0 0 4 1/1/32 1/1/49 14,878 0 0 50,000 0 0 4J 1/7/31 1/1/49 1,125 0 0 50,000 0 0 41 1/1/32 1/1/49 1,125 0 0 100,000 0 0 4 1/7/31 1/7/49 2,000 0 0 100,000 0 0 4 1/1/32 1/7/49 2,000 0 0 30,800 0 0 4 1/4/31 1/10/49 616 0 0 30,800 0 0 4 1/10/31 1/10/49 616 0 0 10 7,727 5 10 Education Purposes Loans 7,000 0 0 41 !'?! 2 Act, 1919, and Finance 5,000 0 0 4|- Jo n Act 1927 (No. 2), sec- 5,000 0 0 4Jr 1/10/31 1/10/31 112 10 0 TIO n 4 15,000 0 0 5 1/7/31 1/1/32 375 0 0 i IŌĪOOO 0 0 5 1/1/32 1/1/32 375 0 0 37,800 0 0 5 1/8/31 1/8/32 945 0 0 37,800 0 0 5 1/2/32 1/8/32 945 0 0 240,820 0 0 4 1/8/31 1/2/33 4,816 8 0 240,820 0 0 4 1/2/32 1/2/33 4,816 8 0 40,410 0 0 4i 1/8/31 1/2/33 909 4 6 40,410 0 0 1/2/32 1/2/33 909 4 6 600 0 0 5 1/8/31 1/2/33 15 0 0 600 0 0 5 1/2/32 1/2/33 15 0 0 2,000 0 0 5| 15/8/31 15/8/33 52 10 0 2,000 0 0 5-i 15/2/32 15/8/33 52 10 0 15,000 0 0 5J 1/7/31 1/1/35 393 15 0 15,000 0 0 5i 1/1/32 1/1/35 393 15 0 55,200 0 0 5i 1/8/31 1/8/35 1,449 0 0 55,200 0 0 5£ 1/2/32 1/8/35 1,449 0 0 40,000 0 0 5J 1/4/31 1/10/35 1,050 0 0 40,000 0 0 5J 1/10/31 1/10/35 1,050 0 0 7,000 0 0 41 1/2/32 1/8/36 157 10 0 100 0 0 5| 15/8/30 15/2/37 2 11 3 300 0 0 5| 15/2/31 15/2/37 7 13 9 10,100 0 0 5J 15/8/31 15/2/37 258 16 6 10,100 0 0 5$ 15/2/32 15/2/37 258 16 0 500 0 0 5-| 15/8/30 15/2/37 13 15 0 500 0 0 5| 15/2/31 15/2/37 13 15 0 48,050 0 0 51 15/8/31 15/2/37 1,321 7 6 43,450 0 0 5J 15/2/32 15/2/37 1,194 17 6 2,600 0 0 5| 1/3/31 1/9/37 65 0 8 24,450 0 0 51 1/9/31 1/9/37 672 7 6 23,450 0 0 5* 1/3/32 1/9/37 644 17 6 34,000 0 0 4" 1/7/31 1/1/49 680 0 0 34.000 0 0 4 1/1/32 1/1/49 680 0 0 112,260 0 0 4 1/7/31 1/7/49 2,245 4 0 112,260 0 0 4 1/1/32 1/7/49 2,245 4 0 ( g 30)85 «i 1 2 Electric - power Works 100 0 0 5 15/7/30 W7/30 2 10 0 Loan Act, 1919 700,000 0 0 5 15/7/31 15/7/35 17,500 0 0 700'000 0 0 5 15/1/32 15/7/35 2,506 3 4 3,650 0 0 5 1/9/31 1/9/37 15 10 3 3,550 0 0 5 1/3/32 1/9/37 88 15 0 157,950 0 0 51 1/9/31 1/9/37 811 19 6 137,700 0 0 51 1/3/32 1/9/37 3,786 15 0 — Z4,711 lo I , .. 24,711 13 1 Less amount recovered .. .... from Electric Supply Account - Carried forward - 661 ' 199 14 3 170 > 568 2 10 484 ' 631 " 5

Log in or create a Papers Past website account

Use your Papers Past website account to correct newspaper text.

By creating and using this account you agree to our terms of use.

Log in with RealMe®

If you’ve used a RealMe login somewhere else, you can use it here too. If you don’t already have a username and password, just click Log in and you can choose to create one.


Log in again to continue your work

Your session has expired.

Log in again with RealMe®


Alert