Page image
Page image

B.—l [Pt. ll].

PUBLIC ACCOUNTS, 1931- 1 9 3 2.

STATEMENT of the DISBURSEMENTS and RECOVERIES under SPECIAL ACTS of the LEGISLATURE —continued. Debt Services—Interest—continued.

42

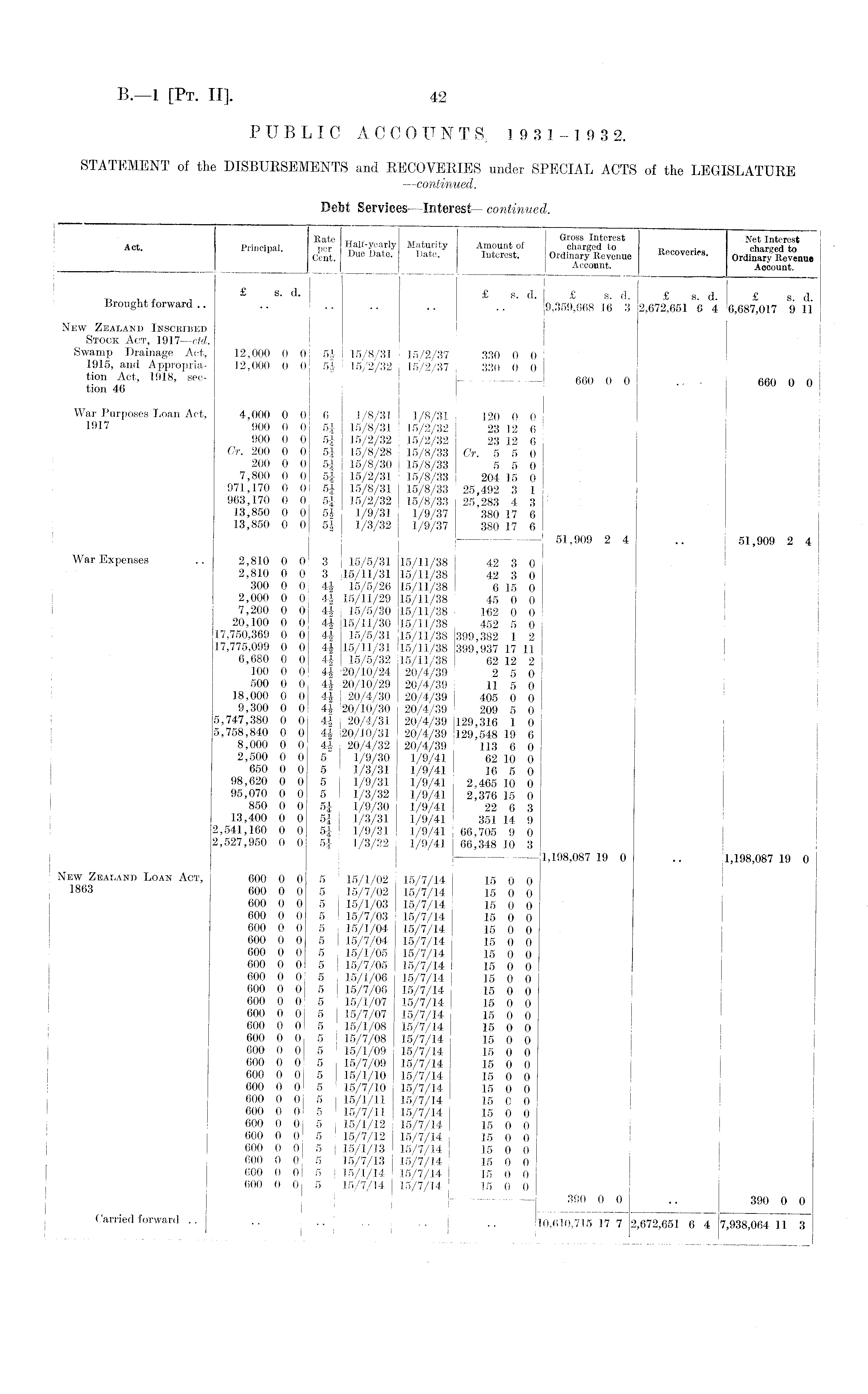
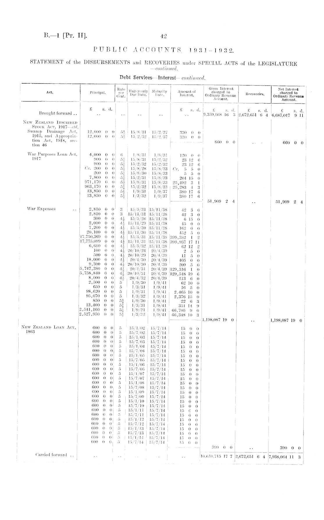
Rate TT nl f , ,, , . , , Gross Interest Net Interest Act - Principal. per M^ unt y Amount of charged to Recoveries charged to Cent. Due Date - Date - Interest. Ordinary Kevenue Recoveries. Ordinary Uevenue Account. Account. • • j . •d , . , , £ s. d. £ s. d. £ s. d. £ s. d. £ s. d. Brought forward .. .. .. .. .. 9,359,668 16 3 2,672,651 6 4 6,687,017 9 11 New Zealand Inscribed Stock Act, 1917—ctd. Swamp Drainage Act, 12,000 0 0 5A 15/8/31 15/2/37 330 0 0 1915, and Appropria- 12,000 0 0 5| 15/2/32 15/2/37 330 0 0 tion Act, 1918, sec- 660 0 0 ... 660 0 0 tion 46 War Purposes Loan Act, 4,000 0 0 6 1/8/31 1/8/31 120 0 0 1917 900 0 0 5| 15/8/31 15/2/32 23 12 6 900 0 0 5| 15/2/32 15/2/32 23 12 6 Or. 200 0 0 5J 15/8/28 15/8/33 Or. 5 5 0 200 0 0 5J 15/8/30 15/8/33 5 5 0 7,800 0 0 5J 15/2/31 15/8/33 204 15 0 971,170 0 0 5J 15/8/31 15/8/33 25,492 3 1 963,170 0 0 5i 15/2/32 15/8/33 25,283 4 3 : 13,850 0 0 5| 1/9/31 1/9/37 380 17 6 13,850 0 0 51 1/3/32 1/9/37 380 17 6 51,909 2 4 .. 51,909 2 4 War Expenses .. 2,810 0 0 3 15/5/31 15/11/38 42 3 0 2,810 0 0 3 15/11/31 15/11/38 42 3 0 300 0 0 41 15/5/26 15/11/38 6 15 0 2,000 0 0 4J 15/11/29 15/11/38 45 0 0 7,200 0 0 4i 15/5/30 15/11/38 162 0 0 20,100 0 0 4i 15/11/30 15/11/38 452 5 0 17,750,369 0 0 4| 15/5/31 15/11/38 399,382 1 2 17,775,099 0 0 4J 15/11/31 15/11/38 399,937 17 11 6,680 0 0 4J 15/5/32 15/11/38 62 12 2 100 0 0 4i 20/10/24 20/4/39 2 5 0 500 0 0 4£ 20/10/29 20/4/39 11 5 0 18,000 0 0 4J 20/4/30 20/4/39 405 0 0 9,300 0 0 4i 20/10/30 20/4/39 209 5 0 5,747,380 0 0 4* 20/4/31 20/4/39 129,316 1 0 5,758,840 0 0 44 20/10/31 20/4/39 129,548 19 6 8,000 0 0 4|- 20/4/32 20/4/39 113 6 0 2,500 0 0 5 1/9/30 1/9/41 62 10 0 650 0 0 5 1/3/31 1/9/41 16 5 0 98,620 0 0 5 1/9/31 1/9/41 2,465 10 0 95,070 0 0 5 1/3/32 1/9/41 2,376 15 0 850 0 0 5J 1/9/30 1/9/41 22 6 3 13,400 0 0 5J 1/3/31 1/9/41 351 14 9 2,541,160 0 0 5i 1/9/31 1/9/41 66,705 9 0 2,527,950 0 0 5J 1/3/32 1/9/41 66,348 10 3 1,198,087 19 0 .. 1,198,087 19 0 NEW Zealand LOAN ACT, 600 0 0 5 15/1/02 15/7/14 15 0 0 1863 600 0 0 5 15/7/02 15/7/14 15 0 0 600 0 0 5 15/1/03 15/7/14 15 0 0 600 0 0 5 15/7/03 15/7/14 15 0 0 600 0 0 5 15/1/04 15/7/14 15 0 0 600 0 0 5 15/7/04 15/7/14 15 0 0 600 0 0 5 15/1/05 15/7/14 15 0 0 600 0 0 5 15/7/05 15/7/14 I 15 0 0 600 0 0 5 15/1/06 15/7/14 15 0 0 600 0 0 5 15/7/06 15/7/14 15 0 0 600 0 0 5 15/1/07 15/7/14 15 0 0 600 0 0 5 15/7/07 15/7/14 15 0 0 600 0 0 5 15/1/08 15/7/14 15 0 0 600 0 0 5 15/7/08 15/7/14 15 0 0 600 0 0 5 15/1/09 15/7/14 15 0 0 600 0 0 5 15/7/09 15/7/14 15 0 0 600 0 0 5 15/1/10 15/7/14 15 0 0 600 0 0 5 15/7/10 15/7/14 15 0 0 600 0 0 5 15/1/11 15/7/14 15 0 0 600 0 0 5 15/7/11 15/7/14 15 0 0 600 0 0 5 15/1/12 15/7/14 15 0 0 600 0 0 5 15/7/12 15/7/14 15 0 0 600 0 0 5 i 15/1/13 15/7/14 15 0 0 600 0 0 5 j 15/7/13 15/7/14 15 0 0 600 0 0 5 1 15/1/14 15/7/14 15 0 0 600 0 0 5 15/7/14 15/7/14 15 0 0 390 0 0 390 0 0 Carried forward .. .. j .. I j .. 10,610,715 17 7 2,672,651 6 4 7,938,064 11 3

Log in or create a Papers Past website account

Use your Papers Past website account to correct newspaper text.

By creating and using this account you agree to our terms of use.

Log in with RealMe®

If you’ve used a RealMe login somewhere else, you can use it here too. If you don’t already have a username and password, just click Log in and you can choose to create one.


Log in again to continue your work

Your session has expired.

Log in again with RealMe®


Alert