Page image
Page image

33

8.—7.

Appropriations for Consolidated Fund Services.

LAND AND INCOME TAX DEPARTMENT—continued.

3—B. 7.

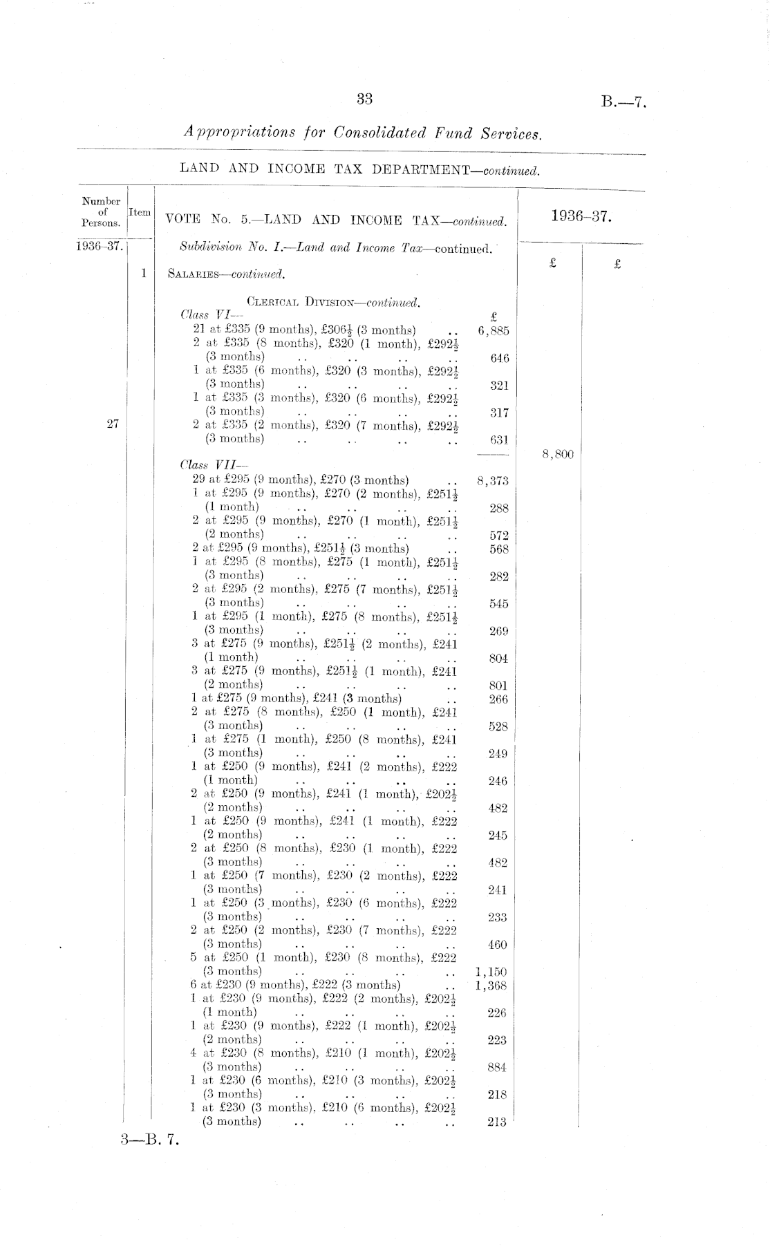
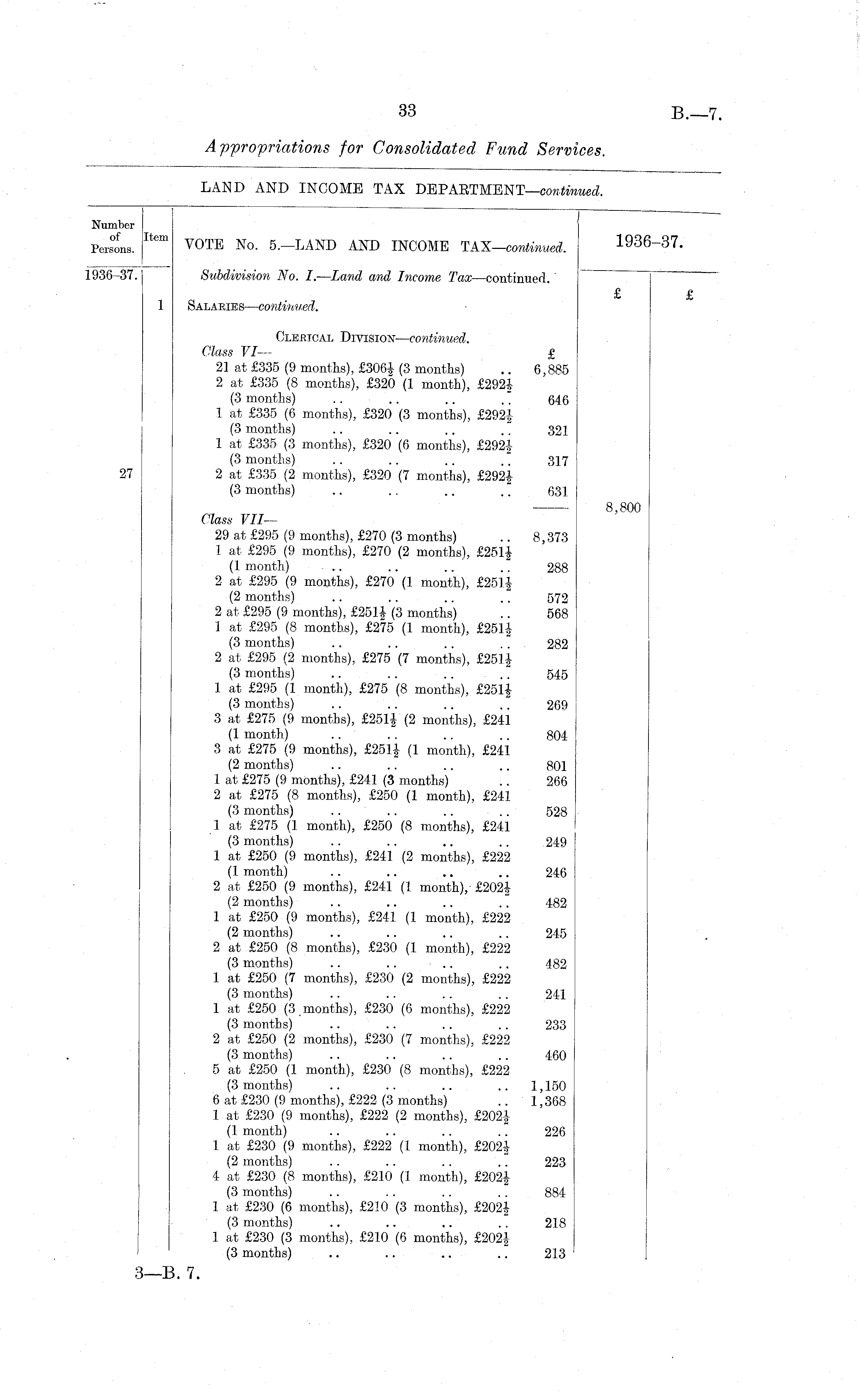
Number Persons. VOTE No. 5.—LAND AND INCOME TAX—continued. 1936-37. 1936-37. Subdivision No. I. —Land and Income Tax—continued. £ £ 1 Salaries—continued. Clerical Division—continued. Class VI— £ 21 at £335 (9 months), £306J- (3 months) .. 6,885 2 at £335 (8 months), £320 (1 month), £292-J-(3 months) .. .. .. .. 646 1 at £335 (6 months), £320 (3 months), £292|(3 months) .. .. .. ." 321 1 at £335 (3 months), £320 (6 months), £292! (3 months) .. .. .. .. 317 27 2 at £335 (2 months), £320 (7 months), £292| (3 months) .. . . .. .. 631 8,800 Class VII — 29 at £295 (9 months), £270 (3 months) .. 8,373 1 at £295 (9 months), £270 (2 months), £251| (1 month) .. .. .. .. 288 2 at £295 (9 months), £270 (1 month), £251| (2 months) .. .. .. .. 572 2 at £295 (9 months), £251J (3 months) .. 568 1 at £295 (8 months), £275 (1 month), £251J (3 months) .. .. .. . . 282 2 at £295 (2 months), £275 (7 months), £2511 (3 months) .. .. .. .. 545 1 at £295 (1 month), £275 (8 months), £251J (3 months) .. .. .. .. 269 3 at £275 (9 months), £251f (2 months), £241 (1 month) .. . . . . .. 804 3 at £275 (9 months), £251J (1 month), £241 (2 months) .. .. .. .. 801 1 at £275 (9 months), £241 (3 months) .. 266 2 at £275 (8 months), £250 (1 month), £241 (3 months) .. .. .. .. 528 1 at £275 (1 month), £250 (8 months), £241 (3 months) .. .. .. .. 249 1 at £250 (9 months), £241 (2 months), £222 (1 month) .. .. .. .. 246 2 at £250 (9 months), £241 (1 month), £202| (2 months) .. .. .. .. 482 1 at £250 (9 months), £241 (1 month), £222 (2 months) .. .. .. .. 245 2 at £250 (8 months), £230 (1 month), £222 (3 months) .. .. .. .. 482 1 at £250 (7 months), £230 (2 months), £222 (3 months) .. .. .. .. 241 1 at £250 (3 months), £230 (6 months), £222 (3 months) .. .. .. .. 233 2 at £250 (2 months), £230 (7 months), £222 (3 months) .. .. .. .. 460 5 at £250 (1 month), £230 (8 months), £222 (3 months) .. .. .. .. 1,150 6 at £230 (9 months), £222 (3 months) .. 1,368 1 at £230 (9 months), £222 (2 months), £202|(1 month) .. .. .. .. 226 1 at £230 (9 months), £222 (1 month), £202^ (2 months) .. .. .. .. 223 4 at £230 (8 months), £210 (1 month), £202| (3 months) .. . . .. . . 884 1 at £230 (6 months), £210 (3 months), £202i (3 months) .. .. .. .. 218 1 at £230 (3 months), £210 (6 months), £202| (3 months) .. .. .. .. 213

Log in or create a Papers Past website account

Use your Papers Past website account to correct newspaper text.

By creating and using this account you agree to our terms of use.

Log in with RealMe®

If you’ve used a RealMe login somewhere else, you can use it here too. If you don’t already have a username and password, just click Log in and you can choose to create one.


Log in again to continue your work

Your session has expired.

Log in again with RealMe®


Alert